EasyManua.ls Logo

Sindoh M611 - Page 89

Sindoh M611
214 pages
Print Icon
To Next Page IconTo Next Page
To Next Page IconTo Next Page
To Previous Page IconTo Previous Page
To Previous Page IconTo Previous Page
Loading...
83
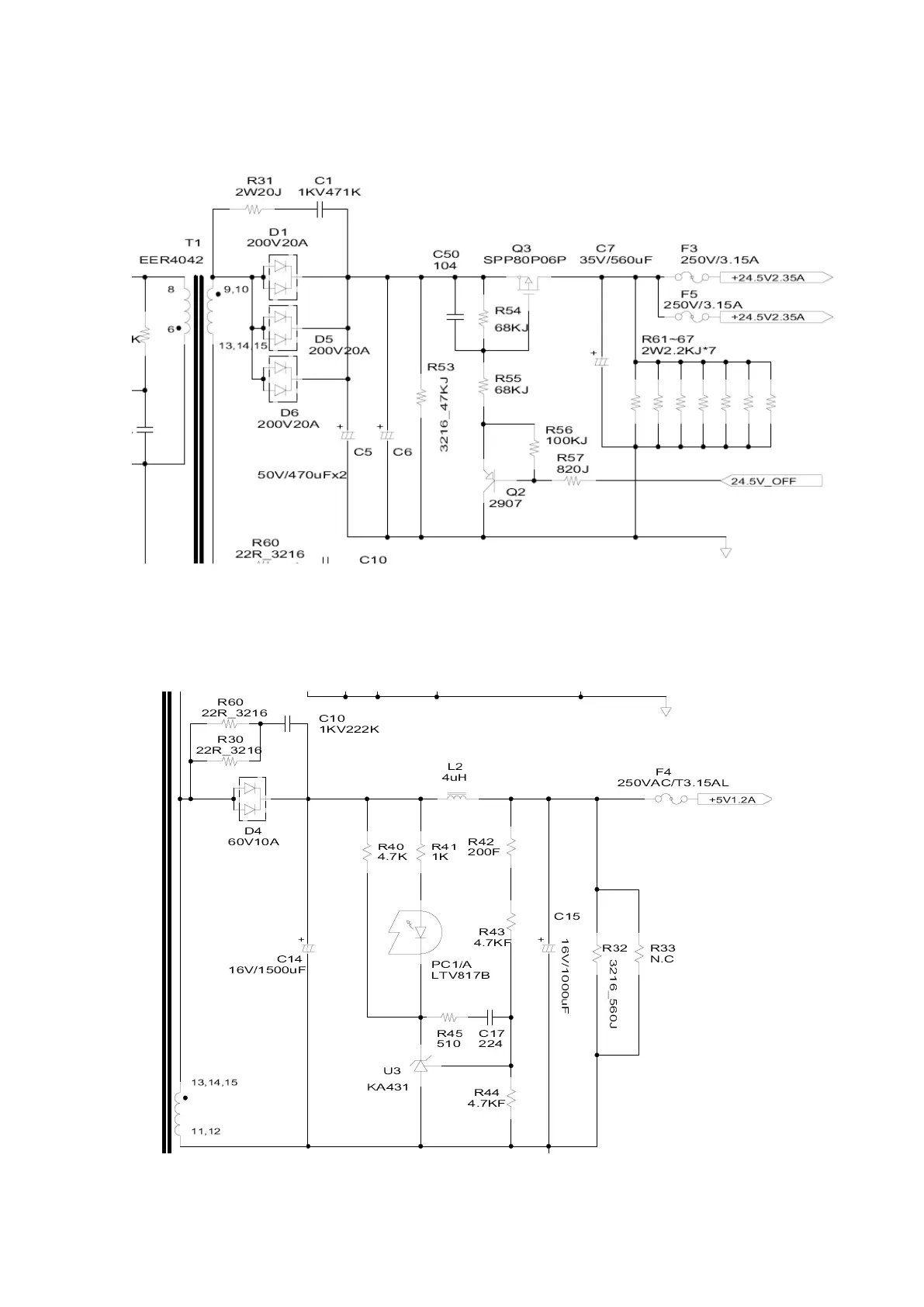
4. 5V Output Section

Table of Contents

Related product manuals