EasyManua.ls Logo

Sirona C3+ - Page 23

Sirona C3+
38 pages
Print Icon
To Next Page IconTo Next Page
To Next Page IconTo Next Page
To Previous Page IconTo Previous Page
To Previous Page IconTo Previous Page
Loading...
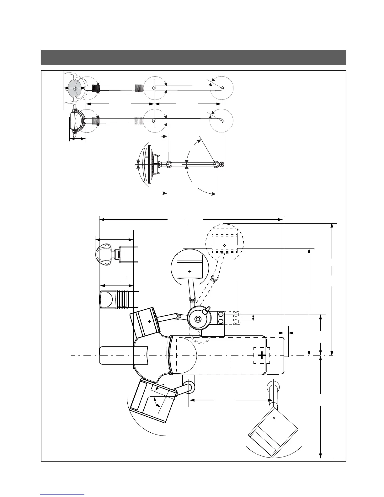
Sirona Dental Systems GmbH 2 Dimensions, technical data
Installation Requirements C3
+
, C4
+
, C4
+
Cart
60 27 945 D3382
D3382.021.02.12.02
23
båÖäáëÜ

Related product manuals