EasyManua.ls Logo

sitrex MX 8 - Page 33

Default Icon
61 pages
Print Icon
To Next Page IconTo Next Page
To Next Page IconTo Next Page
To Previous Page IconTo Previous Page
To Previous Page IconTo Previous Page
Loading...
ASSEMBLY STEPS
31
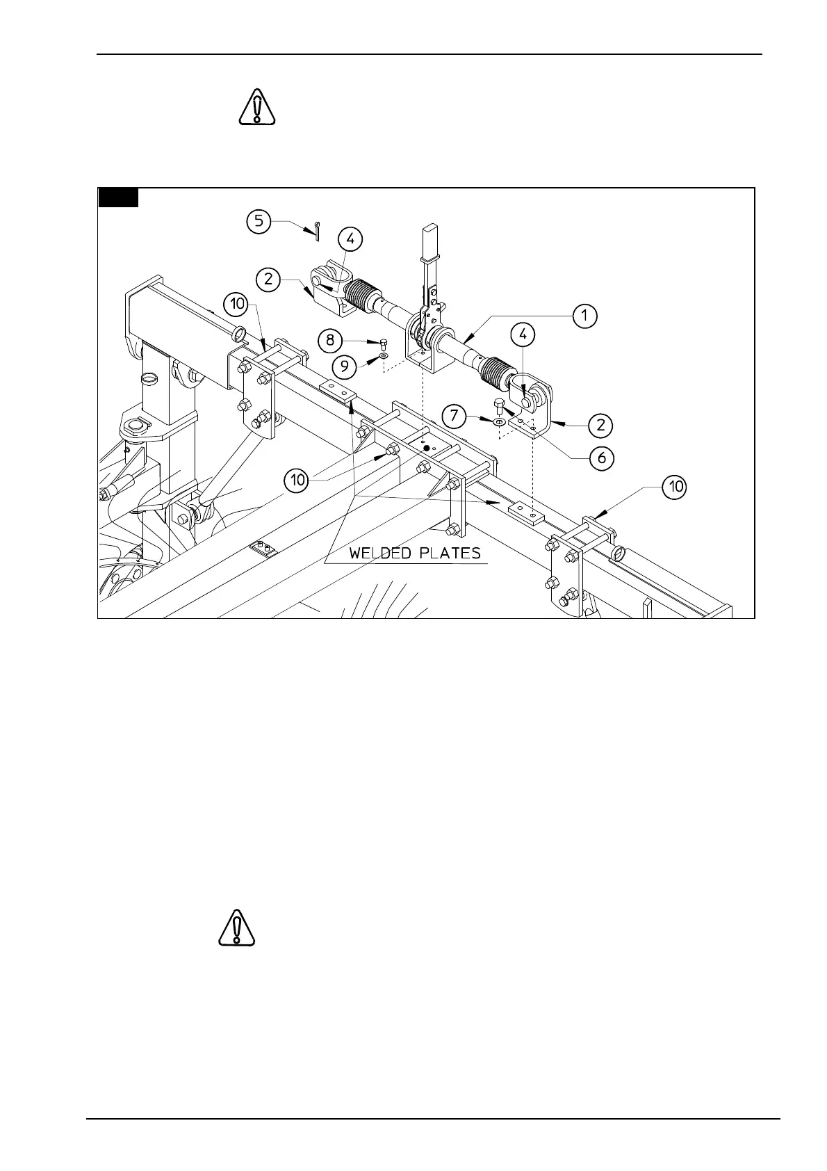
29. CAUTION RATCHET LINK (OPITIONAL)
Attach the support 2 to the welded plates without tighten the screws 6 and washers 7. Mount the
assy 1 to the machine with pins 4 and split pins 5, screws 8 and washers 9. Then tighen the
screws 8 and 6.
Item 6:
4 - screw M 14 x 25
(35/64" x 31/32”)
Item 7:
4 - washer D.15
(37/64”)
Item 8:
2 - screws M 10 x 25
(25/64" x 31/32”)
Item 9:
4 - washer D.10,5
(13/32”)
REAR OPENING STARTS AT 72" TO A MAXIMUM OF 84" AND THIS ALLOWS TO OBTAIN
WINDROWS FROM APPROXIMATELY 3' AND 2" TO A MAXIMUM OF 5' AND 2".
WARNING !!!
REMEMBER TO LOOSEN THE SCREWS 10 BEFORE USING RATCHET LINK OPENING
ONCE ADJUSTMENTS ARE MADE, FASTEN ALL SCREWS 10.
29

Related product manuals