EasyManua.ls Logo

Skil 5995 - Functional Description and Specifications

Skil 5995
72 pages
Print Icon
To Next Page IconTo Next Page
To Next Page IconTo Next Page
To Previous Page IconTo Previous Page
To Previous Page IconTo Previous Page
Loading...
Model number 5995 & 5996
Voltage rating 18 V
No load speed n
0
4,200/min
Charge time 1 hr
5.?42?!6.1 SC118, SC118B & SC118C
.AA2?F=.08 SB18A, SB18B & SB18C
5.?42?66<; SC118B-LI or SC118C-LI
.AA2?F=.08 SB18B-LI or SB18C-LI
Voltage rating 120 V 60 Hz
.E6:B:.=.06A62@
Blade 5-3/8"
Depth of cut at 90° 1-5/8"
Depth of cut at 45° 1-1/4"
Depth of cut at 50° 1-13/64"
''!'"! Use only thin kerf
blades designed for Cordless
Circular Saws.
6@0<;;20A /.AA2?F =.08 3?<: A<<9 /23<?2 :.86;4 .;F .@@2:/9F
.17B@A:2;A@ <?05.;46;4.002@@<?62@. Such preventive safety measures
reduce the risk of starting the tool accidentally.
-10-
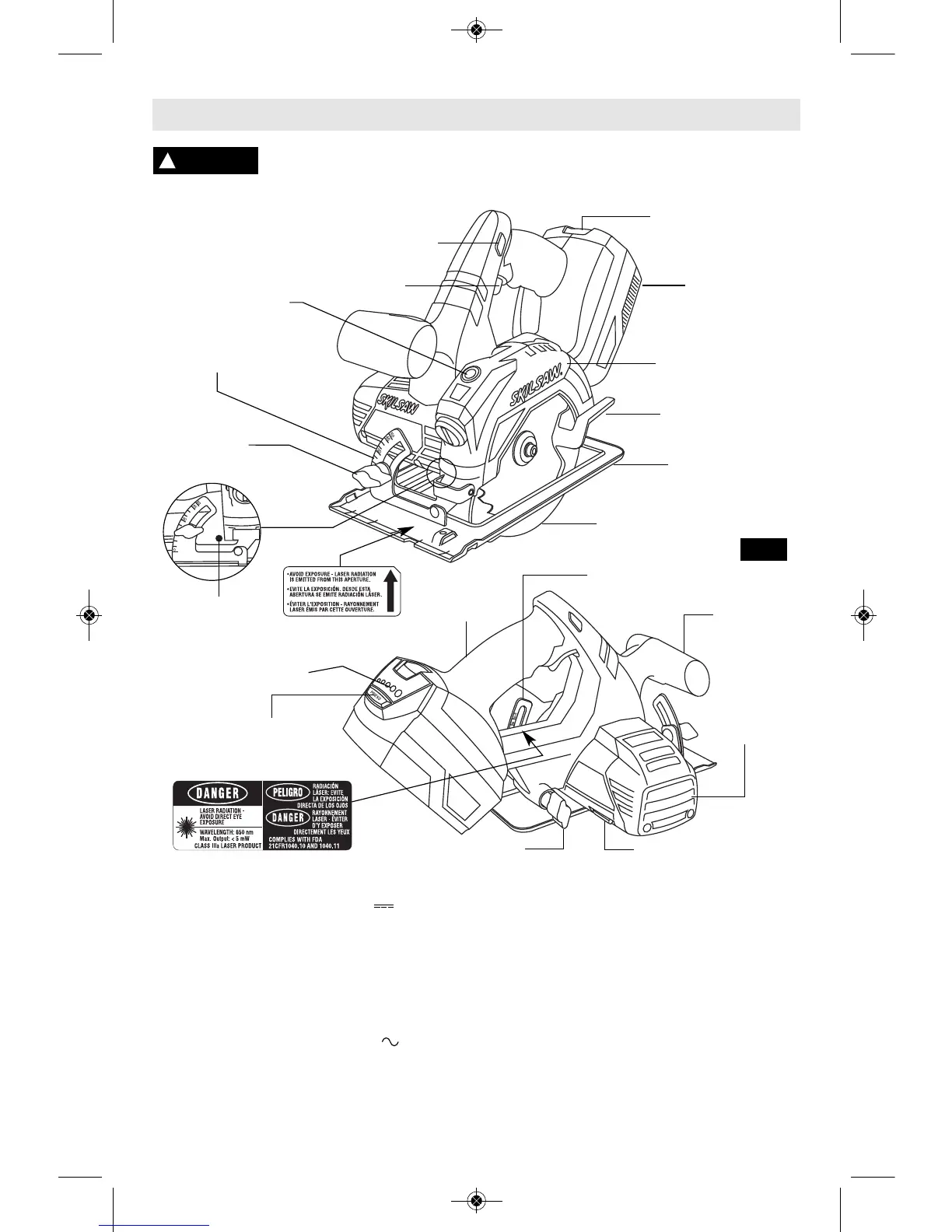
B;0A6<;.92@0?6=A6<;.;1&=206360.A6<;@
!
WARNING
LOWER GUARD
LIFT LEVER
AUXILIARY
HANDLE
SAFETY SWITCH
RELEASE BUTTON
TRIGGER
DEPTH ADJUSTMENT
KNOB
BLADE WRENCH &
STORAGE AREA
BATTERY RELEASE
BUTTON
BUTTON
BATTERY CHARGE
CONDITION INDICATOR
LIGHTS
BATTERY PACK
FOOT
BEVEL
ADJUSTMENT
KNOB
CALIBRATED
BEVEL QUADRANT
VENTILATION
OPENINGS
CALIBRATED
DEPTH BRACKET
LASER BUTTON
(Model 5996 only)
LOWER GUARD
RUBBERIZED
GRIP
UPPER GUARD
FIG. 1
<?192@@
6?0B9.?&.D
For replacement blades we recommend Skil Cordless Circular saw blades. Their thin kerf and
tooth design deliver the best speed, quality of cut, and reduce battery drain. Use of standard
blades will substantially affect the performance and reduce run-time.
LOCK
BUTTON
SM 1619X02639 06-10:1619X02639 12-08 6/18/10 3:04 PM Page 10

Related product manuals