EasyManua.ls Logo

Skyjack SJ3220 - Base Control Wiring - ACPP

Skyjack SJ3220
177 pages
Print Icon
To Next Page IconTo Next Page
To Next Page IconTo Next Page
To Previous Page IconTo Previous Page
To Previous Page IconTo Previous Page
Loading...
64
SJ3220, SJ3226, SJ4720, SJ4726, SJ4732223198ABA
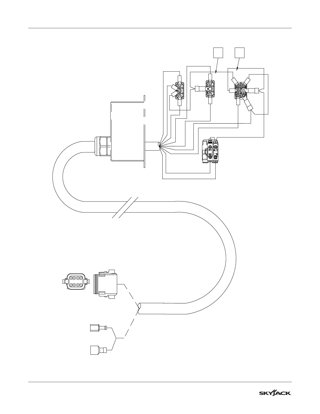
Section 3 – System Component Identication and Schematics Base Control Wiring - ACPP
3.18 Base Control Wiring - ACPP
M213768AB
TO MAIN HARNESS
PIN 1 - 07 (RED)
PIN 2 - 05 (ORANGE/BLACK)
PIN 3 - 13A (ORANGE)
PIN 4 - 14A (BLACK)
PIN 5 - 10 (WHITE/BLACK)
PIN 6 - 8C (BLUE)
PIN 7 - N/C (RED/BLACK)
PIN 8 - 60 (WHITE)
4
56
3
7
2
8
1
TO POWERDECK TO BASE HARNESS
PIN 1 - 26A (BLACK/WHITE)
PIN 2 - 27A (BLUE/BLACK)
26A
27A
DEUTSCH
8
5
6
7
1
2
3
4
60
05
RED/BLACK
TIED BACK
05A
05A
05A
05A
8C
10
10
26A
13A
14A
27A
10
07
10
8C
W1 W2

Table of Contents

Related product manuals