EasyManua.ls Logo

Skyjack SJ3220 - Electrical Schematic - All Option (KC)

Skyjack SJ3220
177 pages
Print Icon
To Next Page IconTo Next Page
To Next Page IconTo Next Page
To Previous Page IconTo Previous Page
To Previous Page IconTo Previous Page
Loading...
A B C D E F G H
V
Z
Y
X
W
87
SJ3220, SJ3226, SJ4720, SJ4726, SJ4732223198ABA
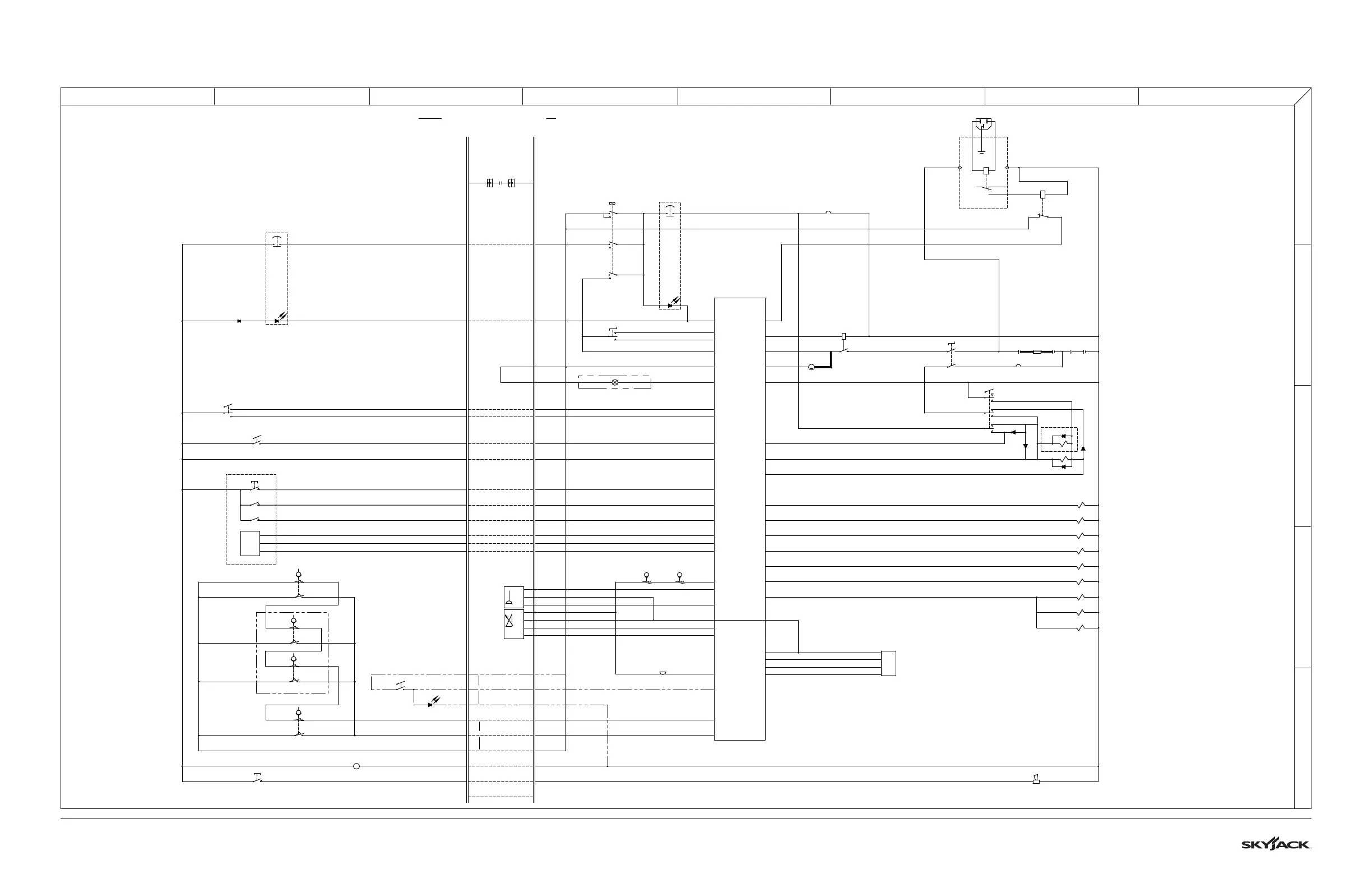
3.39 Electrical Schematic - All Option (KC)
M217928AC
B4
6V
BATT.
F1
300A
FUSE
C1
MOTOR
CONTACTOR
CB1
15A CIRCUIT
BREAKER
03A
05
08
07
BASE
CONTROL BOX
49
5V IN
JOYSTICK PCB
JOYSTICK (0-5v)
24
23
P4
SIG
0V IN
S27
TORQUE
SWITCH
18
49
HORN
HORN
H1
49
S3
LIFT/OFF/DRIVE
SWITCH
UP SOLENOID
3H-14
LEFT SOLENOID
4H-24A
4H-23A
RIGHT SOLENOID
4H-15
4H-16
FORWARD SOLENOID
REVERSE SOLENOID
3H-17
BRAKE SOLENOID
B-
B+
B3
6V
BATT.
B2
6V
BATT.
B1
6V
BATT.
P1-1
P1-3
P1-2
P1-8
P5-6
P5-8
P5-4
P5-2
P5-3
P5-5
P5-1
P3-3
DRIVE
LIFT
UP
DN
P3-5
P4-4
P4-5
P3-1
P3-12
P3-8
P3-9
P3-7
P3-6
P3
P1
P5
P6
P7
14A
13A
10
10
19
03A 00
60
P8
RED
RED/WHITE
BLUE
ORANGE
BLACK
BLACK/WHITE
BLUE/BLACK
WHITE/BLACK
ORANGE/BLACK
GREEN
BLUE/WHITE
GREEN/WHITE
08
V
00
00
WHITE
12
09
08A
00B
59
08B
P3-2
08C
P5-12
08
08
2H-18A
P5-9
3H-18A-1
3H-18A-2
RED/BLACK
CB2
10A CIRCUIT
BREAKER
9898A
P4-1
60
18
08A
23
24
00B
59
08B
08
12
09
03B
00
Tx
902
Rx
P6-1
B+
P6-2
P6-3
P6-4
00
D08-1
S28
EMERGENCY STOP
+ - + - + - + -
HOLDNG SOLENOID
TWO CYLINDERS
HOLDING SOLENOID
SINGLE CYLINDER
S4
EMERGENCY STOP
S7-6
ENABLE
S7-2
RIGHT
S7-3
LEFT
BCI
BATTERY CHARGE
INDICATOR
S2
LIFT/LOWER
00
00
60
18
08A
08
24
23
00B
59
08B
12
09
CHARGER
10
TORQUE MODE
DIFFERENTIAL SOLENOID
TORQUE MODE
SPEED SOLENOID A
TORQUE MODE
SPEED SOLENOID B
BATTERY PACK
14
15
16
17
23A
24A
18A 18A
08
08
08
08
08
S8
HORN
SWITCH
DISPLAY MODULE
GREEN/BLACK
CM1
SKYCODED
CONTROLLER
S1 MAIN
DISCONNECT
03
98B
PUMP MOTOR
05
00D
98B
S51
EMERGENCY
LOWERING
2H-13-2
2H-13-1
13
00C
00D
13
13
13B
13B
00
05
00
D13-1
D13-2
P2-8
D00C
05A
S10
IDLE/PLTF/BASE
KEY SWITCH
(IN IDLE POSITION)
07 05A
05A
08C
PL-1
OVERLOAD
LIGHT
P2-7
P2-4
P2-2
P4-7
AT1
ANGLE
TRANSDUCER
PT1
PRESSURE
TRANSDUCER
B+
GND
SIG
71
POTHOLE PROTECTION
LIMIT SWITCHES N.C.H.O.
910
60A
28
910
910
902
LS1 LS2
ALL MOTION, TILT &
OVERLOAD BEEPER
910
902
BP-29
29
910
P1-9
05A
PL-2
OVERLOAD
LIGHT
FL-22
FLASHING
LIGHT
2208C 22
P2-9
10
08C
NO
07
NCHO
NCHO
SUPPR.
SUPPR.
CRD3CRD1 CRD2
N.C.
52A
51A
N.O.
LS7B
08C
08C
08C
08C
08C
08C GREEN
51A WHITE
BLACK51
08C
51A
51
CRD4
N.C.
LS7A
52A
N.O.
51
51A
N.C.
LS7D
N.O.
52A
51A
52B
08C
N.C.
LS7C
N.O.
52B
51A
52A
08C
ADDITIONAL SWITCH OPTION
51A
51
P3-10
P3-11
00
M
M
M-
+
-
P4-10
37
08C
19
DCM1
902
72
B+
GND
SIG
SIG P2-5
28A
08C
24V DELTA-Q CHARGER
AC
LINE VOLTAGE
B-
L1CR1
CHARGER CUTOUT
B+
C4
C5
C1
C5
C3
B+
B-
BC
G
(PE)
L N
37
35
33
29
28
27
26
25
24
23
22
21
19
18
17
16
15
14
13
12
11
10
08
06
05
07
37
36
09
30
20
31
32
34
38
39
40
41
04
03
02
01
08CGREEN
S17
INDOOR
SWITCH
INDOOR
LIGHT
BLACK
WHITE
08C
08C
00 00
120120 CRD4
P3-4
120
00

Table of Contents

Related product manuals