EasyManua.ls Logo

Skyworks Si5338 - Configuring the Input Selection

Default Icon
164 pages
Print Icon
To Next Page IconTo Next Page
To Next Page IconTo Next Page
To Previous Page IconTo Previous Page
To Previous Page IconTo Previous Page
Loading...
Si5338-RM
12 Skyworks Solutions, Inc. • Phone [781] 376-3000 • Fax [781] 376-3100 • sales@skyworksinc.com • www.skyworksinc.com
Rev. 1.4 • Skyworks Proprietary Information • Products and Product Information are Subject to Change Without Notice • 2021
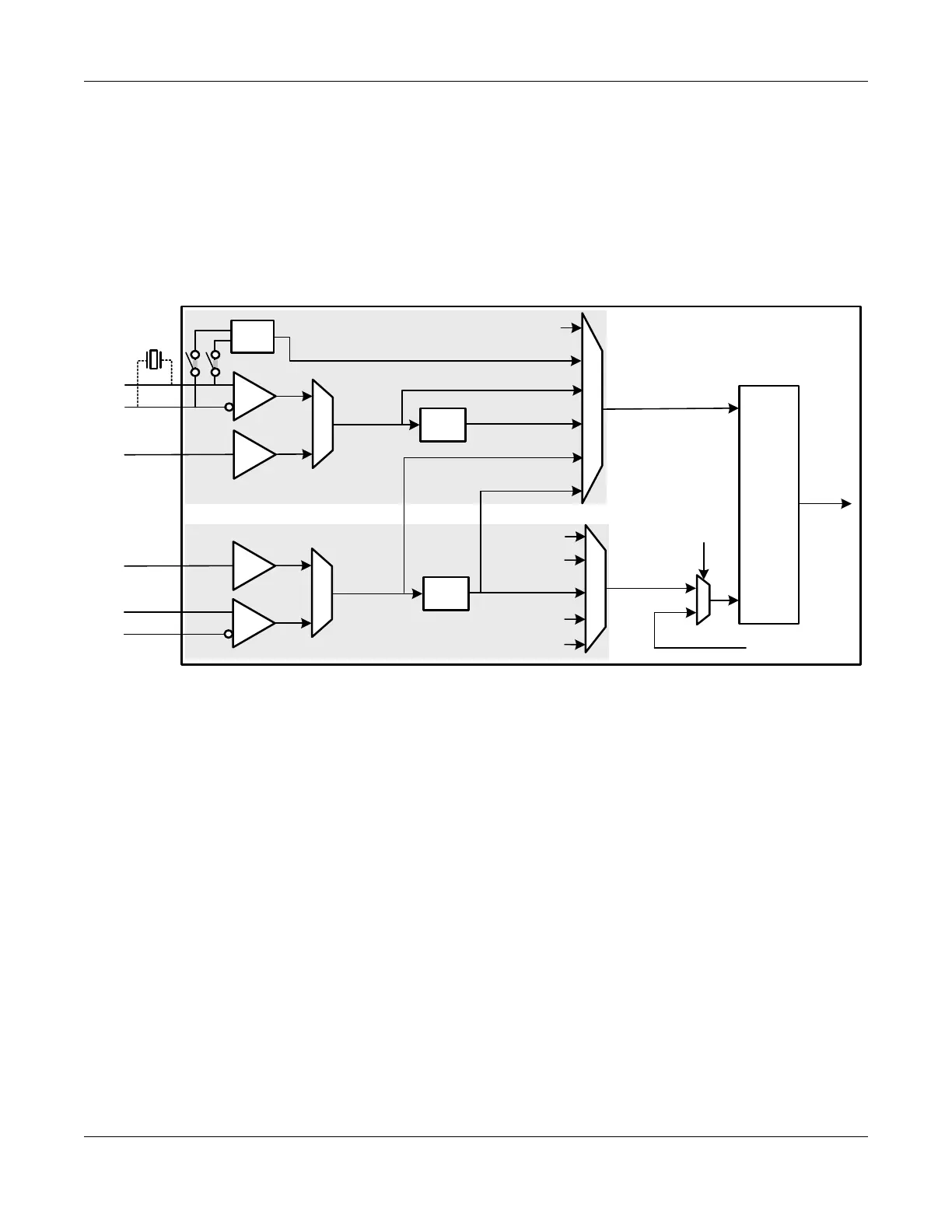
4. Configuring The Input Selection
The Si5338 is capable of locking to a single-ended clock, a differential clock, or an external crystal resonator
(XTAL). The XTAL allows the Si5338 to generate its own free-running reference clock. A block diagram of the input
configuration of the Si5338 is shown in Figure 6. The Si5338 uses pins IN1/IN2, or IN3 as its main input. Inputs
IN5/IN6, and IN4 can serve as an external feedback path for zero delay mode, or as additional clock inputs if the
device is operating in internal feedback mode.* The following sections describe how each of the inputs are
configured.
*Note: Only Si5338N/P/Q devices allow IN4 to be used as a single-ended clock input.
Figure 6. Si5338 Input Selection Block Diagram
÷P1
IN3
IN2
IN1
Osc
Optional
XTAL
÷P2
IN4
IN6
IN5
p1div_out
p1div_in
PFD
p1div_in
xoclk
pfd_extfb
p2div_in
To VCO
p2div_out
Si5338
Reference Select
Feedback Select
from MSn output
noclk
noclk
fbclk
p2div_in
p2div_out
p1div_in
p1div_out
pfd_in_ref
pfd_in_fb

Related product manuals