EasyManua.ls Logo

Skyworks Si5338 - Output Clock Select

Default Icon
164 pages
Print Icon
To Next Page IconTo Next Page
To Next Page IconTo Next Page
To Previous Page IconTo Previous Page
To Previous Page IconTo Previous Page
Loading...
Si5338-RM
26 Skyworks Solutions, Inc. • Phone [781] 376-3000 • Fax [781] 376-3100 • sales@skyworksinc.com • www.skyworksinc.com
Rev. 1.4 • Skyworks Proprietary Information • Products and Product Information are Subject to Change Without Notice • 2021
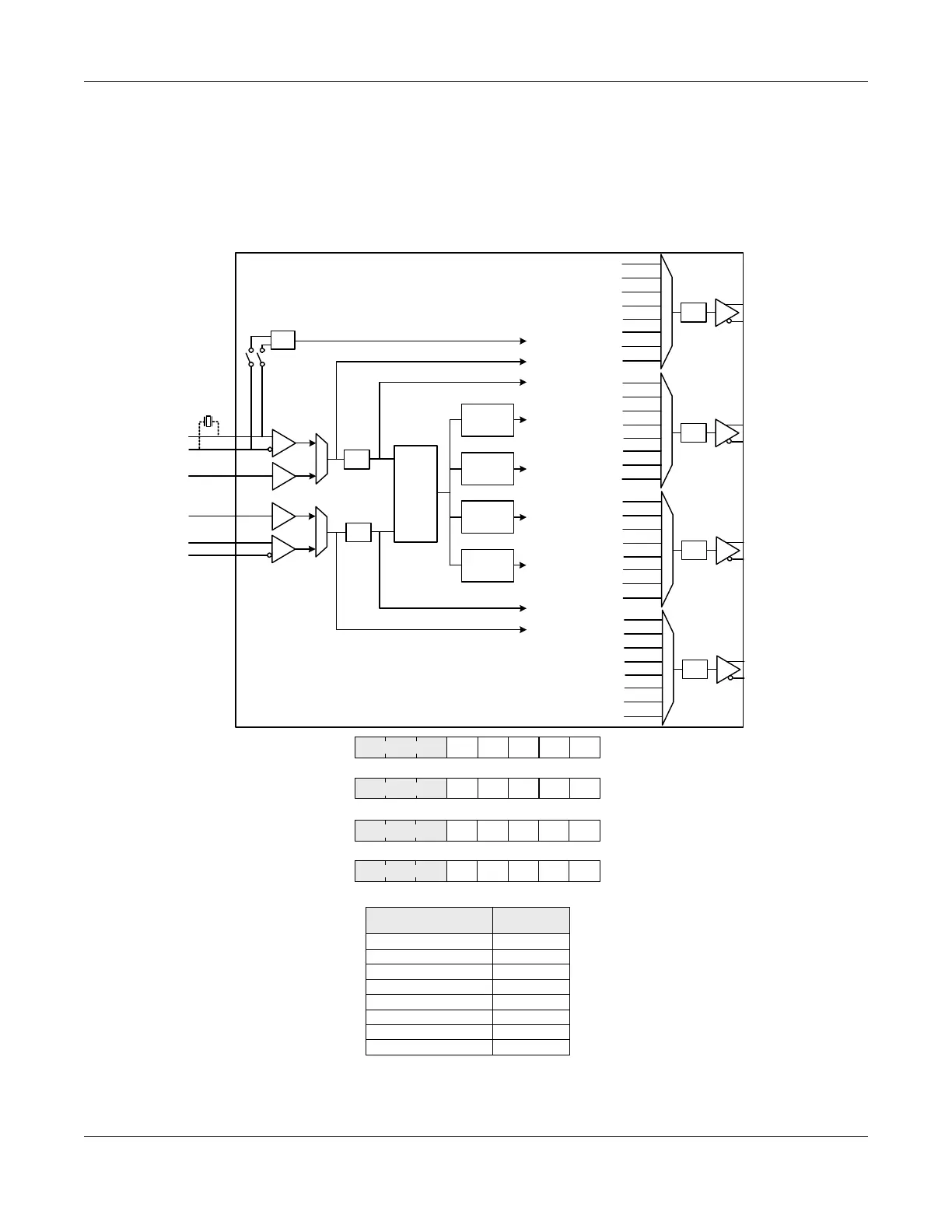
9.8. Output Clock Select
The source of each of the clock outputs (CLKx) can be selected as shown in Figure 17. This level of flexibility
allows the drivers to output any of the synthesized clocks (MSx) or bypass the PLL and output any of the input
clocks directly. This allows the Si5338 to operate as a PLL, a clock buffer, or a combination of both. Any active
output buffer that does not receive its clock from the PLL should have its disable state (“9.6. Output Drive State
When Disabled”) set to “always on”. The register settings are shown in Figure 17.
Figure 17. Selecting the Output Clock Source
32[7:0]
01234567
33[7:0]
01234567
34[7:0]
01234567
31[7:0]
R0DIV_IN[2:0]
01234567
R2DIV_IN[2:0]
R1DIV_IN[2:0]
R3DIV_IN[2:0]
RxDIV_IN[2:0]
x=0,1,2,3
001
010
011
100
101
refclk (p1div_in)
Selected Source
divfbclk (p2div_out)
divrefclk (p1div_out)
xoclk
M0
110
Mn
111
No clock
000
fbclk (p2div_in)
÷P1
IN3
IN2
IN1
Osc
Optional
XTAL
÷P2
IN4
IN6
IN5
refclk
fbclk
divfbclk
Si5338
xoclk
divrefclk
PLL
M0
M1
M2
M3
xoclk
refclk
divrefclk
fbclk
divfbclk
M0
M0
÷R0
xoclk
refclk
divrefclk
fbclk
divfbclk
M0
M1
÷R1
xoclk
refclk
divrefclk
fbclk
divfbclk
M0
M2
÷R2
xoclk
refclk
divrefclk
fbclk
divfbclk
M0
M3
÷R3
MultiSynth
÷MS0
MultiSynth
÷MS1
MultiSynth
÷MS2
MultiSynth
÷MS3
CLK0A,B
CLK1A,B
CLK2A,B
CLK3A,B
noclk
noclk
noclk
noclk

Related product manuals