EasyManua.ls Logo

Smach EFE 2500A - Page 46

Smach EFE 2500A
52 pages
Print Icon
To Next Page IconTo Next Page
To Next Page IconTo Next Page
To Previous Page IconTo Previous Page
To Previous Page IconTo Previous Page
Loading...
45
EFE 2500A /AF - 4000A/AS/AN
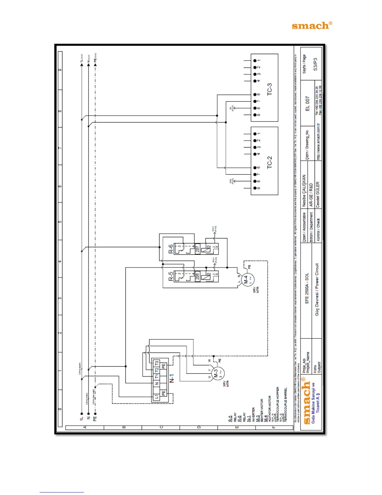
Figure 50

Related product manuals