EasyManua.ls Logo

Smach EFE 2500A - Efe 4000 A;As

Smach EFE 2500A
52 pages
Print Icon
To Next Page IconTo Next Page
To Next Page IconTo Next Page
To Previous Page IconTo Previous Page
To Previous Page IconTo Previous Page
Loading...
47
EFE 2500A /AF - 4000A/AS/AN
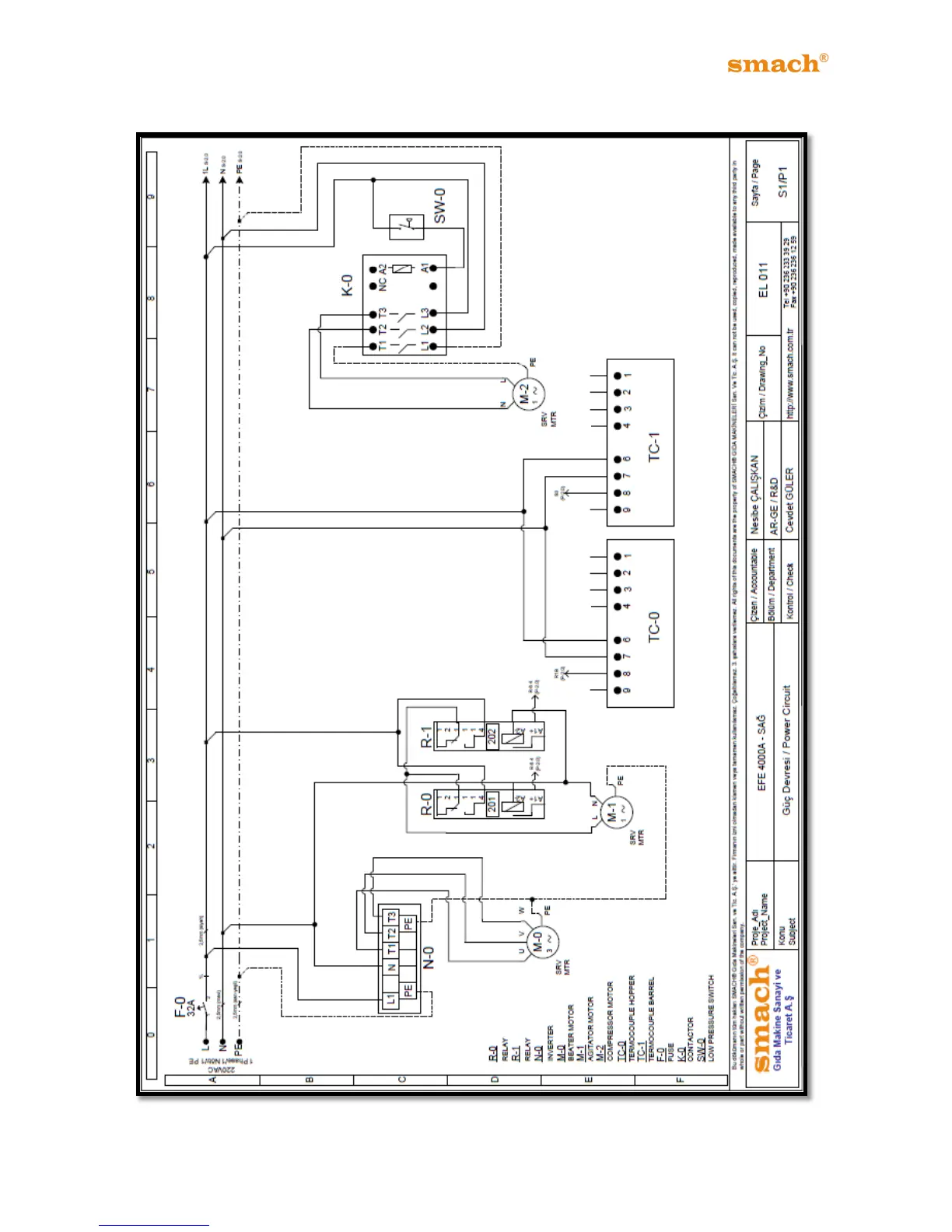
16.2 EFE 4000A/AS/AN
Figure 52

Related product manuals