EasyManua.ls Logo

Sodi GT4 - Page 32

Sodi GT4
49 pages
Print Icon
To Next Page IconTo Next Page
To Next Page IconTo Next Page
To Previous Page IconTo Previous Page
To Previous Page IconTo Previous Page
Loading...
32
USER MAINTENANCE GUIDE
ADJUSTMENT AND MAINTENANCE OF THE CHASSIS
Keep go-kart in original configuration
Use spare parts of Sodikart origin
This document can not be reproduced or released without the Sodikart authorization.MAN.GT4.EN.01
GT4
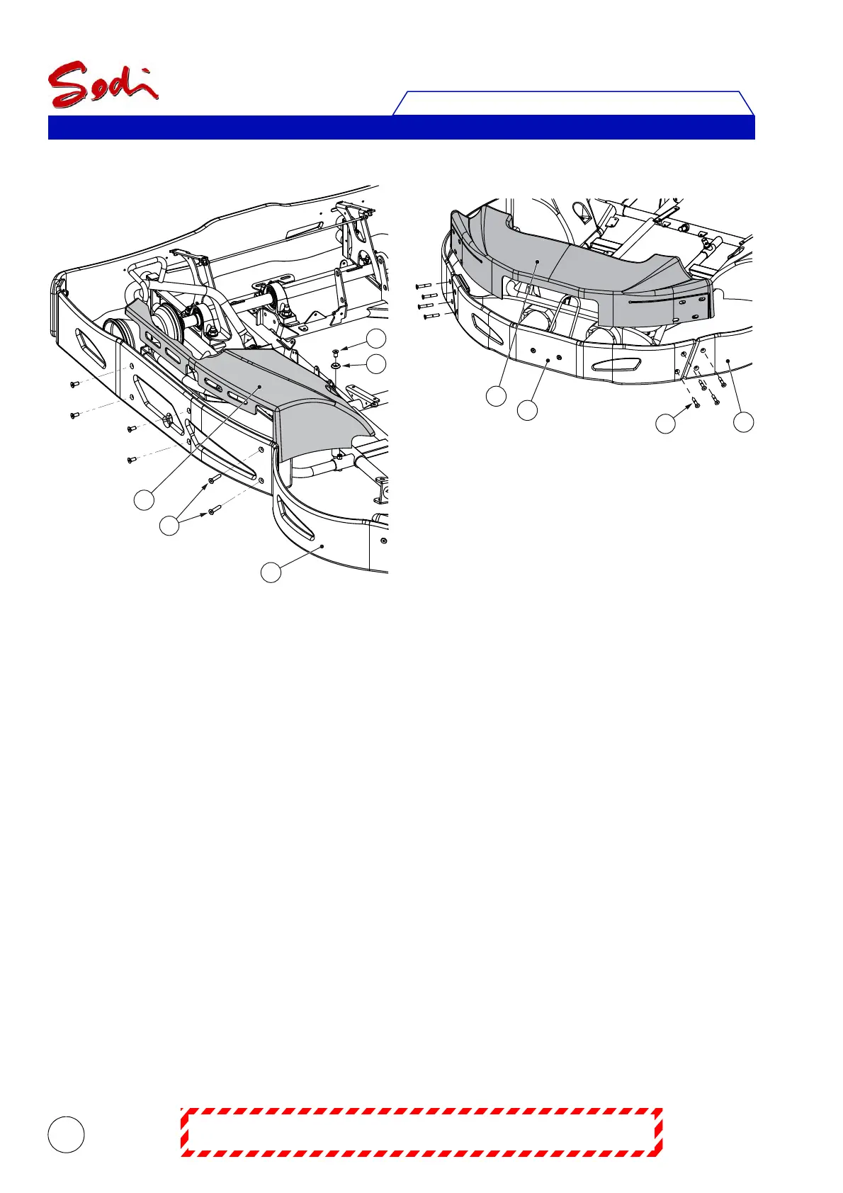
Step 3
Legend
1 Right side pod
2 Screw
3 Cup washer
4 Side protection
5 Screw
Place the cup washer (3) on the right side pod (1).
Pass the right side pod (1) between the chassis and
the side protection (4).
Tighten the screw (2) and the screws (5) to immobilise
the right side pod (1).
5
3
2
4
1
Step 4
Legend
1 Spoiler
2Screw
3 Front protection
4 Side protection
Place the spoiler (1) against the front protection (3)
and the side protections (4).
Tighten the assembly using the screws (5).
2
1
3
4

Table of Contents