EasyManua.ls Logo

Sony BRC-300 - Operating Multiple BRC-300;300 P Cameras from a Long Distance

Sony BRC-300
68 pages
Print Icon
To Next Page IconTo Next Page
To Next Page IconTo Next Page
To Previous Page IconTo Previous Page
To Previous Page IconTo Previous Page
Loading...
Overview
System Configuration
13
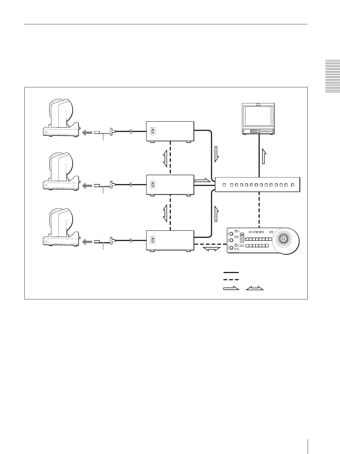
Operating Multiple BRC-300/300P Cameras from a Long Distance
This system allows you:
To operate up to seven cameras remotely from a distance up to 500 m (1,640 feet)
To perform pan/tilt and zoom operations comfortably using the joystick
To transmit the video signal and control signal of the cameras to a distant place using the Optical Fiber Cable
System configuration
,
BRC-300/300P
BRC-300/300P
BRC-300/300P
BRBK-303 Optical
Multiplex Card
BRBK-303
BRBK-303
BRU-300/300P
Optical Multiplex
BRU-300/300P
Video monitor, VTR, etc.
BRU-300/300P
Video switcher
RM-BR300 Remote Control Unit
CCFC-M100
Optical Fiber Cable
CCFC-M100
CCFC-M100
Video signal
Remote control (VISCA) signal
Signal flow

Table of Contents

Other manuals for Sony BRC-300

Related product manuals