EasyManua.ls Logo

Sony BVM-2011P - Page 241

Sony BVM-2011P
275 pages
Print Icon
To Next Page IconTo Next Page
To Next Page IconTo Next Page
To Previous Page IconTo Previous Page
To Previous Page IconTo Previous Page
Loading...
~
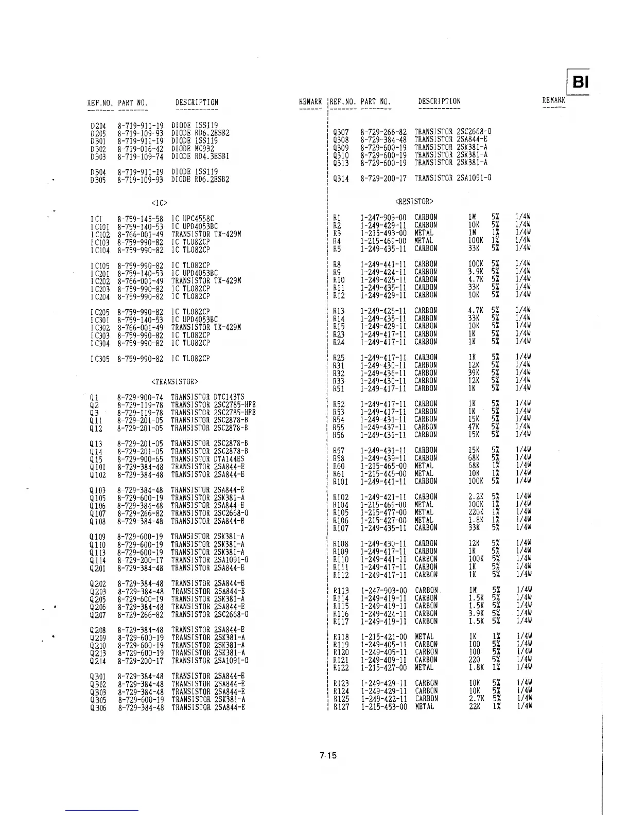
REF.NO. PART NO.
DESCRIPTION
REMARK REF.NO. PART NO.
DESCRIPTION
REMARK
------- --------
-----------
------- --------
-----------
D204
8-719-911-19
DIODE !SS119
D205
8-719-109-93
D !ODE RD6. 2ESB2
Q307 8-729-266-82
TRANSISTOR 2SC2668-0
D301
8-719-911-19
DIODE !SS119
Q308
8-729-384-48
TRANSISTOR 2SA844-E
D302
8-719-016-42
DIODE MC932
Q309
8-729-600-19
TRANSISTOR 2SK381-A
D303
8-719-109-74
DIODE RD4.3ESB1
Q310
8-729-600-19
TRANSISTOR 2SK381-A
Q313
8-729-600-19
TRANSISTOR 2SK381-A
D304 8-719-911-19
DIODE 155119
D305
8-719-109-93
DIODE RD6.2ESB2
Q314
8-729-200-17
TRANSISTOR 2SA1091-0
<IC>
<RESISTOR>
I Cl
8-759-145-58
IC UPC4558C
RI
1-247-903-00
CARBON
lM 5%
1/4W
I C!Ol
8-759-140-53
IC UPD4053BC
R2
1-249-429-11
CARBON
lOK 5%
1/4W
I C!02
8-766-001-49
TRANSISTOR TX-429M
R3
1-215-493-00
METAL
!M 1%
1/4W
I C103
8-759-990-82
IC TL082CP
R4
1-215-469-00
METAL
!DOK
1%
1/4W
I C104
8-759-990-82
IC TL082CP
R5
1-249-435-11
CARBON
33K 5%
1/4W
I C105
8-759-990-82
IC TL082CP
R8
1-249-441-11
CARBON
100K 5%
1/4W
I C201
8-759-140-53
IC UPD4053BC
R9 1-249-424-11
CARBON
3.9K 5%
1/4W
I C202
8-766-001-49
TRANSISTOR TX-429M
RIO
1-249-425-11
CARBON
4.7K 5%
1/4W
I C203
8-759-990-82
IC TL082CP
Rll
1-249-435-11
CARBON
m
5%
1/4W
I C204 8-759-990-82
IC TL082CP
R12
1-249-429-11
CARBON lOK
5%
1/4W
I C205
8-759-990-82
IC TL082CP
R13
l-249-425-11
CARBON
4.7K
5%
1/4W
I C301
8-759-140-53
JC llPD4053BC
R14
1-249-435-11
CARBON
33K 5%
1/4W
I C302
8-766-001-49
TRANSISTOR TX-429M
R15
1-249-429-11
CARBON
lOK 5%
1/4W
I C303
8-759-990-82
JC TL082CP
R23
1-249-417-11
CARBON lK
5%
l/4W
I C304
8-759-990-82
JC TL082CP
R24
1-249-417-11
CARBON
lK 5%
1/4W
I C305
8-759-990-82
IC TL082CP
R25
1-249-417-11
CARBON
!K 5%
1/4W
R31
1-249-430-11
CARBON 12K 5%
1/4W
R32 1-249-436-11
CARBON
39K 5%
1/4W
<iRANSISTOR>
R33
1-249-430-11
CARBON
12K
~ยท,
1/4W
J.
R51
1-249-417-11
CARBON
lK 5%
1/4W
111
8-729-900-74
TRANSISTOR DTC143TS
Q2 8-729-119-78
TRANSISTOR 2SC2785-HFE
R52
1-249-417-11
CARBON !K 5%
1/4W
Q3 8-729-119-78
TRANSISTOR 2SC2785-HFE
R53 1-249-417-11
CARBON !K 5%
1/4W
Ql I
8-729-201-05
TRANSISTOR 2SC2878-B
R54
1-249-431-11
CARBON 15K 5%
l/4W
Q12
8-729-201-05
TRANSISTOR 2SC2878-B
R55
1-249-437-11
CARBON
47K 5%
1/4W
R56
1-249-431-11
CARBON 15K 5%
1/4W
Q13 8-729-201-05
TRANSISTOR 2SC2878-B
Q14
8-729-201-05
TRANSISTOR 2SC2878-B
R57
1-249-431-ll
CARBON
15K 5%
l/4W
cm
8-729-900-65
TRANSISTOR DTA144ES
R58
1 -249-439-11
CARBON
68K 5%
1/4W
Q 101
8-729-384-48
TRANSISTOR 2SA844-E
R60
1-215-465-00
METAL
68K 1%
l/4W
Q102
8-729-384-48
TRANSISTOR 2SA844-E
R61
1-215-445-00
METAL
!OK 1%
1/4W
R!Ol
1-249-441-11
CARBON 100K 5%
1/4W
QI03
8-729-384-48
TRANSISTOR 2SA844-E
Q 105
8-729-600-19
TRANSISTOR 2SK381-A
R102
1-249-421-11
CARBON
2.2K
5%
1/4W
Q106
8-729-384-48
TRANSISTOR 2SA844-E
R104
1-215-469-00
METAL !DOK 1%
l/4W
Q107
8-729-266-82
TRANSISTOR 2SC2668-0
R105
1-215-477-00
METAL
220K 1%
1/4W
Q 108
8-729-384-48
TRANSISTOR 2SA844-E
R106
1-215-427-00
METAL
l. 8K 1%
1/4W
Rl07 1-249-435-11
CARBON
33K 5%
1/4W
Q 109
8-729-600-19
TRANSISTOR 2SK381-A
QllO
8-729-600-19
TRANSISTOR 2SK381-A
R108
1-249-430-11
CARBON
12K
5%
1/4W
Qll3
8-729-600-19
TRANSISTOR 2SK381-A
Rl09
1-249-417-11
CARBON !K 5%
l/4W
Qll4 8-729-200-17
TRANSISTOR 2SA1091-0
RllO
1-249-441-11
CARBON
100K 5%
1/4W
Q201
8-729-384-48
TRANSISTOR 2SA844-E
Rll 1
l-249-417-11
CARBON
lK 5%
1/4W
Rl 12 1-249-417-11
CARBON lK 5%
1/4W
Q202
8-729-384-48
TRANSISTOR 2SA844-E
Q203
8-729-384-48
TRANSISTOR 2SA844-E
Rll3
1-247-903-00
CARBON lM 5%
l/4W
Q205
8-729-600-19
TRANSISTOR 2SK381-A
Rll4 1-249-419-11
CARBON
1. 5K 5%
l/4W
Q206
8-729-384-48
TRANSISTOR 2SA844-E
Rll5 1-249-419-11
CARBON
1. 5K 5%
1/4W
Q207
8-729-266-82
TRANSISTOR 2SC2668-0
Rll6
1-249-424-11
CARBON
3.9K 5%
1/4W
RI 17
l-249-419-11
CARBON
1.5K 5%
1/4W
Q208
8-729-384-48
TRANSISTOR 2SA844-E
Q209
8-729-600-19
TRANSISTOR 2SK381-A Rll8
1-215-421-00
METAL
!K
1%
1/4W
Q210
8-729-600-19
TRANSISTOR 2SK381-A
Rll9
1-249-405-11
CARBON 100 5%
1/4W
Q213
8-729-600-19
TRANSISTOR 2SK381-A
R120
1-249-405-11
CARBON
100
5%
l/4W
Q214
8-729-200-17
TRANSISTOR 2SA1091-0
R121
1-249-409-11
CARBON 220
5%
1/4W
R122
1-215-427-00
METAL 1.8K 1%
l/4W
Q301
8-729-384-48
TRANSISTOR 2SA844-E
Q302
8-729-384-48
TRANSISTOR 2SA844-E
Rl23
1-249-429-11
CARBON lOK
5%
1/4W
Q303
8-729-384-48
TRANSISTOR 2SA844-E
R124 1-249-429-11
CARBON !OK 5%
l/4W
Q305
8-729-600-19
TRANSISTOR 2SK381-A
R125 l-249-422-11
CARBON 2.7K 5%
1/4W
Q306
8-729-384-48
TRANSISTOR 2SA844-E
Rl27
1-215-453-00
METAL 22K 1%
1/4W
7-15

Table of Contents

Related product manuals