EasyManua.ls Logo

Sony BVM-2011P - Page 267

Sony BVM-2011P
275 pages
Print Icon
To Next Page IconTo Next Page
To Next Page IconTo Next Page
To Previous Page IconTo Previous Page
To Previous Page IconTo Previous Page
Loading...
~~
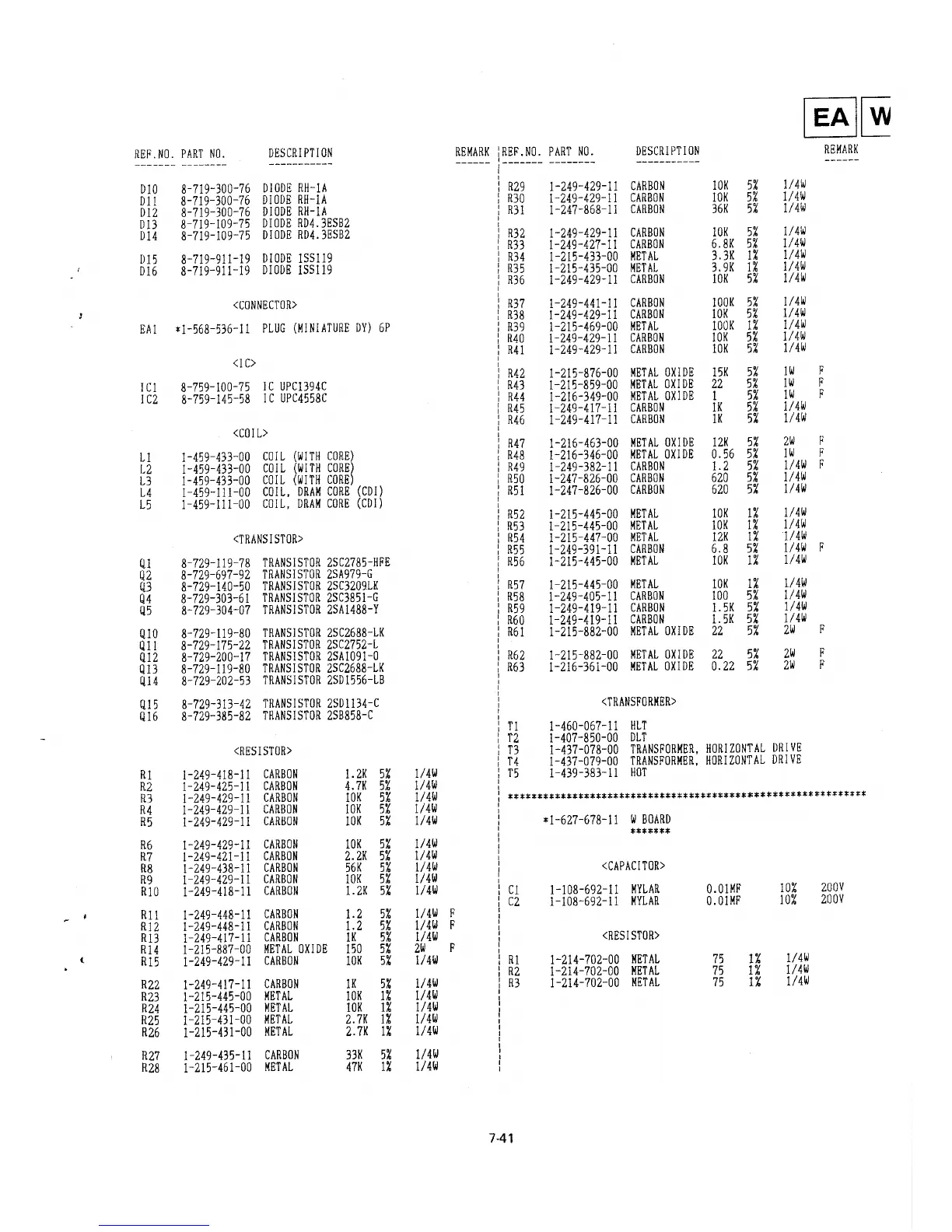
REF.NO. PART NO.
DESCRIPTION
REMARK
REF.NO. PART NO.
DESCRIPTION
REMARK
------- --------
-----------
------- --------
-----------
DIO
8-719-300-76
DIODE RH-IA
R29
1-249-429-11
CARBON
!OK
5%
l/4W
Dll
8-719-300-76
DIODE RH-IA
R30
1-249-429-11
CARBON
!OK 5%
1/4W
D12
8-719-300-76
D !ODE RH-IA
R31
1-247-868-11
CARBON
36K 5%
I/4W
DI3
8-719-109-75
D !ODE RD4. 3ESB2
D14
8-719-109-75
D !ODE RD4. 3ESB2
R32
I -249-429-11
CARBON
!OK 5%
1/4W
R33
I-249-427-11
CARBON
6.8K 5%
I/4W
Dl5
8-7!9-9II-19
DIODE ISSI19
R34
1-215-433-00
METAL
3.3K 1%
I/4W
DI6
8-7!9-91I-19
DIODE ISSil9
R35
1-215-435-00
METAL
3.9K 1%
I/4W
R36
I-249-429-11
CARBON
lOK 5%
I/4W
<CONNECTOR>
R37
1-249-441-11
CARBON
IOOK
5%
I/4W
R38
I-249-429-11
CARBON
lOK 5%
I/4W
EAi
*1-568-536-11
PLUG
(MINIATURE DY) 6P
R39
I-215-469-00
METAL
!DOK 1%
I/4W
R40
I-249-429-11
CARBON
!OK 5%
I/4W
R41
1-249-429-11
CARBON
lOK
5%
I/4W
<IC>
R42
I-215-876-00
METAL OXIDE
15K 5%
!W
F
IC!
8-759-100-75
IC UPCl394C
R43
I-215-859-00
METAL OXIDE 22
5%
IW
F
I C2
8-759-145-58
IC UPC4558C
R44
I-216-349-00
METAL OXIDE 1
5%
IW
F
R45
I-249-417-11
CARBON
!K 5%
I/4W
R46
I-249-417-11
CARBON
IK 5%
I/4W
<COi L>
R47
I-216-463-00
METAL OXIDE
12K 5%
2W
F
LI
I-459-433-00
COIL (WITH CORE)
R48
I-216-346-00
METAL OXIDE
0.56 5%
!W
F
L2
I-459-433-00
COIL (WITH CORE)
R49
I-249-382-11
CARBON 1.2
5%
I/4W F
L3
I-459-433-00
COIL (WITH CORE)
R50
I-247-826-00
CARBON 620
5%
l/4W
L4 I-459-111-00
COIL, DRAM CORE (CDI)
R51
I-247-826-00
CARBON 620
5%
1/4W
L5
I-459-lll-OO
COIL, DRAM CORE (CDI)
R52
1-215-445-00
METAL
lOK 1%
I/4W
R53
I-215-445-00
METAL
lOK 1%
I/4W
<TRANSISTOR>
R54
I-215-447-00
METAL 12K
1%
I/4W
R55
I-249-391-11
CARBON
6.8 5%
I/4W F
QI 8-729-119-78
TRANSISTOR 2SC2785-HFE
R56
I-215-445-00
METAL
!OK
1%
I/4W
Q2 8-729-697-92
TRANSISTOR 2SA979-G
0.3
8-729-140-50
TRANSISTOR 2SC3209LK
R57
1-215-445-00
METAL
lOK 1%
1/4W
Q4 8-729-303-61
TRANSISTOR 2SC385!-G
R58
I-249-405-11
CARBON 100 5%
1/4W
Q5 8-729-304-07
TRANSISTOR 2SA1488-Y
R59
I-249-419-II
CARBON
I. 5K 5%
I/4W
R60
I-249-419-11
CARBON
I. 5K 5%
I/4W
Q,10 8-729-II 9-80
TRANSISTOR 2SC2688-LK
R61
1-215-882-00
METAL OXIDE 22 5%
2W
F
QI!
8-729-175-22
TRANSISTOR 2SC2752-L
QI2
8-729-200-17
TRANSISTOR 2SAI09I-D
R62
I-215-882-00
METAL OXIDE 22
5%
2W
F
Q,13 8-729-119-80
TRANSISTOR 2SC2688-LK
R63
1-216-361-00
METAL OXIDE 0.22 5%
2W
F
Ql4 8-729-202-53
TRANSISTOR 2SD!556-LB
Q,15
8-729-313-42
TRANSISTOR 25D1134-C
<TRANSFORMER>
Q16
8-729-385-82
TRANSISTOR 2SB858-C
Tl
1-460-067-11
HLT
T2
1-407-850-00
DLT
<RESISTOR>
T3
I-437-078-00
TRANSFORMER, HORIZONTAL DRIVE
T4 I-437-079-00
TRANSFORMER, HORIZONTAL DRIVE
RI
I-249-418-11
CARBON 1.2K 5%
I/4W
T5
1-439-383-11
HOT
R2
I-249-425-11
CARBON
4.7K
5%
I/4W
R3
1-249-429-11
CARBON !OK 5%
I/4W
*************************************************************
R4
I-249-429-11
CARBON !OK 5%
I/4W
R5
I-249-429-11
CARBON lOK 5%
I/4W
*1-627-678-11
W BOARD
*******
R6
I-249-429-11
CARBON lOK
5%
I/4W
R7
1-249-421-11
CARBON
2.2K
5%
I/4W
RS
1-249-438-II
CARBON 56K 5%
I/4W
<CAPACITOR>
R9
I-249-429-11
CARBON lOK
5%
1/4W
RIO
I-249-418-11
CARBON 1.2K 5%
I/4W Cl
I-108-692-11
MYLAR
O.OIMF
10%
200V
CZ
I-108-692-11
MYLAR O.O!MF
10%
200V
Rll
I-249-448-11
CARBON
1.2
5%
I/4W
F
R!2
I-249-448-11
CARBON I. 2
5%
I/4W F
Rl3
I-249-417-11
CARBON lK 5%
I/4W
<RES! STOR>
RI4
1-215-887-00
METAL OXIDE 150 5%
2W
F
l
Rl5
I-249-429-11
CARBON lOK 5%
I/4W
RI
1-214-702-00
METAL 75 1%
I/4W
R2
I-214-702-00
METAL 75 1%
I/4W
R22
I-249-417-II
CARBON !K 5%
1/4W R3
1-214-702-00
METAL 75 1%
I/4W
R23
I-215-445-00
METAL !OK 1%
I/4W
R24
I-215-445-00
METAL
!OK 1%
I/4W
R25
1-215-431-00
METAL 2.7K
1%
1/4W
R26
J-215-431-00
METAL 2.7K 1%
1/4W
R27
1-249-435-II
CARBON
33K
5%
I/4W
R28
1-215-461-00
METAL 47K 1%
I/4W
7-41

Table of Contents

Related product manuals