EasyManua.ls Logo

Sony CDP-XE220 - Printed Wiring Board - Main Section

Sony CDP-XE220
32 pages
Print Icon
To Next Page IconTo Next Page
To Next Page IconTo Next Page
To Previous Page IconTo Previous Page
To Previous Page IconTo Previous Page
Loading...
– 15 –
– 16 –
CDP-XE220/XE320
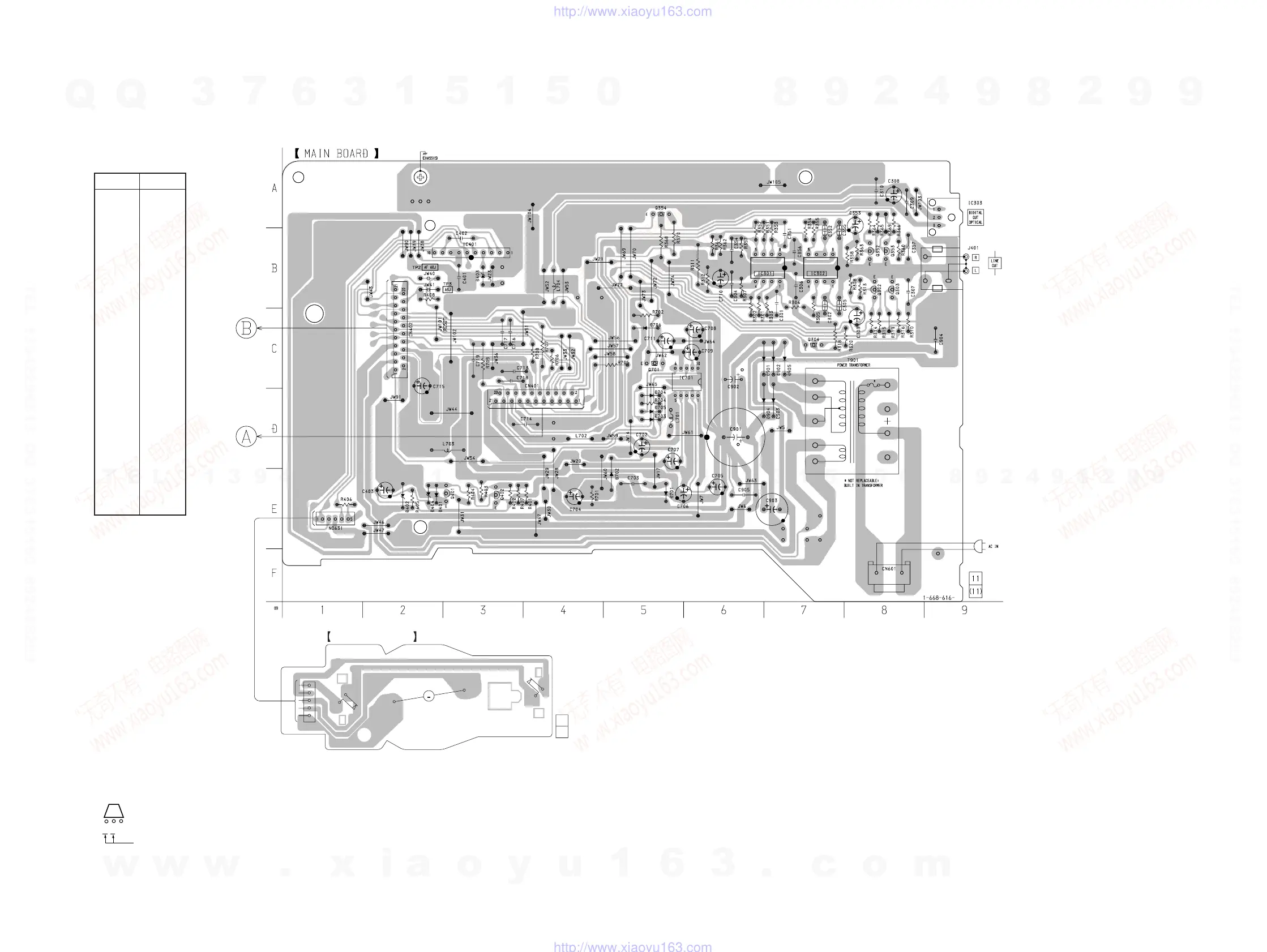
6-4. PRINTED WIRING BOARD – MAIN SECTION –
• See page 10 for Circuit Boards Location.
Ref. No. Location
Semiconductor
Location
D401 E-2
D402 E-2
D403 B-3
D404 E-2
D701 E-5
D702 E-5
D703 D-5
D704 D-5
D705 D-5
D706 C-5
D901 C-7
D902 C-7
D903 D-7
D904 D-7
D905 C-7
IC301 B-7
IC302 B-7
IC303 A-9
IC401 B-3
IC701 C-6
Q302 B-8
Q303 B-8
Q304 C-7
Q352 B-8
Q353 B-8
Q354 A-5
Q401 E-3
Q402 E-3
Q701 C-5
Indication of transistor
C
These are omitted
EB
12
(21)
S152
LOAD
IN
S151
LOAD
OUT
CN151
1
5
M151
LOADING
MOTOR
M
LOADING BOARD
1-645-721-
(Page 20)
(Page 11)
w
w
w
.
x
i
a
o
y
u
1
6
3
.
c
o
m
Q
Q
3
7
6
3
1
5
1
5
0
9
9
2
8
9
4
2
9
8
T
E
L
1
3
9
4
2
2
9
6
5
1
3
9
9
2
8
9
4
2
9
8
0
5
1
5
1
3
6
7
3
Q
Q
TEL 13942296513 QQ 376315150 892498299
TEL 13942296513 QQ 376315150 892498299
http://www.xiaoyu163.com
http://www.xiaoyu163.com

Other manuals for Sony CDP-XE220

Related product manuals