EasyManua.ls Logo

Sony CFD-S700 - Schematic Diagrams POWER SUPPLY Section

Sony CFD-S700
48 pages
Print Icon
To Next Page IconTo Next Page
To Next Page IconTo Next Page
To Previous Page IconTo Previous Page
To Previous Page IconTo Previous Page
Loading...
CFD-S700
3030
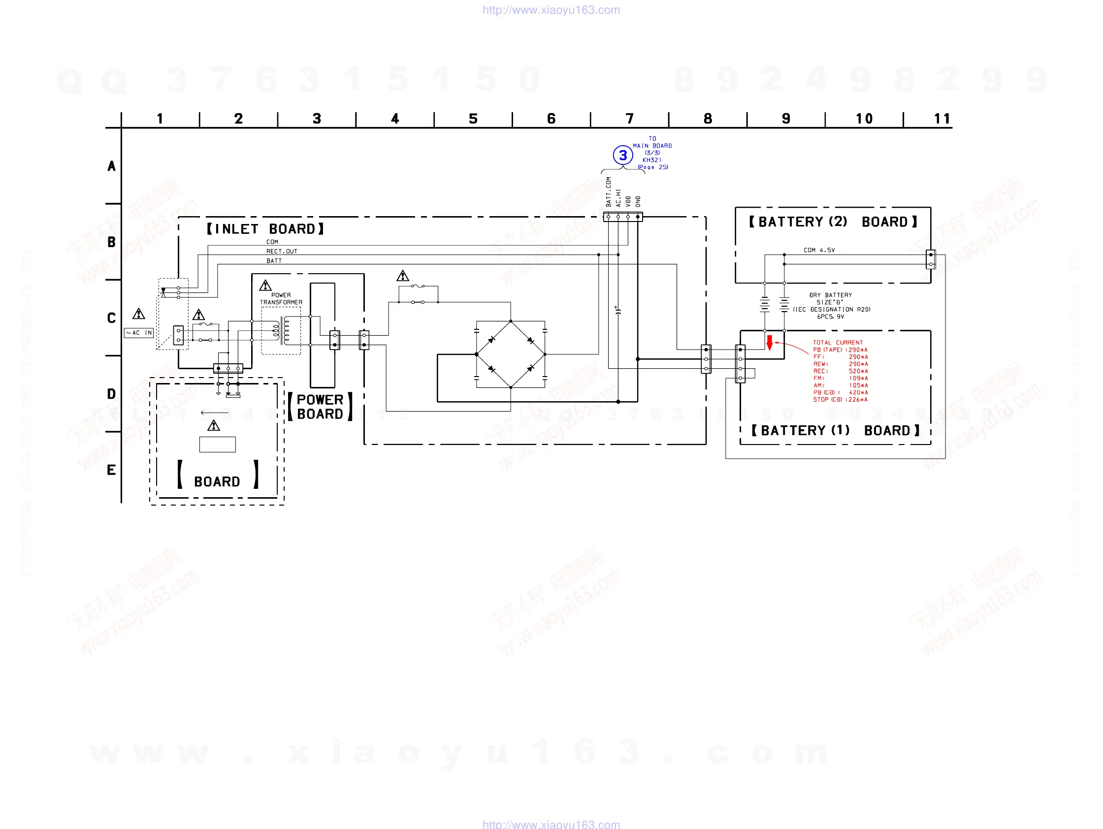
6-16. Schematic Diagrams — POWER SUPPLY Section — • Refer to page 20 for Common Note on Schematic Diagrams.
CNP901
CNP904
CNJ901
KH903
KH905
CNP903
C904
C903
C902
C901
JW923
JW921
CNP902
T901
D902
D901D903
D904
C906
3P
2P
2P
2P
4P
0.022
0.022
0.022
0.022
4P
2A02M
2A02M2A02M
2A02M
10
50V
F902 F902
4A/125V : CND,E92,MX
3.15A/250V : E15,SP
F901
F901
0.5A/250V
E15
220-240V 110-120V
S901
VOLTAGE
SELECTOR
E15
SELECTION
Ver 1.1 2003.03
w
w
w
.
x
i
a
o
y
u
1
6
3
.
c
o
m
Q
Q
3
7
6
3
1
5
1
5
0
9
9
2
8
9
4
2
9
8
T
E
L
1
3
9
4
2
2
9
6
5
1
3
9
9
2
8
9
4
2
9
8
0
5
1
5
1
3
6
7
3
Q
Q
TEL 13942296513 QQ 376315150 892498299
TEL 13942296513 QQ 376315150 892498299
http://www.xiaoyu163.com
http://www.xiaoyu163.com

Related product manuals