EasyManua.ls Logo

Sony CFD-S700 - Printed Wiring Boards - PRE Board; Schematic Diagram - PRE Board

Sony CFD-S700
48 pages
Print Icon
To Next Page IconTo Next Page
To Next Page IconTo Next Page
To Previous Page IconTo Previous Page
To Previous Page IconTo Previous Page
Loading...
CFD-S700
2626
•Voltage and waveforms are dc with respect to ground
under no-signal (detuned) conditions.
no mark : FM
(): PB
<>: REC
[]: CD PLAY
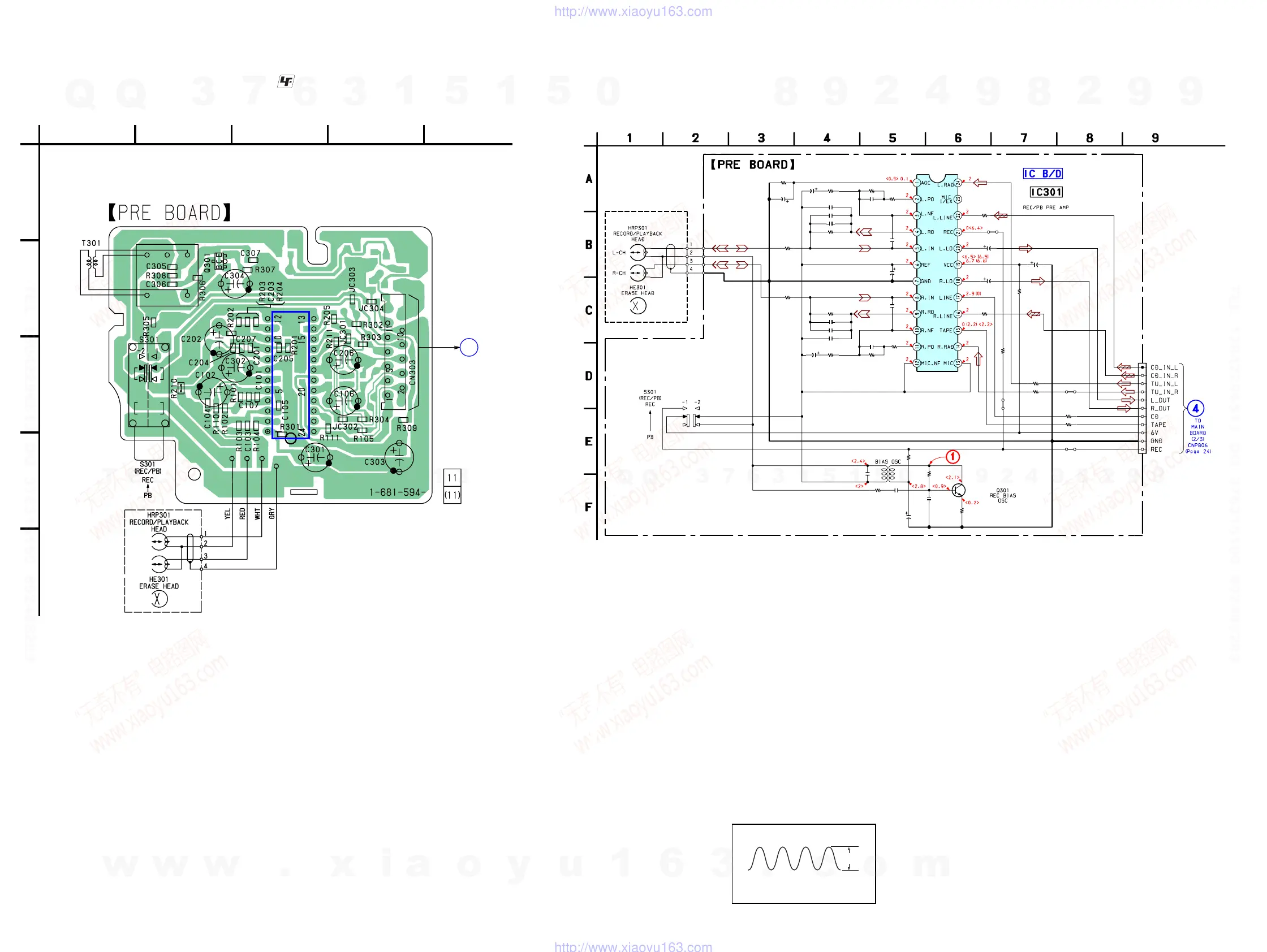
6-11. Printed Wiring Boards — PRE Board —
• Refer to page 17 for Circuit Boards Location and page 20 for Common Note on Printed Wiring Boards.
• Waveform
4Vp-p
1
Q301
C
(REC)
0.1V/div 5µsec/div
19.5µsec
6-12. Schematic Diagram — PRE Board —
• Refer to page 20 for Common Note on Schematic Diagrams and page 33 for IC Block Diagrams.
1
A
B
C
D
E
2345
L-CH
R-CH
4
MAIN BOARD
CNP806
(Page 22)
IC301
: Uses unleaded solder.
R301
C301
R110
C102
R101
C302
C205R201R210
C202
R302
R303
R205
R105
R30
4
R309
C206
C303
C106
IC301
R307
C304
R306
T301
R305
R203R202
R204
R104
R103
R102
R308
C105
C103
C203
C204
C306
C104
C107
C307
JC302
JC301
JC304
JC303
C101
C207
C201
R111
R211
CN303
Q301
C305
1M
100
10V
100
47 10V
15k
100 10V
47p15k100
47 10V
4.7k
4.7k
15k
15k
1k
47
1 50V
100 10V
1 50V
TA2068N
10
47
10V
6.8k
150
68k68
2.2k
2.2k
68k
68
22k
47p
0.047
0.047
2200p
0.01
2200p
470p
2200p
1000p
470p
1000p
33k
33k
11P
2SC2412K-T
-146-QR
470p
w
w
w
.
x
i
a
o
y
u
1
6
3
.
c
o
m
Q
Q
3
7
6
3
1
5
1
5
0
9
9
2
8
9
4
2
9
8
T
E
L
1
3
9
4
2
2
9
6
5
1
3
9
9
2
8
9
4
2
9
8
0
5
1
5
1
3
6
7
3
Q
Q
TEL 13942296513 QQ 376315150 892498299
TEL 13942296513 QQ 376315150 892498299
http://www.xiaoyu163.com
http://www.xiaoyu163.com

Related product manuals