EasyManua.ls Logo

Sony CHC-P11 - Page 23

Sony CHC-P11
64 pages
Print Icon
To Next Page IconTo Next Page
To Next Page IconTo Next Page
To Previous Page IconTo Previous Page
To Previous Page IconTo Previous Page
Loading...
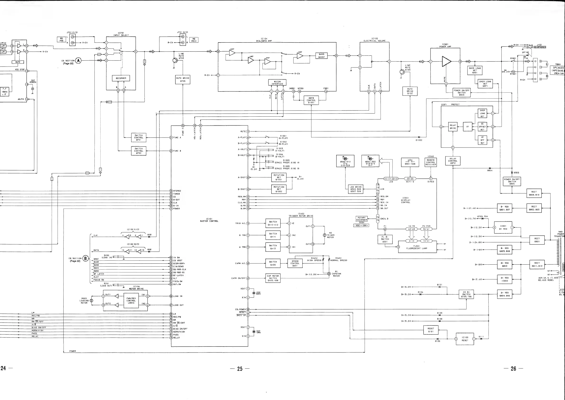
3701
172)
L
10701
INPUT
SELECT
J701
(272)
GEQ.
IC104
ABFA
AMP
INBB!
NFBBI
CONTROL
g1ost
110s
ELECTRICAL
VOLUME
1c901
POWER
AMP.
LINE
MUTE
Q103
OVER LOA®
BET
qago1
OVER LOAD
BET
ag71
POWER
ON/OFF
SWITCH
ag03
1cg971
R-CH
CB
SECTION
(Page
22)
BRIVE
X42
450KHz
05
oO
9
z
5
SWITCH
2
CONTROL
Qi)
FUNC
A
701
SWITCH
CONTROL
(22)
FUNC
B
a702
-
f
Ee
a
~
_
—_{_|
__
~
al
eae
iE,
=
a,
=
eS
os
(4)
8-0UT
ae
+—
38)
CLK
(39)
8-1N
-
14)
POWER
SECTION
(Page
22)
M903
LOADING
MOTOR
LM
10102
(172)
‘%
0103
é
CLK
4
o<]
3
7o<]
1
>
10102
(2/2)
9102
a
BATA
10
q
W112
<j
13
>
$292
xrst
(LOAD
IN)
O-
(35)
IN
SW
“sor
=
-
13)
CO
XRST
“SENS
(74)
SCOR<aSP>
sack
(27)
C
IN/SENS
cose
35)
S0-RAS-CLK
BF
LATCH
(34)
5a-RaS-81
*xuaT
3)
BF-LATCH
Focus
SW
-
30)
XLT
|-
SI)
FOCS.
SW
$291
7
tedy
tcoaa
out)
Lo
icig
(34)
ov
eg
pm
lee
(0)
OUT2
<
MOTOR
@RIVE
FWA/REV
CONTROL
LOGIC
ral
©)
REC/PB
NR
RM
ON/OFF
A/B
BIAS
ON/OFF
NORM/HIGH
PASS
RELAY
POWER
(88)
LOAD
IN
67)
LOA®
OUT
VOL-LATCH
G)
REG.
LATCH
()
MASTER
CONTROL
PROTECT
ac
|
+
w—e—o——W
(B-HALF)
~
$1001
°
{A~PLAY)
~
$1002
=
(B-PLAY)
o—,
31003
°
(A-HALF)
°
$1006
bo
$1005
(ERACE PROOF.
SIDE
A)
$1009
Bt
(6.2)
pow
SY
cerace
PROOF,
SIDE
B)
ROTATION
B+
a
oe
(5.2)
ROTATION
CLK.
MG
(44
#1002
eat
REMOTE
CONTROL
SSO
508
RECEIVER
14-17*
20-21
LE@
ORIVE
9502,
503
Q507,
509
1¢501
ROY
BISPLAY
CONTROL
De
MG
(46
Be
GM
(45)
TRIG
H/L
(71)
B
TRG
(71)
A
TRG
(72)
CAPM
H/L
(68)
CAPM
ON/OFF
(9)
xouT
()
XIN
(6)
CB.
POWER
(28
10402
TRIGGER
MOTOR
BRIVE
BACK
UP
(8
xouT
(2)
XING)
OFFSET
BET
>t
2904
%
0903
ON/OFF
TCH
104
B-
REG
B-
(-27.4V)
0801,
807
TBSO1
SPEAKER
INPEBANC
USE4~160
RECT
0809,
810
RECT
8802,
803
0703,
704
Seanane
B+
(10.7V)
SWITCH
3530
410-412
"Ka
pot
Bt
(12.
3V)
Te01
M2
POWER
®
en
Bt
(12.3V)
=
TRANSFOI
=
(-24.8V)
VF
2
=
FLSOI
FLUORESCENT
LAMP
B-
REG
uF
Bee
aos,
808
RV652
RV651
f
ae
(HIGH
SPEE®)
(NORMAL
SPEE®)
mrehey
aii
B+
REG
RECT
d
aea8
as02
B11,
B12
a
ag
Mt
VF
ss
B+
(12.3)
(f)
CAPSTAN
oe
3
CAP
MOTOR
MOTOR
SWITCH
AEP.
UK,
G.
IT,
AED?
Q405,
408
EE,
AUS
MODEL
|
|
Bt
(5.2V)
ee
=
ih
B+
(5.2V)
gwiTcH
piece
ae
:
HY,
S
a105,
106
9804,
806
-
a1og
-
B+
(5.
2V)
8108
BH
(5.
2V)
<——
+
?
RESET
me
X101
oS
Teh
Qiot
>
8120

Related product manuals