EasyManua.ls Logo

Sony CHC-P11 - Printed Wiring Boards - TCB Section; Schematic Diagram - TCB Section wo

Sony CHC-P11
64 pages
Print Icon
To Next Page IconTo Next Page
To Next Page IconTo Next Page
To Previous Page IconTo Previous Page
To Previous Page IconTo Previous Page
Loading...
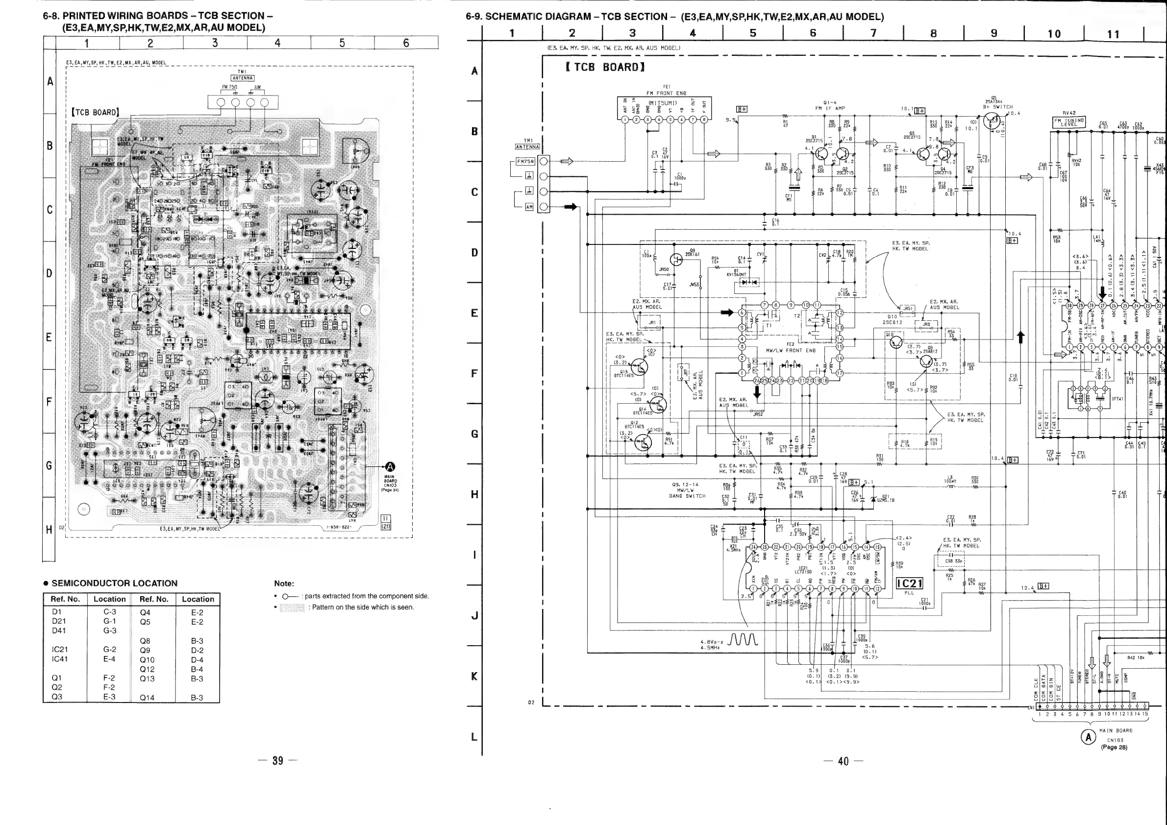
6-8.
PRINTED
WIRING
BOARDS
—TCB
SECTION
(E3,EA,MY,SP,HK,
TW,E2,MX,AR,AU
MODEL)
i.
|
3
4
|
|
!
1
{
i
|
|
|
@
SEMICONDUCTOR
LOCATION
Ref.
No.
£3,EA,MY,
SP, HK, TW,
E2,MX,AR,
AU,
MODEL
{TcB
BOARD]
FM
759.
AM
Location
Location
Note:
*
©—-:
parts
extracted
from
the
component
side.
:
Pattern
on
the
side
which
is
seen.
mY
MAIN
BOARD
CNIO3
(Page
34)
1-658-
822-
[TCB
BOARD]
3
4
(£3,
EA,
MY.
SP,
HK, TW,
£2, MX,
AR,
AUS
MODEL)
FEI
FM
FRONT
END
6
FM
6-9.
SCHEMATIC
DIAGRAM
TCB
SECTION
(E3,EA,MY,SP,HK,TW,E2,MX,AR,AU
MODEL)
rs
8
Bt
SWITCH
10
mt
RV42
E2,
MX.
AR.
AUS
MODEL
‘Cel
C=
E3, EA.
MY, SP,
AUS
MODEL
7
RT
E20
MX,
AR,
£2,
MX,
AR,
E3, EA,
MY.
SP,
\
HK,
TW
MOBEL
E2,
MX, AR,
RS!
|
AUS
MOBEL
°
Qi0
——
11
+7)
99
<3,
7>
25A812
Oars
ie
(3)
|
poz
=
<5.7>
922
|
|
|
4
|
|
(3.7)
RSS
i
<3.7>
35
!
|
|
l
Cés
C63
0-01
4900»
15855
C40.
0.03:
“8
mk
]
<0]
=
hy
{
C67
FIS
100
1OV
gd
id
Sov
|+
+
41+
+
R53,
Lal
10k
iH
5
&>
A
Aa
A
2
<3.
-
ren
ale
ae
3
ree
lke
fe
fee
3| a]
2
é|
|
3
-—t-__—@
NK
Ses
M
o
N
Nn
ra
rs
8
eMac
EA
=
=o
Em
£V
z
eo
nal
X41
10.
7MHz
AU
E3, EA,
MY,
SP,
pea
be
ai7
-
+
HK,
TW
MODEL
baa
By
114£S
4
els
|<
1]
|esez
204
ay
a
to
Fa
AREA
<0?
ag.
|
8
I
as
|
om
47k
LS
|
=
ui
=
ea
obi
|
67
y
‘hc
tl
ir
C7
"
=
BB!
ar
re
E3,
EA,
MY,
SP,
oe
as
be
°
HK,
TW
MOBEL
7
C29
=
13
R30
Qacie=ie
0.01
1ev
[B+]
S.1
100eH
330
¥
mi
LORY
MW/LW
026
“r
=
cao
=
BAND
SWITCH
47
+!
21
0.01
Td
1éV
UZMS.
1B
c22 R28
0.01
1k
c24
J
it
aM
33
ce
E3, EA,
MY, SP,
HK,
TW
MODEL
ane
ra
C38
33p!
Ss
[
R25
tk
R26
47k
R27
10k
AM
4.8Vp-p
FAL
4.5MHz
C39
1000p
5.6
(0.1)
C37
<5.7>
42
10k
16
il
We
5.81.
Ort
tel
3
|e
|g
.D}
B.2
3.9
<
SB
AE
le
i
few
IE
<0.14
<0.1><9.9>
MIS|Z
a
I
lo fo
je
fo
je
[8
O}S/a|w
oO
Pd Be Pm
Ey
able
The
OlYO}O[HO
=
ee
ee
ee
i
eee
2345
67
8
9101112131415
7
~~
MAIN
BOARD
CNI03
(Page
28)

Related product manuals