EasyManua.ls Logo

Sony CHC-P11 - Circuit Board Location Occ

Sony CHC-P11
64 pages
Print Icon
To Next Page IconTo Next Page
To Next Page IconTo Next Page
To Previous Page IconTo Previous Page
To Previous Page IconTo Previous Page
Loading...
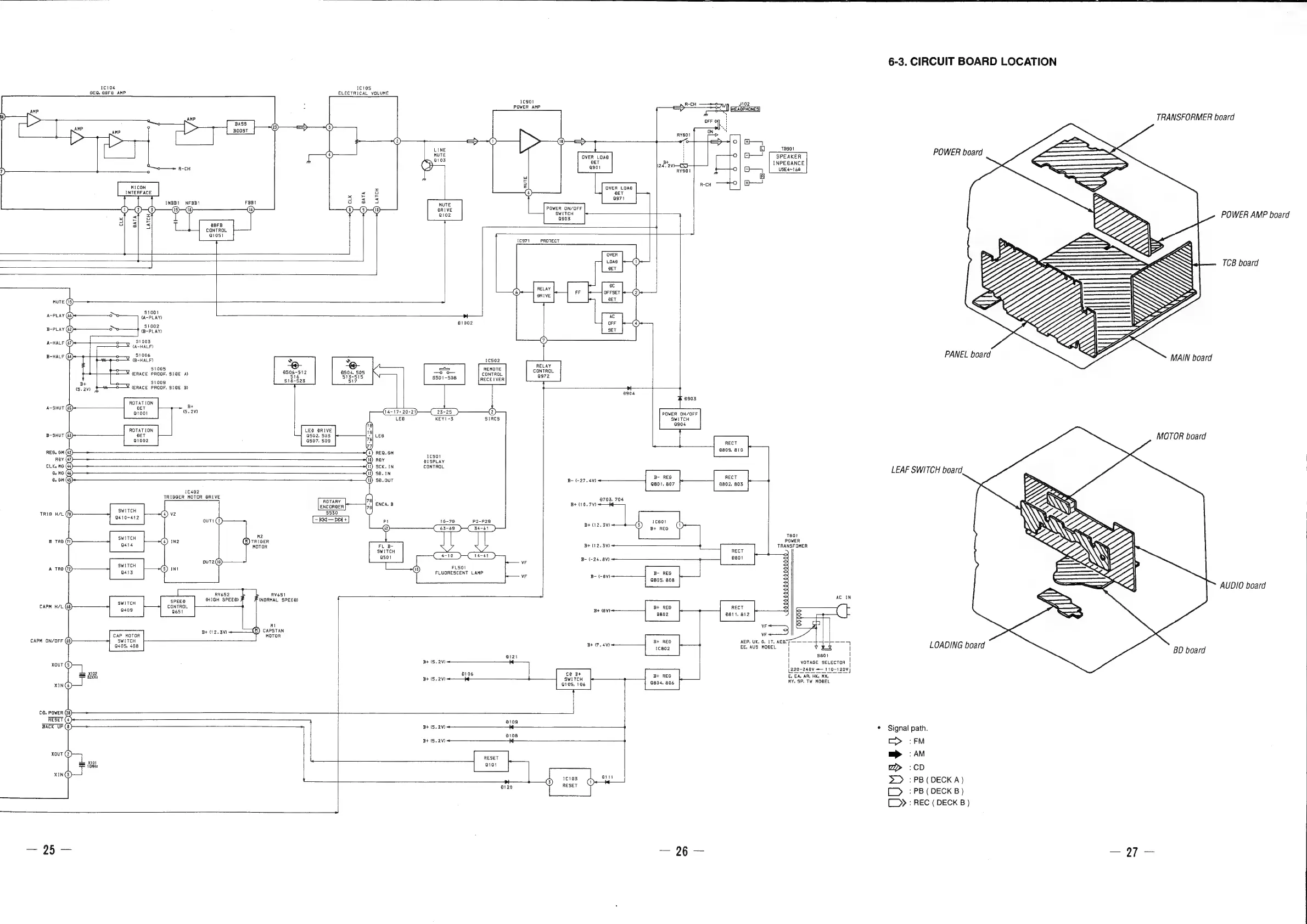
6-3.
CIRCUIT
BOARD
LOCATION
1C104
Ic10s
GEQ.
@BFA
AMP
ELECTRICAL
VOLUME
1c901
RCH
102
POWER
AMP
f
=>
<N
|]
ERBPHONES|
TRANSFORMER
board
LINE
TBO!
BUTE
OVER
LOA®
SPEAKER
POWER
board
Q1os
SET
INPE®ANCE
asor
USE4~160
OVER LOAD
ET
Qg71
INBB1
NFBBt
POWER
ON/OFF
SWITCH
POWER
AMP
board
Ic971__
PROTECT
TCB
board
MUTE
(15
~—
o
$1001
a-PLAY
@)
o-O———
>
(A-
PLAY)
>t
51002
£1002
B-PLAY
(62)
nee
AHALF
@)
ee
ai
d
=
$1006
PANEL
board
mane
@
oy
006,
=
MAIN
board
$1005
REMOTE
+
W
(GRACE PROOF.
SIDE
A)
a
ree
CONTROL
518-523
RECEIVER
B+
$1009
s.2v)
$-M—S—Y
(eRACE
PROOF,
S1BE
BI
304
&
0903
ROTATION
Bt
(5.2V)
POWER
ON/OFF
SWITCH
ago4
ROTATION
LE®
DRIVE
a502,
503
MOTOR
board
as07,
509
RECT
nes.
om
fet
9809,
810
Roy
(47)
RAY
SISPLAY
CLK.
MG
CONTROL
erie
:
LEAF
SWITCH
board
fs
B-
REG
RECT
ai
-
eee
10402
TRIGGER
MOTOR
DRIVE
8703,
704
ROTARY
Bt
(10.7V)
SWITCH
ENeoReER
Ten)
Q410-412
Bt
(12.3V)
Teor
SWITCH
M2
POWER
B
TRG
Gl)
®
een
Bt
(12.
3V)
TRANSFOMER
Ge
B-
(-24.8V)
7
aRe
SWITCH
Q413
FLUORESCENT
LAMP
VF B-
(-8v)
wane
ena
AUDIO
board
rves2)
ff
aRVeSI
—sl
AC
IN
Suite
SPELE.
(HIGH
SPEED)
(NORMAL
SPEE®)
fF
CAPM
H/L
(68)
eine
EONTROL:
B+
(8V)
M1
Bt
(12.3)
(f)
CAPSTAN
®
CAP
MOTOR
MOTOR
CAPM
ON/OFF
SWITCH
AEP,
UK,
G,
17.
AEB.
0405,
408
BH
(7.
4N)
EE,
AUS
MODEL
LOADING
board
4
|
BD
board
a12t
$80!
B+
(5.2)
VOTAGE
SELECTOR
moet
®
|
220-240v
=—
110-120V)
x102
D106
tee
|.
eee
he
SE
SP
baKhe
B+
(5.
2V)
+
SWITCH
By
fES
Fo
aahel
ognane
Nn@
0105,
106
0804,
806
CA.
POWER
(28)
———>
RESET
(4)
2109
BACK
UP
(8)
BE
(5.
2V)
—¢—$§$
+
*
Signal
path.
8108
B+
(5.
2)
<—__________+¢-—_
+
>
:FM
xout
(2)
p>
:AM
=
Ai
wZ>
:CD
XIN
©
>>
:PB(DECK
A)
[>
:PB(DECKB)
[>>
:
REC
(
DECK
B)
2
=F
cae
4
Cie