EasyManua.ls Logo

Sony CHC-P11 - Page 40

Sony CHC-P11
64 pages
Print Icon
To Next Page IconTo Next Page
To Next Page IconTo Next Page
To Previous Page IconTo Previous Page
To Previous Page IconTo Previous Page
Loading...
a,
[cer
oe
PB_AMP
B+]
1,
beh
PB
LEVEL
L
TAPE
SPEE®
TAPE
SPEED
(NORMAL)
(HIGH)
5
451
[B+]
12.3
2gavsas
MI
(i)
CAPSTAN
MOTOR
aés1
pe
~~]
CAPSTAN
MOTOR
CONTROL
|
M2
TRIGGER
MOTOR
I
cNea!
CAPM-
(C)
MAIN
BOARD
[
CAPM
HAL
CN401
CAPM+
(Page
28)
TRGM+
y|
TRGM-
J
[B
+]
2
V+_PB
J
APB_LCH
_|
APB_RCH
|
GNB_PB
BPB_LCH
BPB_RCH
V-_PB
RELAY
LARUE
A
REC_LCH
i
es
BIAS
;
LE
V-_BIAS
V+_BIAS
<4
REC_RCH
:
ee
;
me
x
]
VREF
_HX
BIAS_HX
HEABEARTH
_)
AVAL
)
2.2K
PB
LEVEL
R
Wh
rT}
7
aN
R612
(B-]
“8
226
0.7
C415
&
a]
-|
nea
PB
AMP
8
Ww
s)
€305
B+]
0
22
1ev
eaEa,
*
CASE
PB
LEVEL
L
PB
LEVEL
R
ro
V
an
uy
-1
REC/PB
SWITCH
C331
120a
5
L331
R331
[B+]
8
G3
133
7a.
W
332
330p
432
y
3300
1431
oH
—€<+
623
Ras
}
ae
BIAS
ON/OFF
:
621,
622
SWITCH
fe
a8.
BIAS
2501387
osc
6.8
1.6)
EEG
9621
8)
28¢2001
og?
“7.21
18¥
Tew
AN
3
ge
siv
3
C425
R621
-
0.0048
5.6
x
g
3
17
9622
-8
28C2001
2
1
CN602
Se
[
LEAF
SW
BOARD
]
Q1001
NJLS165K-A
I
mame
|
are
>
R102
7380
390
l
$1003
A
HALF
le
A
Cro2
3
1y
cntoo1
A
HALF
MAIN
BOARD
$1005
d)
R1003
560
|
A
PLAY
Le
REC
A
V
O
AM,
|
A
CrO2
(
ge
28)
Ri004
1.3%
O
AsREEC
$1006
4
AM,
a
B
HALF
+5V
B
HALF
+
©
Ly
__|
Gnd
Pot
Bree
L4
oO
$1009
b
La.
|
[
BNET
mea
R1005
300
B
PLAY
B
Cr02
(On
'
W
1002
$1008
O
$100!
aay
B
Cr02
re
A
PLAY
I
ie
O
ee
|
[B+]
@
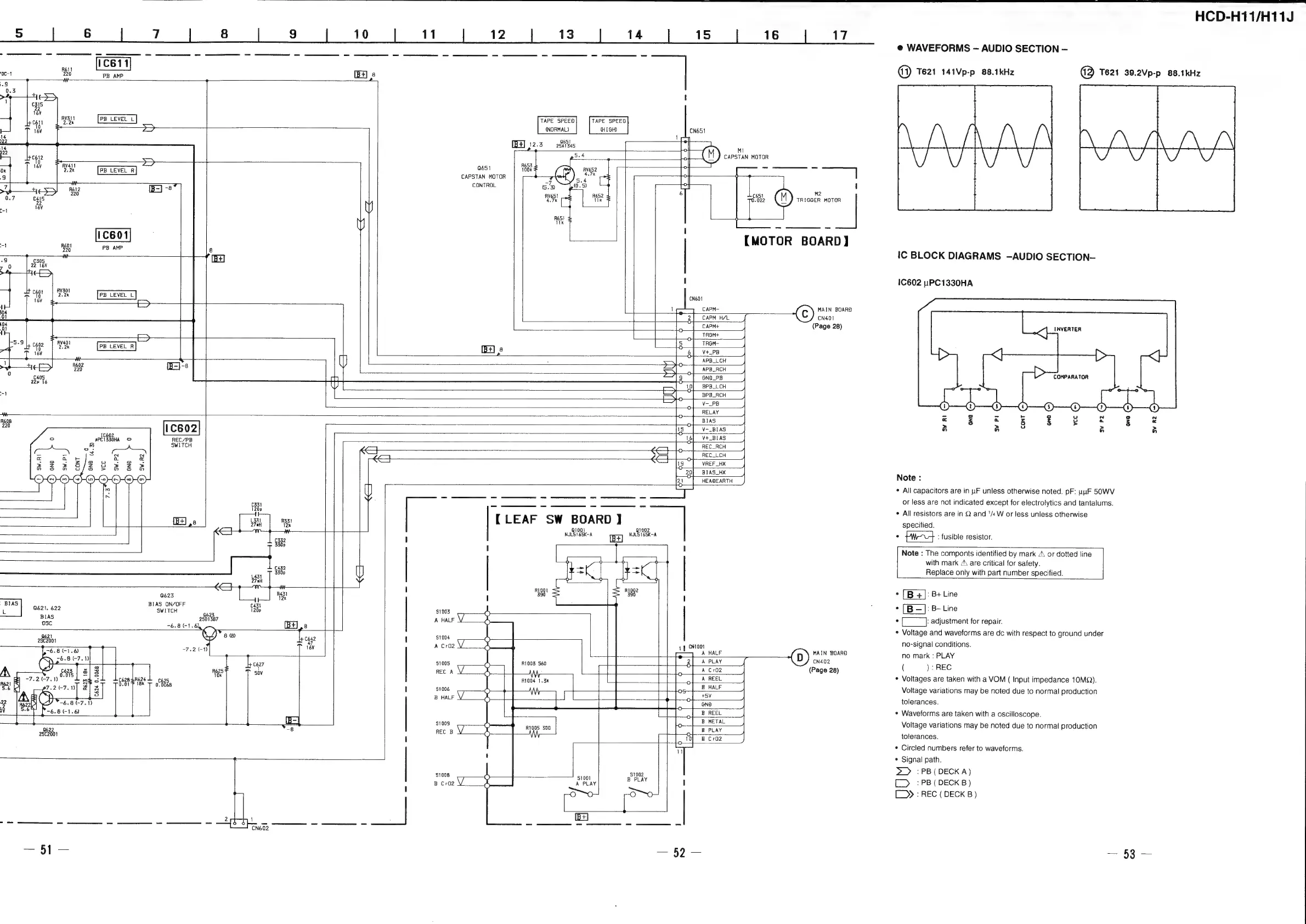
WAVEFORMS
-
AUDIO
SECTION
@D)
621
141Vp-p
88.1kHz
HCD-H11/H11J
(2
T621
39.2Vp-p
88.1kHz
aa
IC
BLOCK
DIAGRAMS
—AUDIO
SECTION-
1C602
1PC1330HA
GNO
C)
a
sw
r2
©)
Sw
PI
Note:
¢
All
capacitors
are
in
uF
unless
otherwise
noted.
pF:
wuF
SOWV
or
less
are
not
indicated
except
for
electrolytics
and
tantalums.
*
All
resistors
are
in
Q
and
'/4
W
or
less
unless
otherwise
specified.
>
fF
:
tusible
resistor.
Note
:
The
componts
identified
by
mark
A\
or
dotted
line
with
mark
A\
are
critical
for
safety.
Replace
only
with
part
number
specified.
°
|B
+]:
B+Line
*
[B=]:
B-Line
¢{___}:
adjustment
for
repair.
*
Voltage
and
waveforms
are
dc
with
respect
to
ground
under
no-signal
conditions.
no
mark
:
PLAY
(
):
REC
*
Voltages
are
taken
with
a
VOM
(
Input
impedance
10MQ).
Voltage
variations
may
be
noted
due
to
normal
production
tolerances.
*
Waveforms
are
taken
with
a
oscilloscope.
Voltage
variations
may
be
noted
due
to
normal
production
tolerances.
*
Circled
numbers
refer
to
waveforms.
*
Signal
path.
>>
:PB(DECKA)
[>
:PB(DECKB)
[>>
:
REC
(DECK
B)

Related product manuals