EasyManua.ls Logo

Sony DVP-K800D - Sled Motor) Schematic Diagrams

Sony DVP-K800D
127 pages
Print Icon
To Next Page IconTo Next Page
To Next Page IconTo Next Page
To Previous Page IconTo Previous Page
To Previous Page IconTo Previous Page
Loading...
4-55
DVP-K800D
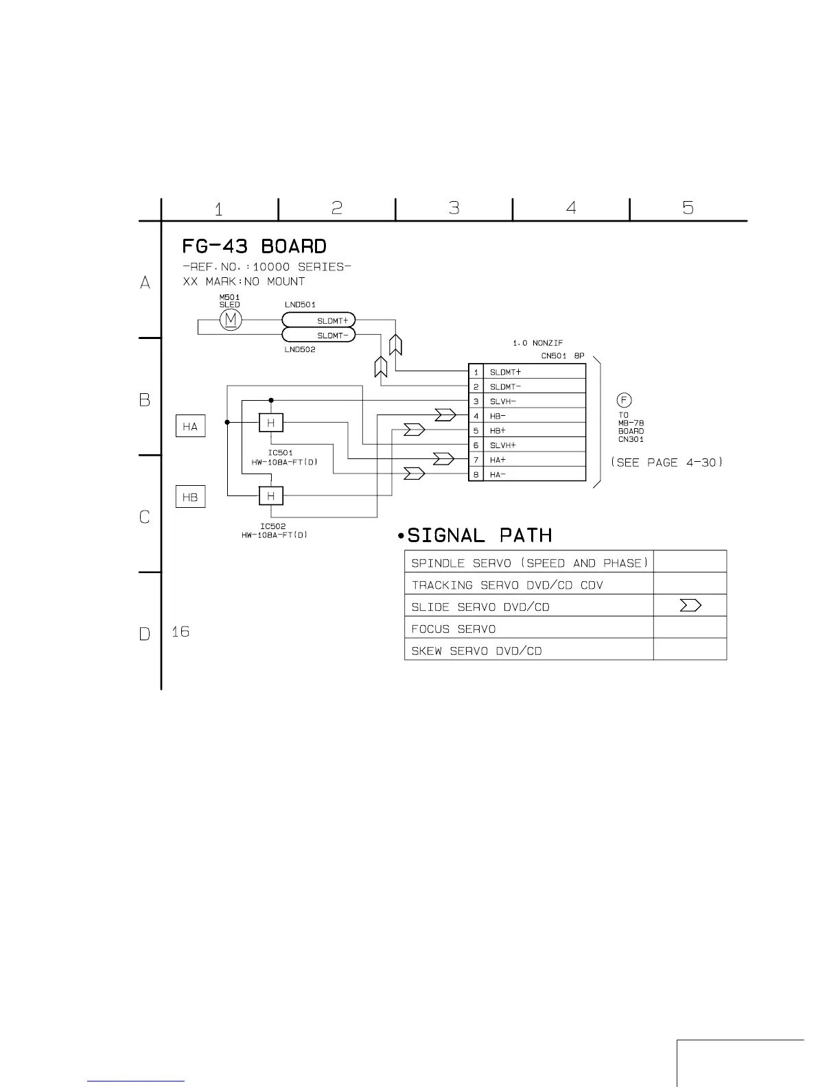
SLED MOTOR
FG-43
FG-43 (SLED MOTOR) SCHEMATIC DIAGRAM
—Ref. No.: FG-43 Board; 2,000 Series—

Table of Contents