EasyManua.ls Logo

Sony EVI-D70P - Page 27

Sony EVI-D70P
56 pages
Print Icon
To Next Page IconTo Next Page
To Next Page IconTo Next Page
To Previous Page IconTo Previous Page
To Previous Page IconTo Previous Page
Loading...
27
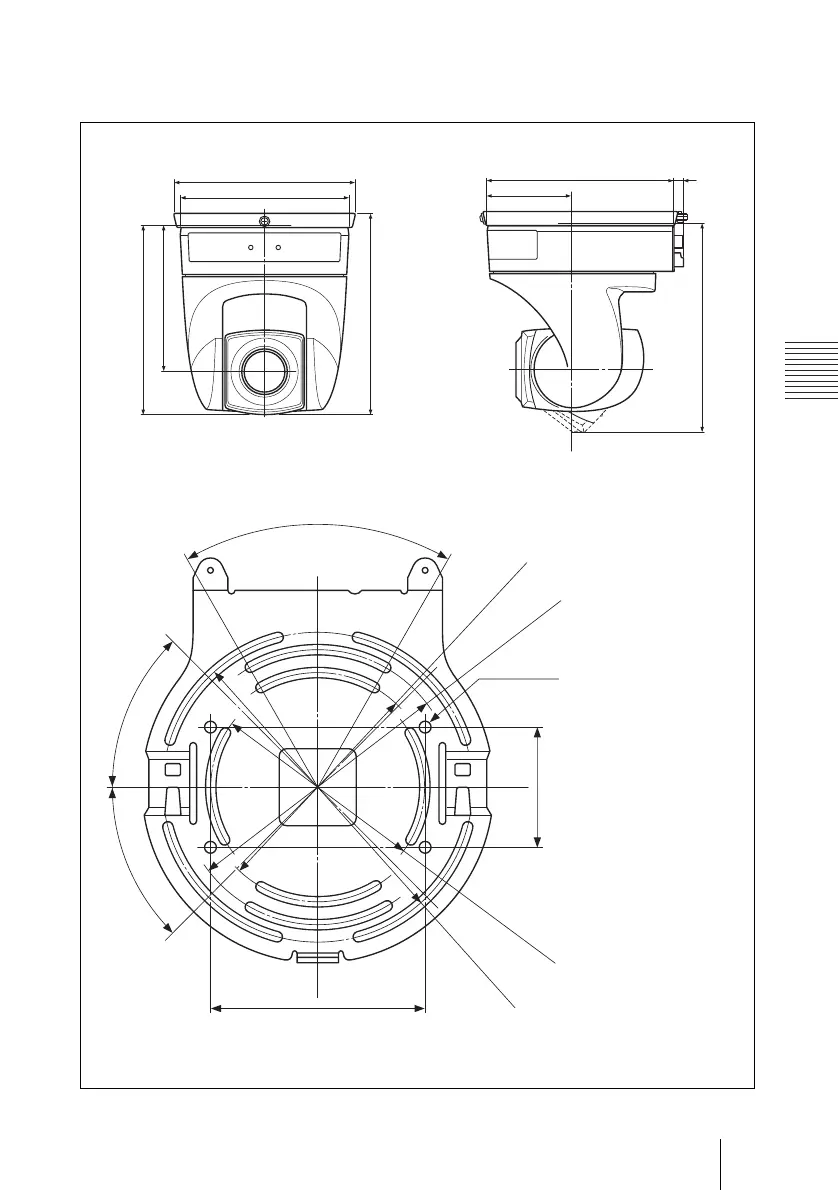
仕様
その他
シーリングブラケット付き寸法図
単位:mm
側面
シーリングブラケット(B)
141
132
146
113
156
144
66
7.4
162
60°
45°
45°
83.5
前側
後側
(調整範囲:± 30°)
取付穴 Φ88.9
(穴幅 4.5mm)(× 2)
取付穴 Φ107.3
(穴幅 4.5mm)(× 2)
取付穴 Φ4.5mm(× 4)
取付穴 Φ83.5
(穴幅 4.5mm)(× 2)
取付穴 Φ121.2
(穴幅 4.5mm)(× 4)
46
正面

Related product manuals