EasyManua.ls Logo

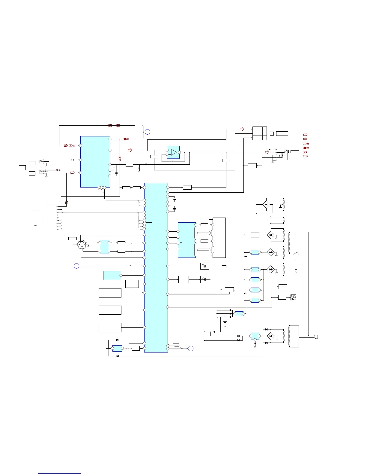
Sony HCD-C5 - Block Diagram - MAIN Section

Sony HCD-C5
98 pages
Print Icon
To Next Page IconTo Next Page
To Next Page IconTo Next Page
To Previous Page IconTo Previous Page
To Previous Page IconTo Previous Page
Loading...
4848
HCD-C5
6-4. BLOCK DIAGRAM MAIN SECTION
: FM
: CD(ANALOG)
Signal Path
R-CH is omitted due to same as L-CH.
: PB(MD)
: REC(MD)
: PB(TAPE)
: REC(TAPE)
TUNER PACK
TC
MD-L
REC-L
38
IC301
SOUND PROCESSOR
35
REC
25
OUT
L-CH
R-CH
CL
DO
DI
CE
TUNED
STEREO
MUTE
R-CH
IC501 (2/2)
MASTER CONTROL
IC601
FL DRIVER
FL601
FLUORESCENT
INDICATOR TUBE
52
PRE-MUTE
56
SPK-RELAY
AC-CUT
RESET
34
CD/MD
37
ST
39
LAT
CLK
DATA
22 21
Q341
MUTING
Q331
MUTING
Q101
MUTING
MUTING
SWITCH
Q202
H/P
DETECT
Q232
Q991
RELAY
DRIVER
RESET
SWITCH
Q941
VOL-DATA
VOL-CLK
VOL-CE
64
63
PLL-CLK
PLL-DI(ST UCOM)
PLL-DO(UCOM ST)
PLL-CE
TUNED
STEREO
ST-MUTE
43
45
44
46
49
48
47
+
5
IC302
HEADPHONE AMP
6
7
R-CH
J103
PWR-RELAY
PHONES
REC-MUTE
54
91
D982-985
D851
-30V
REG
B+
SWITCH
Q911,912
CD+5V
D971-974
D981
CD+10V
ST+10V
T900
MAIN
TRANSFORMER
T901
SUB
TRANSFORMER
+B
-B
+10V
REG
IC901
3 1
C
AC IN
SYS +5V
R-CH
J102
J101
31
IC941
AC-DET
D942
RESET
MD
SERVO
SECTION
(Page 47)
B
D
PDOWN
MUTE
MD
SERVO
SECTION
(Page 47)
D961-964
+5V
REG
IC905
3 1
+5.6V
REG
IC907
3
2
1
MD H/M+5V
CDM+5V
+7V
REG
IC903
3 1
CD+7V
PRE+7V
+5V
REG
IC902
3 1
MDM+5V
LED+5V
FL -30V
VF
VF
VF
VF
+4V
REG
IC906
RY991
3 1
MD-PWR
D992
D993
D941
D926
D927
D925
POWER AMP
69
BDPWR
28
DMUTE
70
24
R-CH
Q971
+5V
REG
IC904
3 1
Q311
D343
26
B-O
27
B-I
28
V-O
DBFB
SWITCH
Q102
SWITCH
SWITCH
SWITCH
Q601
SWITCH
Q602
SWITCH
62
20
FAN
DRIVER
Q103
(D.C. FAN)
BACKUP
+5V/+2.7V
SYS +5V
A +3.3V
MD D+3.3V
BUP +3.3V
BT921
(RECHARGEABLE)
A-MUTE
A-MUTE
RELAY
AMP-L
35
36
39
38
5
1
4
6
2
16
14
13
15
92
3
IC212
I2C BUS BUFFER
+5V
LX
LY
SX
SY
2
1
6
5
4
3
X502
32.768kHz
X501
20MHz
6
3
7
2
PCPON
SCL
SDA
57
HELP
60
KBD-CHK
XT1
XT2
X1
X2
FL-DATA
FL-CLK
FL-CE
12
DIG0 16G
DIG15 01G
DIG1
ı
DIG14
15G
ı
02G
SEG0
ı
SEG34
P01
ı
P35
61
FL-RST
SDATA
SCK
CS
RST
I2C-CLK
I2C-DATA
PCLINK-INSERTED
I2C-DATA, I2C-CLK, I2C-BUSY
MD
SERVO
SECTION
(Page 47)
77
FUNCTION
KEY
S602-605
KEY1
78
FUNCTION
KEY
S606-609
KEY2
79
FUNCTION
KEY
S610-613
KEY3
94
1
IC602
REMOTE
SENSOR
SIRCS
93
KEY-RM
Q211
Q212
CN207
PC LINK
I2C-BUSY
CLK
DATA
SIRCS/
POWERKEY
DETECT
Q221-224
72
65
Q604
D601
(STANDBY)
D602-610
(KEY BACK LIGHT)
ON/STANDBY
LED
11
ı
1
64
ı
62
6
ı
19
21
ı
55
59
ı
33
31
ı
24
5
20
3
8
2
L
CN208
LED
DRIVER
ANTENA
FM75
AM
ı
`/1
M901
TAPE
IN
OUT
SPEAKER

Related product manuals