EasyManua.ls Logo

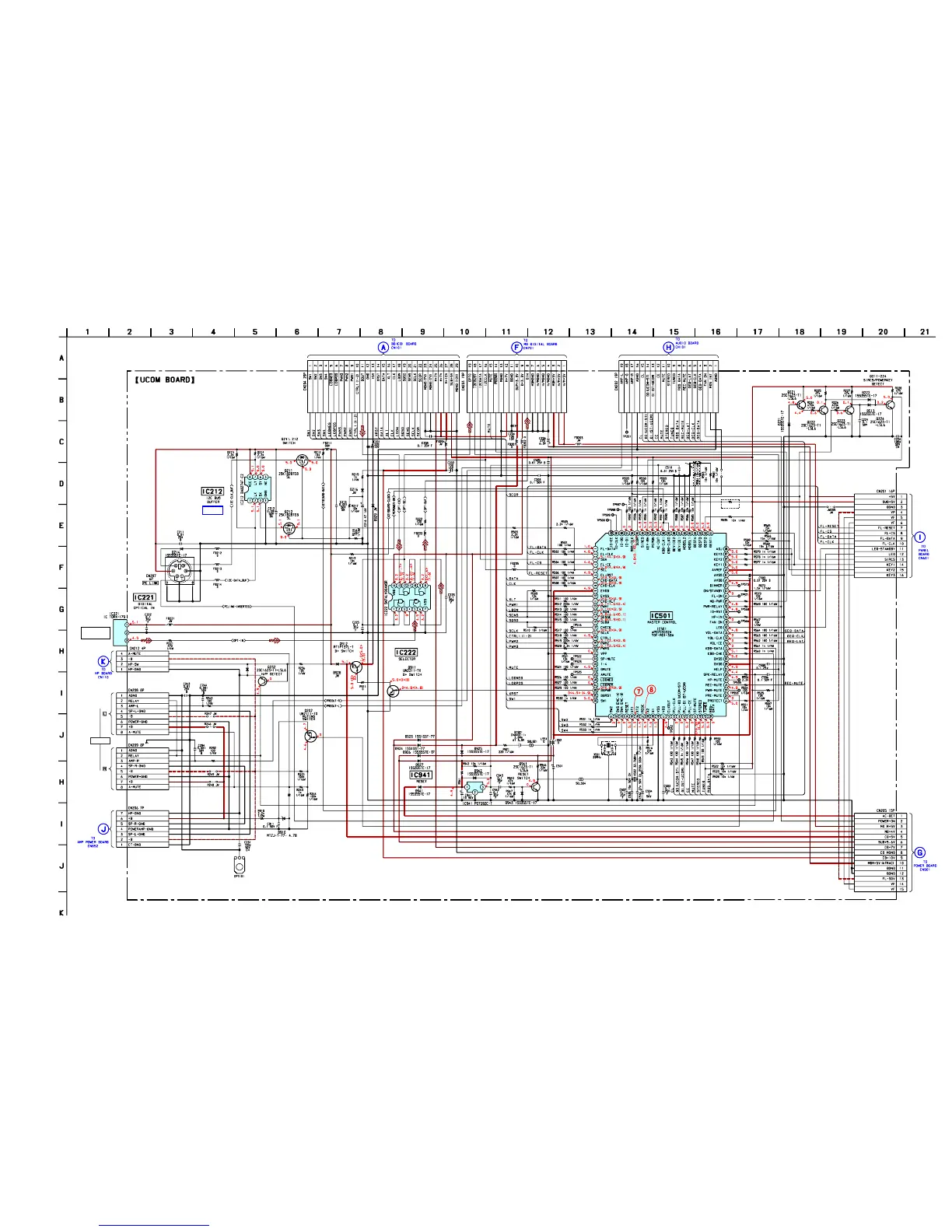
Sony HCD-C5 - Schematic Diagram - UCOM Board

Sony HCD-C5
98 pages
Print Icon
To Next Page IconTo Next Page
To Next Page IconTo Next Page
To Previous Page IconTo Previous Page
To Previous Page IconTo Previous Page
Loading...
5757
HCD-C5
IC B/D
DIGITAL
OPTICAL INPUT
SPEAKER
(Page 59)
(Page 63)
(Page 50)
(Page 55)
(Page 59)
(Page 61)
(Page 63)
D232
ISS355
TE-17
C241
4.7
16V
470 1/16W
1000
6.3V
FB537
BLM21B102S
(AEP,UK)
R538 10k
(HK,KR,AUS)
6-13. SCHEMATIC DIAGRAM UCOM BOARD
See page 45 for Wavefoms. See page 67 for IC Block Diagrams. See page 74 for IC Pin Function Description.
Ver 1.1 2001.09

Related product manuals