EasyManua.ls Logo

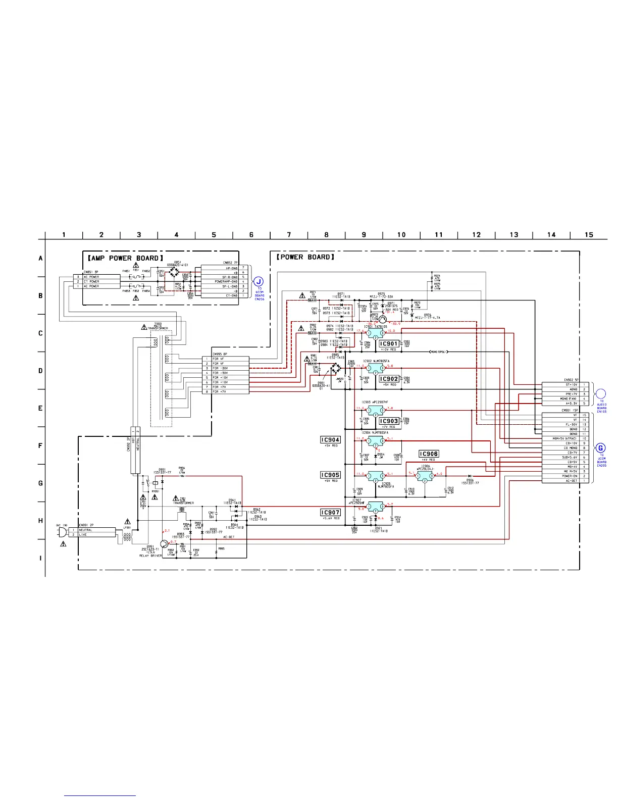
Sony HCD-C5 - Schematic Diagram - POWER Section

Sony HCD-C5
98 pages
Print Icon
To Next Page IconTo Next Page
To Next Page IconTo Next Page
To Previous Page IconTo Previous Page
To Previous Page IconTo Previous Page
Loading...
6363
HCD-C5
(Page 57)
(Page 59)
(Page 57)
B
1.8k
1/10W
T4AL/250V
T4AL/250V
6-19. SCHEMATIC DIAGRAM – POWER SECTION –
Ver 1.1 2001.09

Related product manuals