EasyManua.ls Logo

Sony HCD-C5 - Schematic Diagram - BD (MD) Board (2;2)

Sony HCD-C5
98 pages
Print Icon
To Next Page IconTo Next Page
To Next Page IconTo Next Page
To Previous Page IconTo Previous Page
To Previous Page IconTo Previous Page
Loading...
5353
HCD-C5
5
(MD)
C
D
MD
702
703
MD
153
4400D
EFM /ACIRC EONCODER / DECODER,
SHOCK PROOF MEMORY CONTROLLER,
ATRAC ENCODER / DECODER
,
M703
(MD)
(MD)
(MD)
(Page 55)
(Page 55)
(Page 52)
(Page 52)
(Page 52)
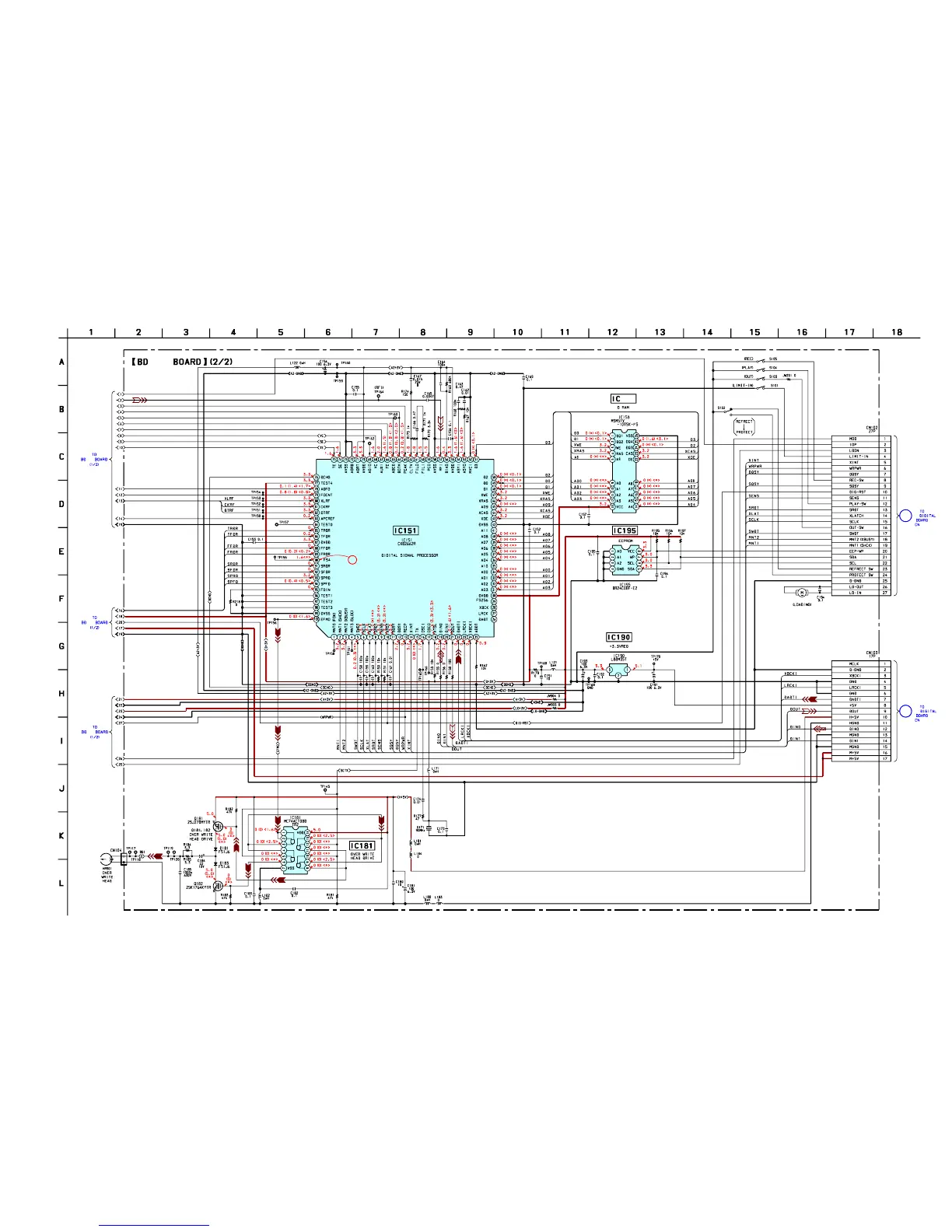
6-9. SCHEMATIC DIAGRAM BD (MD) BOARD (2/2)
See page 45 for Wavefoms. See page 69 for IC Pin Function Description.

Related product manuals