EasyManua.ls Logo

Sony HCD-CBX3 - BLOCK DIAGRAM - PANEL, POWER SUPPLY Section -

Sony HCD-CBX3
76 pages
Print Icon
To Next Page IconTo Next Page
To Next Page IconTo Next Page
To Previous Page IconTo Previous Page
To Previous Page IconTo Previous Page
Loading...
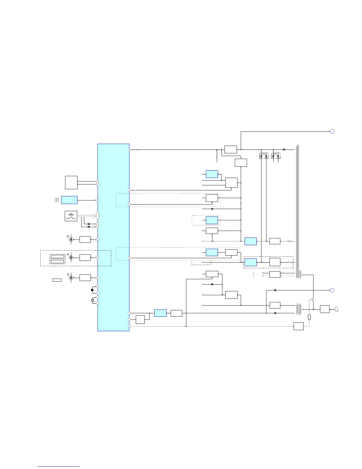
HCD-BX5BT/CBX1/CBX3
2424
HCD-BX5BT/CBX1/CBX3
6-4. BLOCK DIAGRAM – PANEL, POWER SUPPLY Section –
SIRCS
4
KEY WAKE UP_DISPLAY
73
LCD CLK
29
LCD DATA
30
SYSTEM CONTROLLER
IC301 (4/4)
(AC IN)
SUB POWER
TRANSFORMER
T902
RY901
MAIN POWER
TRANSFORMER
T901
RECT
D911 – 914
D922, 923
D330
D920
D332 D322
D318, 321
D303
AMP B+
F901
F902
TO
POWER AMP
AMP B–
+9V
REGULATOR
IC305
+5V
REGULATOR
Q304 – 306
LCD B+
LCD +5V
UNREG SUB
UNREG SUB
SYS +3.3V
B+SWITCH
Q810, 811
+9V
RECT
D907 – 910
VOLTAGE
DETECT
IC310
RELAY
DRIVE
Q315
LINE
FILTER
LF901
TUNER +9V
28STBY-RELAY
20AC CUT
86I-POWER MONITOR
12RESET
REMOTE CONTROL
RECEIVER
IC804
D803, 804
(LCD BACK LIGHT)
X301
32.768kHz
11
10
XCOUT
INOUT
13
15
X302
5MHz
XOUT
XIN
LCD801
LIQUID
CRYSTAL
DISPLAY
LCD BACK LIGHT LED
25
BLUETOOTH
USB MEMORY
S801 – 813,
S815 – 819
(FRONT PANEL KEYS)
KEY0 – KEY2
92 – 94
58BT POWER
76USB POWER
RESET
SWITCH
Q309
AC DETECT
Q301
BT +5V
VM +7V
+5V
REGULATOR
IC308
RECT
D308, 312,
D314, 315
+5V
REGULATOR
IC306
VBUS +5V
BT +3.3V
+3.3V
REGULATOR
IC903
+1.5V
+1.5V
REGULATOR
IC201
D310
KEY WAKE UP_POWER
74
D311
LED DRIVE
Q808
D802
(BX5BT)
(BX5BT/CBX3)
(CBX3)
USB/BT LED
26
LED DRIVE
Q806
STANDBY
D805
STANDBY LED
27
LED DRIVE
Q805
(BX5BT/CBX3)
(BX5BT)
(BX5BT)
USB +3.3V
+3.3V
REGULATOR
Q314, 318, 391
70CD ON
AVDD +3.3V
DVDD +3.3V
+3.3V
REGULATOR
Q302, 303,
Q390, 392
(CBX3)
(CBX3)
RECT
D916 – 919
AC DET
K
PROTECT
J
B+SWITCH
Q323 – 325
+9V LCD
+5V
B+SWITCH
Q311, 313
VOLTAGE
DETECT
Q393
PROTECT
DETECT
Q333, 338
(Page 23)
(Page 23)

Table of Contents

Related product manuals