EasyManua.ls Logo

Sony HCD-DX20 - IC Block Diagrams - Main Board

Sony HCD-DX20
60 pages
Print Icon
To Next Page IconTo Next Page
To Next Page IconTo Next Page
To Previous Page IconTo Previous Page
To Previous Page IconTo Previous Page
Loading...
41
HCD-DX20/RG30
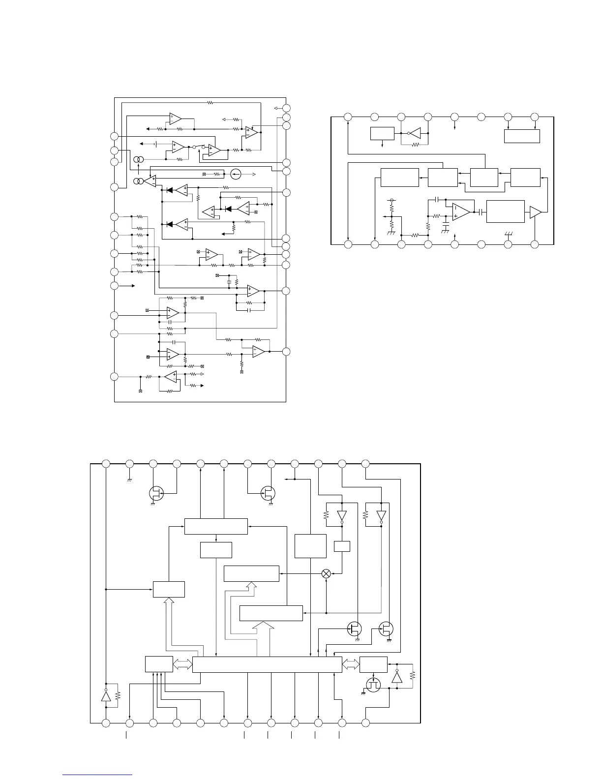
IC103 CXA2568M-T6 (BD BOARD)
11
12
10
VC
VC
VC
VC
VC
VC
VC
VCC
VCC
RF SUMMING AMP RF_EQ_AMP
ERROR AMP
FOCUS
TRACKING
ERROR AMP
VC BUFFER
VCC
VCC
VC
VC
VC
VC
VEE
VEE
VEE
VEE
VEE
VREF
13
14
15
6
5
1
2
3
4
7
8
9
16
19
20
21
22
23
24
18
17
HOLD
LD
PD
A
B
C
D
VEE
F
E
VC
AGCVTH
AGCCONT
VCC
LC/PD
LD_ON
HOLD_SW
RF_BOT
RFTC
RF_1
RFO
RFE
FE
TE
(50%/30%
OFF)
APC PD AMP
APC LD AMP
IC103 BU1924 (MAIN BOARD)
1 2 3 4 5 6 7 8
910111213141516
QUAL
RDATA
VREF
VDD1
VSS1
MUX
VSS3
CMP
RCLK
XO
XI
(NC)
VDD2
VSS2
T1
T2
8TH SWITCHED
CAPACITOR
FILTER
PLL 57KHz
RDS/ARI
BIPHASE
DECODER
DEFFERENTIAL
DECODER
PLL
1187.5Hz
TEST
CLOCK
IC102 LC72130 (MAIN BOARD)
1
2
3
4
5
6
7
8
XIN
B03
CE
IFIN
AOUT
2
AIN1
AIN2
D1
CL
B04
D0
B01
I01
B02
XOUT
PD1
VSS
PD2
FMIN
AMIN
AOUT1
VDD
I02
B05
9
10
11
12
13
14
15
16
17
18
19
20
21
22
23
24
PHASE DETECTOR
CHARGE PUMP
SWALLOW COUNTER
1/16.1/17 4bits
SWALLOW COUNTER
1/16.1/17 4bits
POWER
ON
RESET
1/2
C B
I / F
REFERENCE
DIVIDER
REFERENCE
DIVIDER
C B
I / F
2
DATA SHIFT REGISTER
LATCH

Related product manuals