EasyManua.ls Logo

Sony HCD-DZ20 - Block Diagram - AUDIO Section

Sony HCD-DZ20
72 pages
Print Icon
To Next Page IconTo Next Page
To Next Page IconTo Next Page
To Previous Page IconTo Previous Page
To Previous Page IconTo Previous Page
Loading...
2828
HCD-DZ20
HCD-DZ20
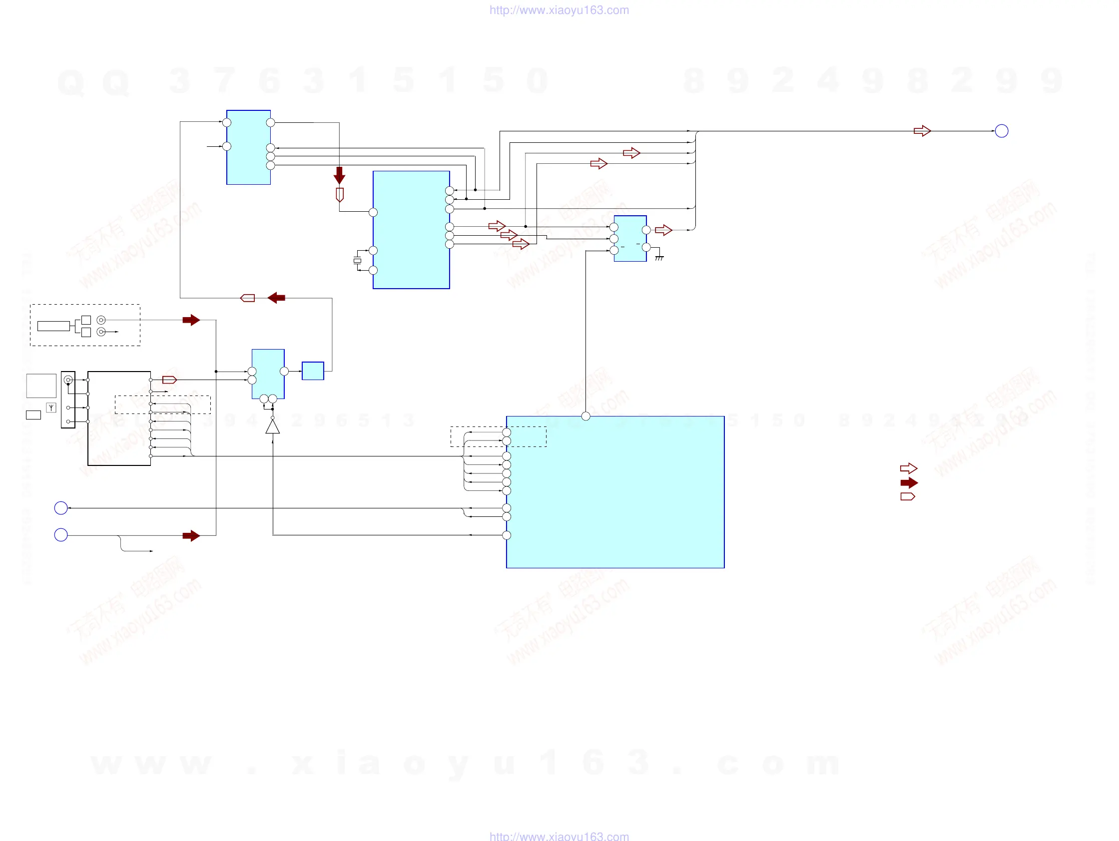
6-3. BLOCK DIAGRAM – AUDIO SECTION –
B
VIDEO
SECTION
(Page 27)
C
VIDEO
SECTION
(Page 27)
AMP
SECTION
(Page 29)
A
: AUDIO
: AUDIO IN ( TV/VIDEO )
: TUNER
• Signal Path
• R-CH is omitted due to same as L-CH.
IC1101 (2/3)
DVD SYSTEM PROCESSOR
ALRCK
214
ABCK
217
ASDATA0
219
ASDATA2
218
ASDATA1
VSEL0,
TVSEL
209
SPDATA/SMSDI
72
ST_DI
69
ST_CLK
71
ST_CE
68
TUNED
70
76
75
ST_DO
RDS_CLK
RDS_DATA
IC501 (3/4)
SYSTEM CONTROLLER
X1102
27MHz
Q603
229
228
XTALI
XTALO
ALRCK
ABCK
DATA1
DATA2
DATA3
ACLK
M_ST
IC603
AMP
FM/AM TUNER UNIT
IC602
AUDIO INPUT
SELECTOR
IC2200
A/D CONVERTER
11
X3
13
10 9
X
A
B
9
DOUT
6
SCKI
12
X0
IC3003
SELECTOR
1
A
B
2
Y
G
6
5
7
A/B
13
LIN
14
RIN
R-CH
DO
CLK
CE
TUNED
FM ANT
GND
AM ANT
GND
L-CH
R-CH
DI
ST_DO
ST_CLK
ST_CE
TUNED
ST_DI
RDS_DATA
RDS-DATA
RDS_CLK
RDS-CLK
R-CH
R-CH
COAXIAL
FM
75
AM
7
LRCK
82
VSEL0
85
A SEL1
78
TVSEL
A SEL1
V SEL0
TV SEL
A SEL1
L
R
79
M-ST
215
ACLK
8
BCK
213
DATA1 – DATA3, ACLK,
ABCK, ALRCK
J200
R-CH
TV/VCR
L
R
AEP, UK
EXCEPT AEP, UK
AEP, UK
w
w
w
.
x
i
a
o
y
u
1
6
3
.
c
o
m
Q
Q
3
7
6
3
1
5
1
5
0
9
9
2
8
9
4
2
9
8
T
E
L
1
3
9
4
2
2
9
6
5
1
3
9
9
2
8
9
4
2
9
8
0
5
1
5
1
3
6
7
3
Q
Q
TEL 13942296513 QQ 376315150 892498299
TEL 13942296513 QQ 376315150 892498299
http://www.xiaoyu163.com
http://www.xiaoyu163.com

Related product manuals