EasyManua.ls Logo

Sony HCD-DZ20 - Block Diagram - POWER Section

Sony HCD-DZ20
72 pages
Print Icon
To Next Page IconTo Next Page
To Next Page IconTo Next Page
To Previous Page IconTo Previous Page
To Previous Page IconTo Previous Page
Loading...
3030
HCD-DZ20
HCD-DZ20
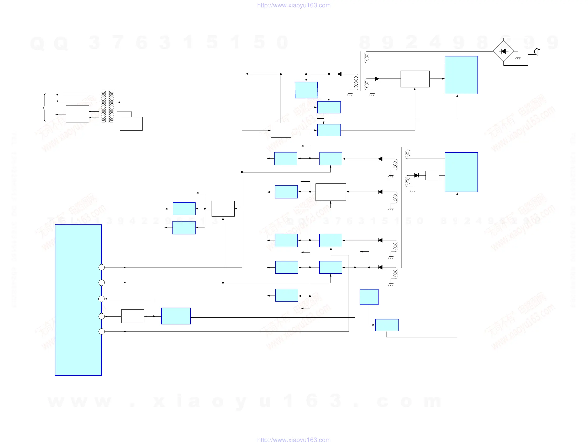
6-5. BLOCK DIAGRAM – POWER SECTION –
F1
F2
VFL
TO FLUORESCENT
INDICATOR TUBE
DC/DC
CONVERTER
T801
IC511
RESET
RECT
D801,802
D804,805
OSC
Q801
12RESET
20AC_CUT
40P CONT2
IC501 (4/4)
SYSTEM CONTROLLER
+5V
39P CONT1
IC941
+12V REG
IC931
VOLTAGE
DETECT
IC515
+9V REG
D943
D942
D944
D941
D922
Q921
IC921
SWITCHING
REGULATOR
T902
TRANSFORMER (SUB)
T901
TRANSFORMER(MAIN)
PC902
41P CONT3
PHOTO
COUPLER
D931
D905
Q943,947
PC901
PC903
D901
E4V
E 4V
RF +3.3V
+21.7V
IC901
SWITCHING
REGULATOR
AC IN
SW3.3V
+5V
PHOTO
COUPLER
PHOTO
COUPLER
REG
IC1107
+3.3V REG
IC1105
+3.3V REG
IC942
+5V REG
IC943
+3.3V REG
IC951
VOLTAGE
DETECT
IC1109
+1.8V REG
IC3050
+1.8V REG
M +9V
SW+5V
VOLTAGE
DETECT
Q901
VOLTAGE
CONTROLLER
Q945
MOTOR DRIVE
CONTROLLER
+3.3V
IC516
+5V REG
A5V
A9V
+12V
+1.8V
+1.8V
Q506
SWITCH
+12V
E 4V
Q502, 503
SW +5V
SWITCH
FL +3.3V
IC502
+3.3V REG
w
w
w
.
x
i
a
o
y
u
1
6
3
.
c
o
m
Q
Q
3
7
6
3
1
5
1
5
0
9
9
2
8
9
4
2
9
8
T
E
L
1
3
9
4
2
2
9
6
5
1
3
9
9
2
8
9
4
2
9
8
0
5
1
5
1
3
6
7
3
Q
Q
TEL 13942296513 QQ 376315150 892498299
TEL 13942296513 QQ 376315150 892498299
http://www.xiaoyu163.com
http://www.xiaoyu163.com

Related product manuals