EasyManua.ls Logo

Sony HCD-DZ20 - IC Block Diagrams - Power and IO ICs; IC Block Diagrams - Power ICs; IC Block Diagrams - IO ICs

Sony HCD-DZ20
72 pages
Print Icon
To Next Page IconTo Next Page
To Next Page IconTo Next Page
To Previous Page IconTo Previous Page
To Previous Page IconTo Previous Page
Loading...
47
HCD-DZ20
IC901 STR-F6138-LF1352
OCP/INH
1
S/GND
2
Drain
3
Vcc
4
FB/OLP
5
+
+
+
+
+
Delay
OVP
TSD
Delay
Reg2
Reg1
Reg3
Current mirror
POWER
MOS FET
Latch
OSC
Boottom Skip
Logic
OCP2
Logic
Internal
Bias
OCP1
Vocp
Rg3
Rg2
Rg1
OCP2
+
UVL0
ON=16V
OFF=10.5V
INH1
INH2
FB
Vth1
+
IOLP
Volp
Vth2
Vocp(BSIN,OUT)
– MAIN Board –
– IO Board –
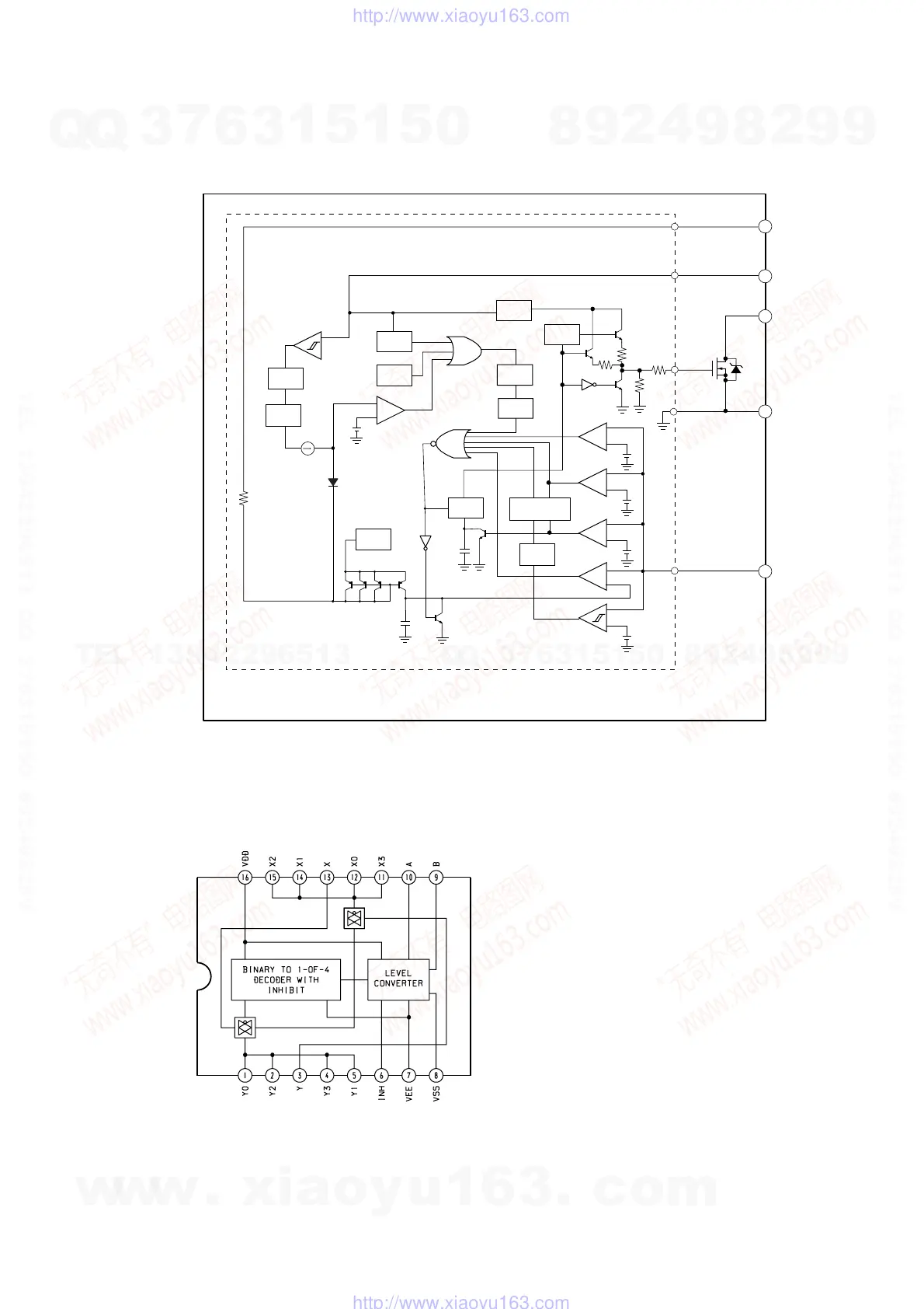
IC602 MC14052BDR2
w
w
w
.
x
i
a
o
y
u
1
6
3
.
c
o
m
Q
Q
3
7
6
3
1
5
1
5
0
9
9
2
8
9
4
2
9
8
T
E
L
1
3
9
4
2
2
9
6
5
1
3
9
9
2
8
9
4
2
9
8
0
5
1
5
1
3
6
7
3
Q
Q
TEL 13942296513 QQ 376315150 892498299
TEL 13942296513 QQ 376315150 892498299
http://www.xiaoyu163.com
http://www.xiaoyu163.com

Related product manuals