EasyManua.ls Logo

Sony HCD-EP515 - Schematic Diagram - Main Section

Sony HCD-EP515
42 pages
Print Icon
To Next Page IconTo Next Page
To Next Page IconTo Next Page
To Previous Page IconTo Previous Page
To Previous Page IconTo Previous Page
Loading...
2222
HCD-EP515
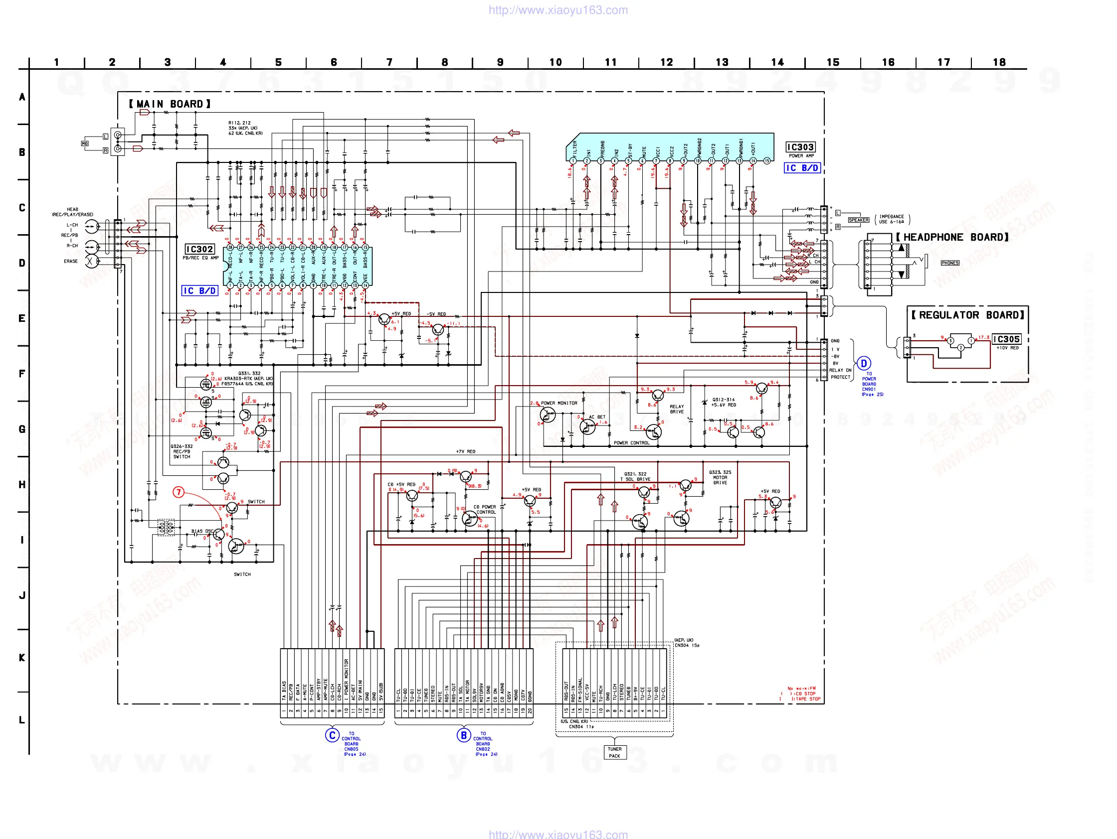
6-6. Schematic Diagram – Main Section –
• See page 16 for Waveform. • See page 27 for IC Block Diagrams.
Ver 1.2 2003. 07
IC302
C103
C203
C108
C208
C110
C210
C114
R312
R313
C226
C126
C301
Q305
C303
C302
C304
C322
C
309
L101
L102
L202
L201
C115
C215
Q313
Q312
Q315
Q309
C315
C101C201
R205
R103
R203
R202
R102
R111
R211
R113
R213
R220
R120
R219
R119
R
109
R209
J303
R122
R222
R303
Q306
R226
R126
R301
R302
CN301
R325
R324
R323
D
310
R321
Q308
R315
C319
C327
D311
CN302
CN303
Q310
R316
Q317
Q320
Q321
Q322
Q325
R318
R330
D303
R329
R304
R305
D302
R319
R320
C312
C313
Q328
Q329
Q330
Q327
Q326
R336
D317
Q323
R331
R328
Q319
R317
R348
D312
D313
Q311
Q314
C
228
C128
C129
R326
R350
R351
Q333
D301
Q338
D305
D306
R349
C106
C132
C232
Q307
R136
R137
R237
R236
R108
R208
R115
R215
R217
R117
R216
R116
R218
R118
R106
R207
R206
R107
C202
C102
R314
C316
R332
C335
Q339
R124
R224
R143
R243
R322
C112
C212
C218
C109
C209
R
306
R123
R223
R114
R214
C111
C211
R104
R204
R356
R357
R225
R125
C127
C227
R232
D319
D320
D321
R327
R311
C317
C349
R221
R121
R
228
R131
R
231
C314
R101
R201
R
355
R354
CN307
CNP305
CNP306
CN309
T301
R112 R212
C207
C305
C113
C213
C214
C233
C133
C104
C204
C206
R105
C107
R309
C326
C324
C336
C345
C329
C331
C332
C330
C348
C320
R310
C318
R352
C344
C343
Q331
Q332
C347
C346
R139
C123
J302
R129
R
130
C121
C221
R230
R229
C311
R238
R
138
C118
C134
R132
C234
R128
C119
C310
C219
C323
C333
J301
IC305
CNP308
IC303
C217 C117 C216 C116
C220
C120
C350
R239
C229
C223
D304
C328
BD3881FV
100p
100p
3300p
3300p
180p
180p
0.47
50V
4.7k
47k
220p
220p
10p
KTC3203Y-AT
0.01
22
25V
0.01
0.01
1000
16V
4.7 50V
4.7 50V
KTC3203Y
KTC3203Y
KRC402-RTK
KRC402-RTK
47 25V
1000p1000p
390k
470
470
39k
39k
2.2k
2.2k
1k
1k
10k
10k
1.5k
1.5k
2.2k
2.2k
2P
68k
68k
4.7k
KTA1271Y-AT
22k
22k
10k
4.7k
100k
2.2k
1k
M
TZJ-T-77-5.6B
100k
KTA1271Y
2.2k
0.01
47
25V
MTZJ-T-77-5.6B
KTC3205Y
470
KTC3205Y
KRC402-RTK
KTA1271Y-AT
KRC402-RTK
KRC402-TRK
470
47k
M
TZJ-T-77-5.6B
1k
470
470
1SS133T-77
1M
4.7k
220p
100 16V
2SK2158
2SK2158
2SK2158
KTA1504
KTA1504
4.7k
1SS133T-77
KTA1271Y-AT
47k
1k
KTA1271Y-AT
47k
1k
1N4002
1N4002
KTA1271Y-AT
KTA1271Y-AT
22
50V
22
50V
22 50V
100k
10k
10k
KRC402-RTK
1SS133
KRC402-RTK
M
TZJ-T-77-5.1B
MTZJ-T-77-5.1B
JR
0.022
4.7
50V
4.7
50V
KTC3205Y-A
10k
4.7k
4.7k
10k
8.2k
8.2k
3.3k
3.3k
1k
1k
8.2k
8.2k
4.7k
4.7k
5.6k
150k
5.6k
150k
1000p
1000p
5.6k
6800p
1k
0.01
KTC3203Y
22k
22k
10k
10k
1k
3300p
3300p
0.033
470p
470p
10k
2.2k
2.2k
1.8k
1.8k
5600p
5600p
82
82
47k
47k
22k
22k
470p
470p
1k
1N4002B
1N4002B
1N4002B
10k
22k
1000p
47
10V
1k
1k
1k
1k
1k
0.012
5.6k
5.6k
100k
10k
BIAS OSC
2.2
50V
220
10V
0.22
50V
0.22
50V
0.47
50V
0.047
0.047
47
10V
47
10V
0.022
390k
2.2
50V
4.7
2200p
220
16V
22
50V
100
16V
100
16V
0.01
100
16V
220
10V
0.1
0.01
3.3
0.01
470
47
25V
47
25V
0.1
470
16V
180
1000 16V
2.2
2.2
0.1
0.1
2.2
2.2
10
50V
180
180
0.033
2200p
1k
2200p
1k
4.7
50V
47
25V 4.7
50V
4700
25V
470
16V
KIA7809API
3P
LA4663N
1200p 1200p 470p 470p
0.1
0.1
0.047
180
22 50V
1000 16V
MTZJ-T-77
-5.6B
100 16V
*
*
*
*
*
*
w
w
w
.
x
i
a
o
y
u
1
6
3
.
c
o
m
Q
Q
3
7
6
3
1
5
1
5
0
9
9
2
8
9
4
2
9
8
T
E
L
1
3
9
4
2
2
9
6
5
1
3
9
9
2
8
9
4
2
9
8
0
5
1
5
1
3
6
7
3
Q
Q
TEL 13942296513 QQ 376315150 892498299
TEL 13942296513 QQ 376315150 892498299
http://www.xiaoyu163.com
http://www.xiaoyu163.com

Related product manuals