EasyManua.ls Logo

Sony HCD-EX66 - Schematic Diagram -AMP SMPS Section (2;2) (HCD-EX66)

Sony HCD-EX66
74 pages
Print Icon
To Next Page IconTo Next Page
To Next Page IconTo Next Page
To Previous Page IconTo Previous Page
To Previous Page IconTo Previous Page
Loading...
HCD-EX66/EX88/EX99
HCD-EX66/EX88/EX99
3333
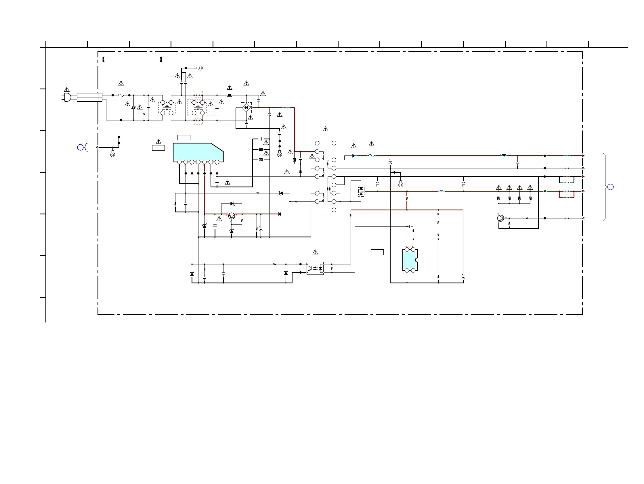
5-17. SCHEMATIC DIAGRAM – AMP SMPS Section (2/2) (HCD-EX66) –
• See page 47 for IC Block Diagrams.
D
A
11
G
C
72 141064
B
131 985
F
E
3 12
2
BOARD
AMP SMPS
(1/2)
(1/2)
1
BOARD
AMP SMPS
IC B/D
(HCD-EX66)
15 15
13.8
0.2
0.9
15
*
0.1
0.7
(EX66)
22.7
2.4
(EX66)
*
1
EXCEPT
EA MODEL
EXCEPT
EA MODEL
EA MODEL
*
1
(EA)
(EXCEPT EA)
AMP SMPS BOARD (2/2)
IC932
IC930
CL908
220k
R971
0
R975
JL902
D941
UDZSUSTE-1730B
CL901
C907
JS902
250V
470p
C916
0.01
C971
JL975
VDR901
JL973
250V
470p
C902
35V
2200
C967
R901
1.5M
1/2W
CL907
CL902
E
ET903
(CHASSIS)
R972
0
1k
R965
0.22
C905
250V
250V
470p
C903
JL901
250V
0.01
C912
FMX-22SL
D965
250V
0.01
C911
CL904
JL903
0.5%
4.7k
R978
E
ET901
(CHASSIS)
JL974
1
3
CN901
2P
LIVE
NEUTRAL
PS2561AL1-1-V-W
PH930
1
23
4
43
12
MM1431CURE
IC932
VOLTAGE DETECT
A
K
VREF
0.5%
33k
R977
C977
0.1
2.2uH
L966
25V
2200
C969
1
2
3
4
1
2
3
4
L903
18mH
JS904
JS905
~
~
D3SB60F3
D902
RECT
400V
3300p
C939
SARS03
D938
4.7
R947
3W
100k
R944
100
R945
1234567
STR-Y6766
IC930
DC-DC CONVERTER
D
S/GND
VCC/OVP
GND
FB/OLP
BD
NC
D1NL20U-TR2
D940
R937
4.7k
D931
DZ2J360M0L
50V
47
C937
100k
R939
DZ2J220M0L
D932
+22V LIMITER
Q930
DZ2J180M0L
D933
4700p
C932
0.5%
47k
R936
D930
DZ2J300M0L
4.7
C934
100p
C931
0.5%
2.2k
R935
0.5%
27k
R938
DZ2J160M0L
D934
C930
0.1
CL935
CL934
CL930
CL931
CL933
CL932
10uH
L967
RK49LF-T1
D967
2W0.33
R933
10k
R976
0.5%
1kV
560p
C935
450V
C914
330
TH902
CL936
CL937
JL970
JL969
35V
22
C976
CL965
E
ET965
(CHASSIS)
1k
R987
E
ET931
(CHASSIS)
2SC5053T100Q
Q930
100V
1
C941
2SC4154TP-1EF
Q970
POWER CONTROL
2.2k
R989
10k
R990
1W
2.2k
R991
1W
2.2k
R992
L904
18mH
1W
2.2k
R995
1W
2.2k
R996
JW931
250V
F931
T2.5A
V2_13.4-17V
V2_GND
SUB_ON
PVDD_GND
PVDD_25V
JW930
JW932
JW933
50V
C980
10
250V
F901
T5AH
T901
DC-DC CONVERTER TRANSFORMER
2
7
9
12
10
115
13
14
4
15
16
6
8
1
2W0.33
R934
JW921
JW922
JW923
GND1
NC
AC IN ~
C907
0.22 250V
0.33 250V
(Page 32)
(Page 32)

Table of Contents

Related product manuals