EasyManua.ls Logo

Sony HCD-FX100W - Page 17

Sony HCD-FX100W
212 pages
Print Icon
To Next Page IconTo Next Page
To Next Page IconTo Next Page
To Previous Page IconTo Previous Page
To Previous Page IconTo Previous Page
Loading...
99
TA-WR2
TA-WR2
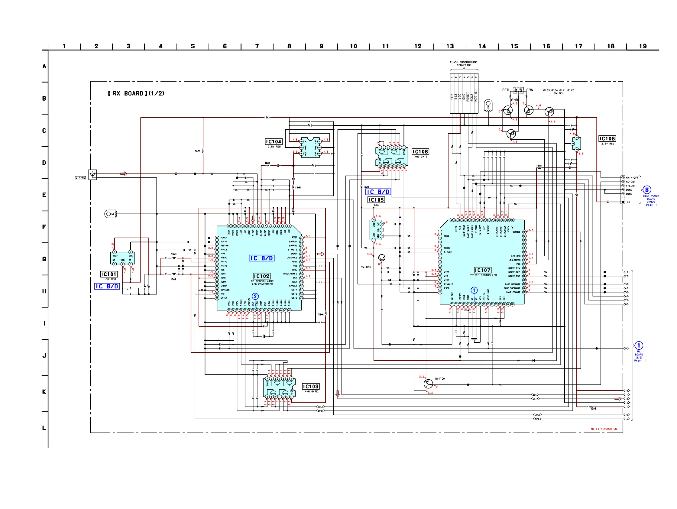
2-5. SCHEMATIC DIAGRAM — RX BOARD (1/2) —
7
10
C163
L102
L103
R100
L106
R137
R
1
0
8
R105
R
1
2
0
R
10
3
R
11
9
R116
IC
10
1
R102
R104
R117
R101
R
14
5
R114
R253
R131
R
14
0
R139
R
1
4
4
R141
R115
X102
IC
1
05
C150
R122
C147
C148
C140
R
118
R
1
51
R
1
50
R1
49
R261
R262
TP1 TP2
TP3
TP4
TP5
TP6
TP7
TP8
T
P9
TP10
TP12
TP13
TP14
TP15
TP16
TP17
TP25
T
P
2
7
T
P
28
TP29
TP30
C107
C102
C137
FB107
R
1
6
5
R123
Q103
Q104Q111
Q110
FB109
R111
R109
FB102
FB101
FB104
L101
IC104
FB103
D100
R
13
4
R
1
32
R
13
0
R133
R143
R146
R147
R148
EB103 R125
R264
R265
R266
D103
D102
IC1
0
8
IC
1
03
IC
1
06
R284
C105
C131
C135
C142
C138
C130C119
C111
C110
C108
IC102
C113
C109
C104
C103
C101
C115
C114
C124
C127 C129
C141
C134
CN101
C
1
57
C
1
58
C
1
5
3
C1
55
C
15
4
C266
C253
C133
L104
L105
C128
C132
C120
C136
R110
C116
X101
C122
C123
C126
EB102
C
125
L108
FB105
C160
C162
C159
R138
R135
CN103
C
1
49
L107
C143
R124
C145
C146
R127
R126
R283
C156
C151
R258
R257
R152
R171
R129
R142
R252
R254
Q112
FB106
R256
L109
R106
IC107
Q102
C161
R136
J100
R259
R112
R113
100
10V
150
100
1
00
47k
1k
330
1k
68
X
C
6
2
H
R
15
02
M
R
820
3.3k
10k
10k
10
0
100
47k
47k
10
0
100
1
00
100
100
8MHz
P
S
T3
62
9
N
R
100
10V
10k
0.001
0.1
16V
10
50V
1
k
1
00
100
100
100
100
47
16V
10 50V
10 50V
0UH
1
k
22k
DTC114EKA-
T146
DTC114EKA-
T146
DTA114EKA-
T146
DTA114EKA-
T146
0UH
220
3.3k
0UH
0.2A
0UH
0.2A
0UH 0.2A
TK11225CMCL-G
0UH 0.2A
SPR-54MVWF
10
0
1
0
0
1
0
0
100
0
100
100
100
EARTH PLATE 120
4.7k
2.2k
4.7k
1SS355TE-17
1SS355TE-17
N
JM
288
5D
L1
-33
(TE
S
N
74
LV
0
8A
P
W
R
S
N
74
L
V
C
0
8
AP
W
R
0
0.01
1
0.1
0.01
0.1
0.1
0.1
0.01
0.1
0.1
CXD4017R
0.1
0.1
47
16V
0.1
0.1
0.001
0.001
10p
0.1 33p
0.1
1
7P
1
0
0
p
1
0
0p
1
0
0p
100p
1
0
p
0.1
0.22
0.1
47 16V
1
0.01
47 16V
1k
0.1
12.288MHz
100p
100p
100p
EARTH PLATE
100
p
0UH
0.01
0.01
100p
100
10k
6P
0
.1
0.1
47k
0.22
0.1
47k
1k
47k
100p
0.1
47k
47k
100
47k
100
100
10k
10k
DTA114EKA-T146
0UH
3.3k
100
MB89537APFM
-G-654-BNDE1
2SC2412K
-T-146-OR
100 16V
100
SKY BLUE
1k
100
100
See page 12,14 for IC Block Diagrams. See page 4 for Waveforms. See page 15 for IC Pin Function Description.

Table of Contents

Related product manuals