EasyManua.ls Logo

Sony HCD-G101 - Cassette Mechanism Deck Section 2

Sony HCD-G101
51 pages
Print Icon
To Next Page IconTo Next Page
To Next Page IconTo Next Page
To Previous Page IconTo Previous Page
To Previous Page IconTo Previous Page
Loading...
— 59 —
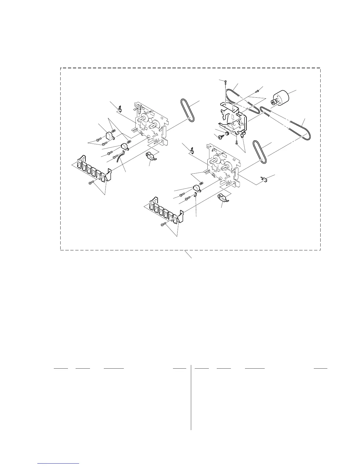
6-4. CASSETTE MECHANISM DECK SECTION 2
161
SW202
not supplied
M901
Ref. No. Part No. Description Remark Ref. No. Part No. Description Remark
HE901 9-980-280-01 E HEAD (ERASE)
HP901 9-980-287-01 HEAD (PLAY)
HRP901 9-980-279-01 HEAD (REC/PLAY)
M901 9-980-281-01 MOTOR (CAPSTAN/REEL)
SW202 9-980-270-01 LEAF SWITCH (A DECK)
SW203 9-980-270-01 LEAF SWITCH (B DECK)
SW204 9-980-271-01 LEAF SWITCH (PLAY)
151 9-980-282-01 E HEAD SCREW
152 9-980-284-01 AZIMUTH SCREW
153 9-980-283-01 HEAD SCREW ISO
154 9-980-272-01 PINCH ROLLER ARM ASSY
157 9-980-275-01 MOTOR COLLAR SCREW
158 9-980-274-01 MOTOR RUBBER
160 9-980-273-01 RF BELT
161 9-980-277-01 MAIN BELT
* 163 1-759-417-11 DECK, MECHANICAL
151
152
153
154
152
153
154
163
HE901
not supplied
not supplied
not supplied
SW204
HRP901
SW203
not
supplied
160
not supplied
not supplied
not supplied
HP901
158
157
not supplied
160
161

Related product manuals