EasyManua.ls Logo

Sony HCD-G101 - Base Unit Section (KSM-213 BCM)

Sony HCD-G101
51 pages
Print Icon
To Next Page IconTo Next Page
To Next Page IconTo Next Page
To Previous Page IconTo Previous Page
To Previous Page IconTo Previous Page
Loading...
— 62 —
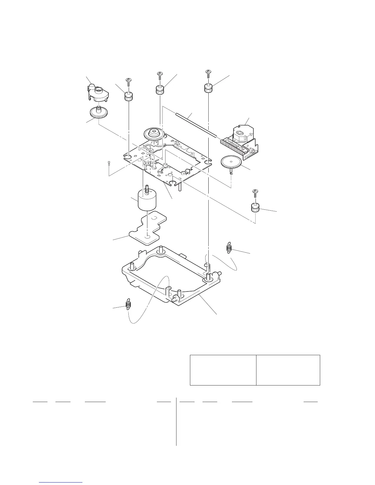
6-7. BASE UNIT SECTION (KSM-213BCM)
Les composants identifiés par
une marque ! sont critiques pour
la sécurité.
Ne les remplacer que par une
piéce portant le numéro spécifié.
The components identified by
mark ! or dotted line with mark
! are critical for safety.
Replace only with part number
specified.
Ref. No. Part No. Description Remark Ref. No. Part No. Description Remark
301 4-992-164-01 BASE, KSM MECHANICAL
302 4-992-165-01 DAMPER (GREEN)
303 4-992-166-01 DAMPER (RED)
304 4-992-167-01 SPRING, MECHANICAL BASE
305 2-626-907-01 GEAR (A) (S)
306 2-626-908-01 SHAFT, SLED
307 2-627-003-02 GEAR (B)
! 308 8-848-379-31 OPTICAL PICK-UP KSS-213B/S-N
* 309 1-639-678-12 MOTOR (6P)(S) BOARD
M101 X-2625-877-1 MOTOR ASSY (SPINDLE)
M102 X-2625-769-1 MOTOR ASSY (SLED)
not supplied
302
302
#6
#6
#6
307
#8
308
305
#6
306
303
M102
M101
303
304
309
304
301

Related product manuals