EasyManua.ls Logo

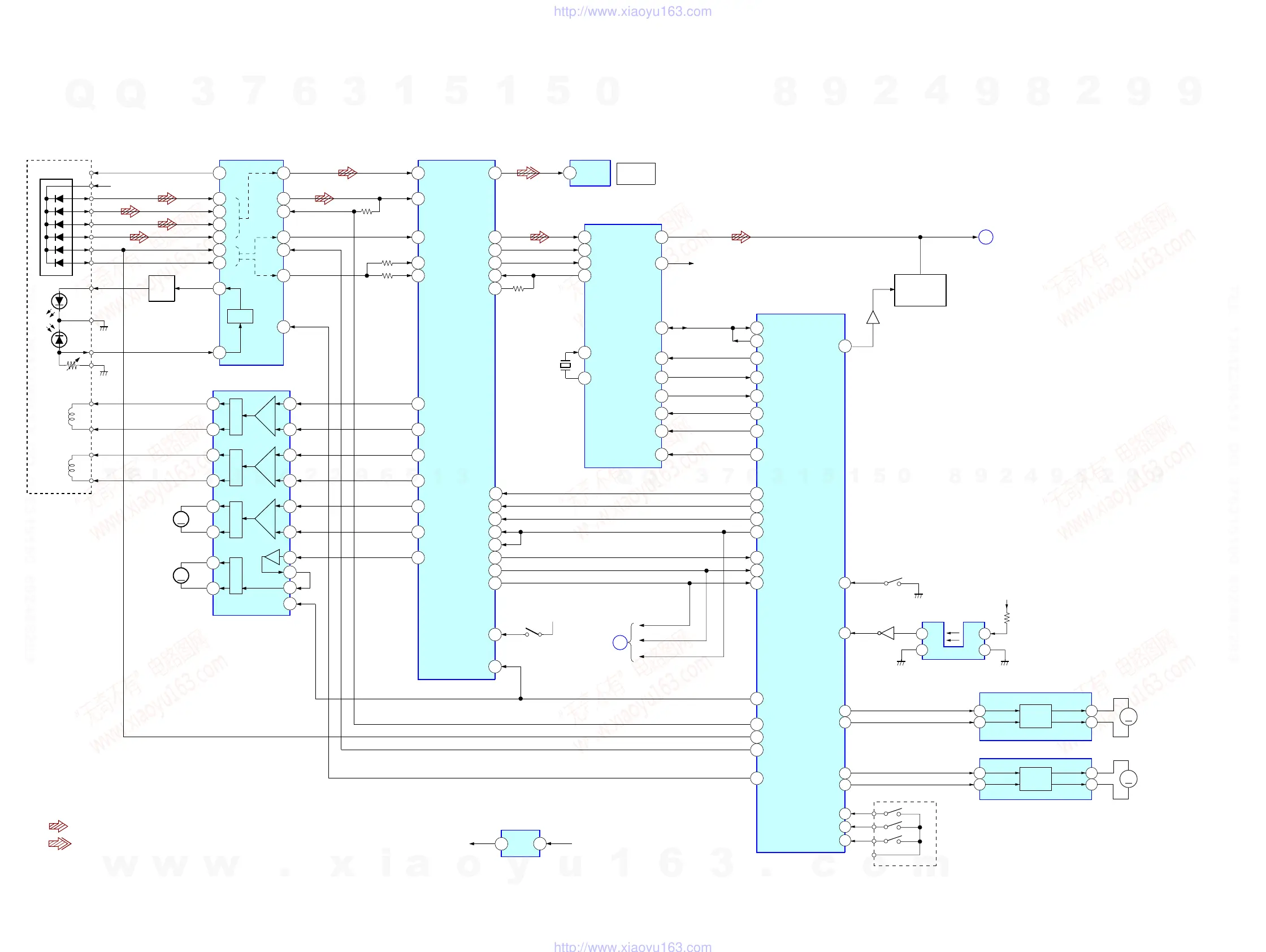
Sony HCD-GN600 - 7-2. BLOCK DIAGRAM - CD SERVO Section

Sony HCD-GN600
72 pages
Print Icon
To Next Page IconTo Next Page
To Next Page IconTo Next Page
To Previous Page IconTo Previous Page
To Previous Page IconTo Previous Page
Loading...
HCD-GN600
2828
7-2. BLOCK DIAGRAM – CD SERVO Section –
: CD
• Signal Path
• R-CH is omitted due to same as L-CH
: DIGITAL OUT
OPTICAL PICK-UP
BLOCK
(KSS-213DCP)
A
B
C
D
E
F
LD
VC
CD A+3.3V
GND
PD
VR
LD
DRIVE
FOCUS
COIL
TRACKING
COIL
Q101
RF AMP
IC103
DVC
14
A
6
B
7
C
8
D
9
E
10
F
11
LD
1
PD
2
IC150
MOTOR/COIL DRIVE
18
17
12
11
M
M101
SLED
MOTOR
M
M102
SPINDLE
MOTOR
F+
F-
T+
T-
2
20
25
27
MUTE
MDP
25
SRDR
30
SFDR
29
TRDR
32
TFDR
31
FRDR
34
FFDR
33
DIGITAL SIGNAL PROC.
IC101
DIGITAL SERVO
64
D OUT
RFAC
50
29
RFDCI
28
RFDCO
16
FE
17
FEI
12
SW
RFDC
43
FE
39
TE
41
SE
40
66
PCMD
OPTICAL
OUT
IC201
26
RO
4
DATA
R-CH
CD L-CH
6
CLOK
5
XLAT
77
SQCK
8
SCLK
15
SCOR
76
SQSO
26
SSTP
2
XRST
S101
LIMIT
IN SW
CD-DATA
35
CD-CLK
37
CD-XLAT
36
SQ-CLK
33
SCOR
19
SQ-DATA-IN
32
7
SENS
SENSE
34
OUT(CD)
OPTICAL
SYSTEM CONTROL
CD/TAPE MECHANISM
CONTROL
IC501 (1/4)
15
RF AC
18
TE
CD +3.3V
SENS
SQ-DATA
SQ-CLK
IC104
D/A CONV,
MP3 DECODER
SDIO
12
3
23
LO
67
BCLK
BCKIA
13
65
LRCK
LRCKIA
14
71
XTAI
CKI/CKO
60
72
XTAO
XI
62
XO
63
X201
16.9MHz
5
MIDIO
6
MICK
7MIACK/AD2
39
PO7
1
RESET
DATA IN
6
DATA OUT
5
MP3 CLK
7
25
3
MICS/AD0
MP3 CS
1
4
MILP/AD1
MP3 LP
2
MP3 ACK
3
MP3 RESET
48
MP3 REQ
18
C-XRST
40
BU-PWM3
24
BU-PWM2
26
BU-PWM1
28
LD-ON
38
+2.5V
REG
1
IC121
3+2.5V
CD A+3.3V
D-SENS 41
EJECTSW
CD-A-MUTE
Q206, 207
BUFFER
Q731
S751
(LEVER)
D+3.3V
42
MUTE
Q201
LMF 46
LMR
47
44
TM-R
E-1
E-2
E-3
45
21
22
43
TM-F
9
7
3
4
1
2
RIN
FIN
9
7
MOTOR
DRIVE
4
2
4
2
MOTOR
DRIVE
OUT
OUT
OUT
OUT
RIN
FIN
MOTOR DRIVER
IC712
RE701
ROTARY
ENCODER
MOTOR DRIVER
IC701
TABL SENSOR
IC731
M751
(LOADING)
M
M
M741
(TABLE)
A
MAIN/POWER
SECTION
B
DISPLAY
SECTION
APC
DRV
22
23
+
DRV
+
DRVDRV
15
16
4
14
13
6
7
+
5
w
w
w
.
x
i
a
o
y
u
1
6
3
.
c
o
m
Q
Q
3
7
6
3
1
5
1
5
0
9
9
2
8
9
4
2
9
8
T
E
L
1
3
9
4
2
2
9
6
5
1
3
9
9
2
8
9
4
2
9
8
0
5
1
5
1
3
6
7
3
Q
Q
TEL 13942296513 QQ 376315150 892498299
TEL 13942296513 QQ 376315150 892498299
http://www.xiaoyu163.com
http://www.xiaoyu163.com

Related product manuals