EasyManua.ls Logo

Sony HCD-GNZ9D - Schematic Diagram - Audio Section (3;3)

Sony HCD-GNZ9D
108 pages
Print Icon
To Next Page IconTo Next Page
To Next Page IconTo Next Page
To Previous Page IconTo Previous Page
To Previous Page IconTo Previous Page
Loading...
5252
HCD-GNZ7D/GNZ8D/GNZ9D
HCD-GNZ7D/GNZ8D/GNZ9D
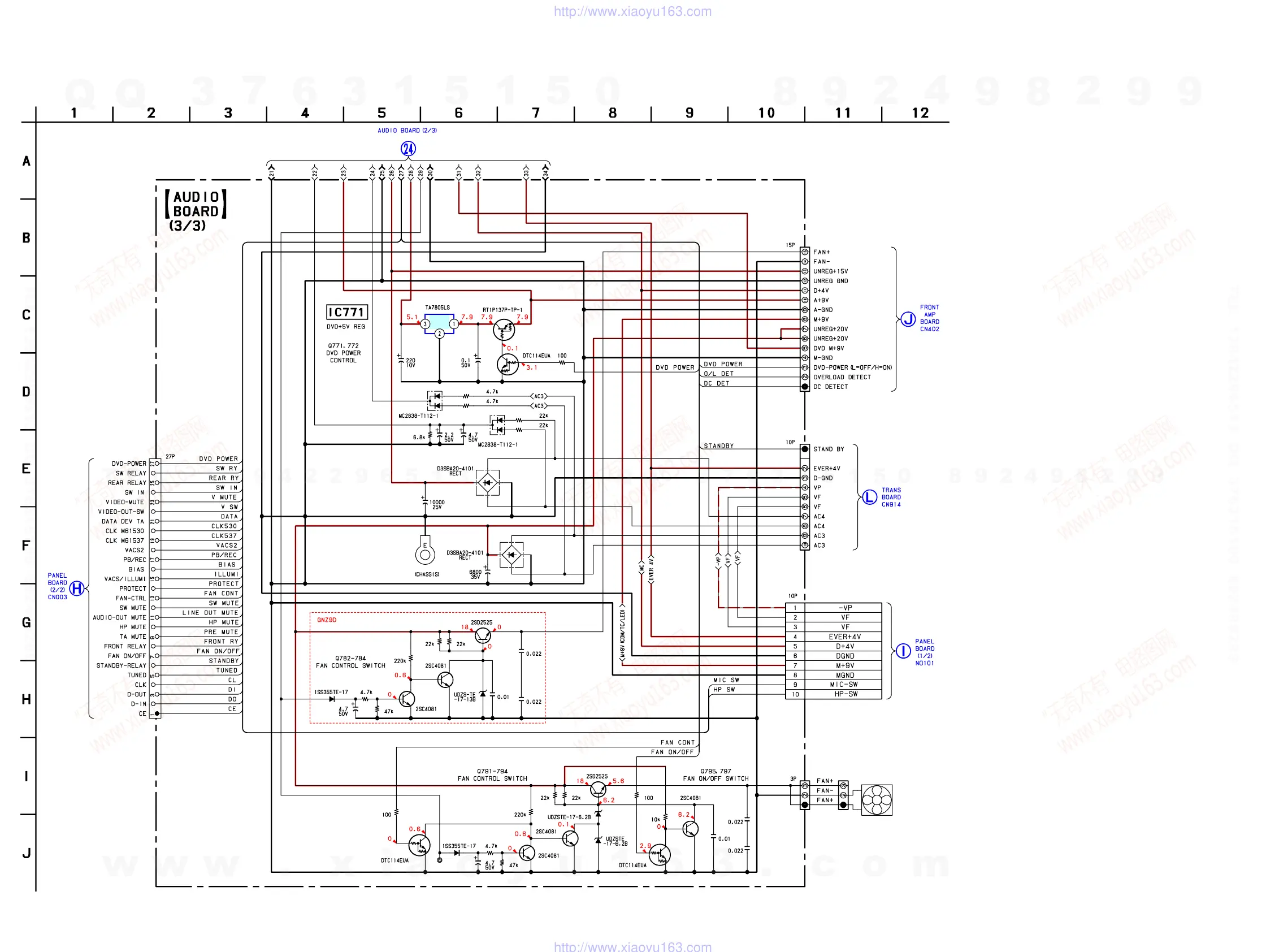
7-17. SCHEMATIC DIAGRAM — AUDIO SECTION (3/3) —
(Page 51)
(Page 56)
(Page 68)
(Page 58)
C763
C753
C791
TP791
CN754
R795
R791
R792
C795
Q794
Q793
C793
R794
CN202
C794
CN751
IC771
C772 C771
R790
R798
C781
R782
R781
Q783
R785R784
C784
C785
C783
Q784
R763
C765
R764
R762
Q792
R793
C764
R753
R752
Q782
R783
R796
CN752
NO701
R751
D753
D763
EPT751
D783
FAN901
Q772
Q771
D761
D751
D791
D792
D793
Q795
Q797
D781
Q791
(Page 59)
w
w
w
.
x
i
a
o
y
u
1
6
3
.
c
o
m
Q
Q
3
7
6
3
1
5
1
5
0
9
9
2
8
9
4
2
9
8
T
E
L
1
3
9
4
2
2
9
6
5
1
3
9
9
2
8
9
4
2
9
8
0
5
1
5
1
3
6
7
3
Q
Q
TEL 13942296513 QQ 376315150 892498299
TEL 13942296513 QQ 376315150 892498299
http://www.xiaoyu163.com
http://www.xiaoyu163.com

Table of Contents

Related product manuals