EasyManua.ls Logo

Sony HCD-GNZ9D - Schematic Diagram - Surround AMP Section

Sony HCD-GNZ9D
108 pages
Print Icon
To Next Page IconTo Next Page
To Next Page IconTo Next Page
To Previous Page IconTo Previous Page
To Previous Page IconTo Previous Page
Loading...
63 63
HCD-GNZ7D/GNZ8D/GNZ9D
HCD-GNZ7D/GNZ8D/GNZ9D
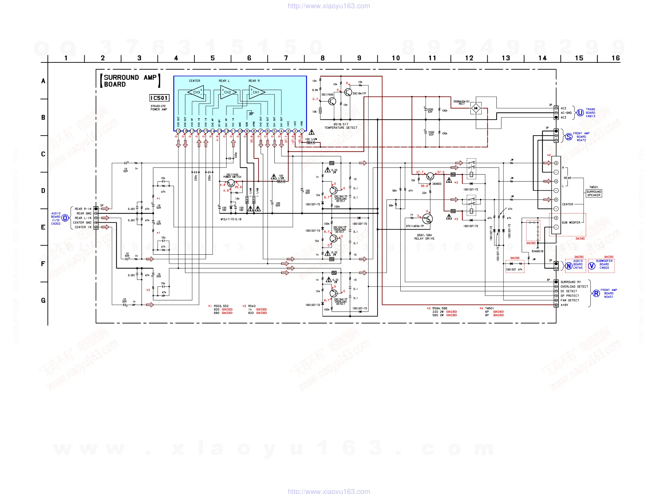
7-28. SCHEMATIC DIAGRAM — SURROUND AMP SECTION — (HCD-GNZ8D/GNZ9D)
R541
R551
R501
R504
R597
C541
C551
C501
C512
C511
C510
C574
C573
D582
D581
Q581
D552
D542
R522
R516
R581
R582
R583
D587
D588
D589
Q517
R573
R574
R505
R545
JW526
JW501
JW505
R584
NO573
CN572
D591 R593
NO571
C503
C553
C543
R507
R508
D501
R509
R510
C506
C507
C557
R559
D551
R558
C556
R560
R555
R557
R550
C546
C547
R549
D541
R548
R547
R533
R532 R531
R590
R598
R587
R588
R589
D520
C521C520
C502 R502
C504
C554
R552C552
R554
C544
R542C542
R544
NO501
R514
R518
R517
R515
C558
Q584
CN502
RY582
RY581
R520
R521
R511
R561
IC501
C508
TH501
D571
Q520
R503
R553
R543
Q516
Q501
Q551
Q541
R594
R599
TM501
(Page 50)
(Page 68)
(Page 56)
(Page 50) (Page 65)
(Page 56)
w
w
w
.
x
i
a
o
y
u
1
6
3
.
c
o
m
Q
Q
3
7
6
3
1
5
1
5
0
9
9
2
8
9
4
2
9
8
T
E
L
1
3
9
4
2
2
9
6
5
1
3
9
9
2
8
9
4
2
9
8
0
5
1
5
1
3
6
7
3
Q
Q
TEL 13942296513 QQ 376315150 892498299
TEL 13942296513 QQ 376315150 892498299
http://www.xiaoyu163.com
http://www.xiaoyu163.com

Table of Contents

Related product manuals