EasyManua.ls Logo

Sony HCD-GNZ9D - Schematic Diagram - Power Section

Sony HCD-GNZ9D
108 pages
Print Icon
To Next Page IconTo Next Page
To Next Page IconTo Next Page
To Previous Page IconTo Previous Page
To Previous Page IconTo Previous Page
Loading...
6868
HCD-GNZ7D/GNZ8D/GNZ9D
HCD-GNZ7D/GNZ8D/GNZ9D
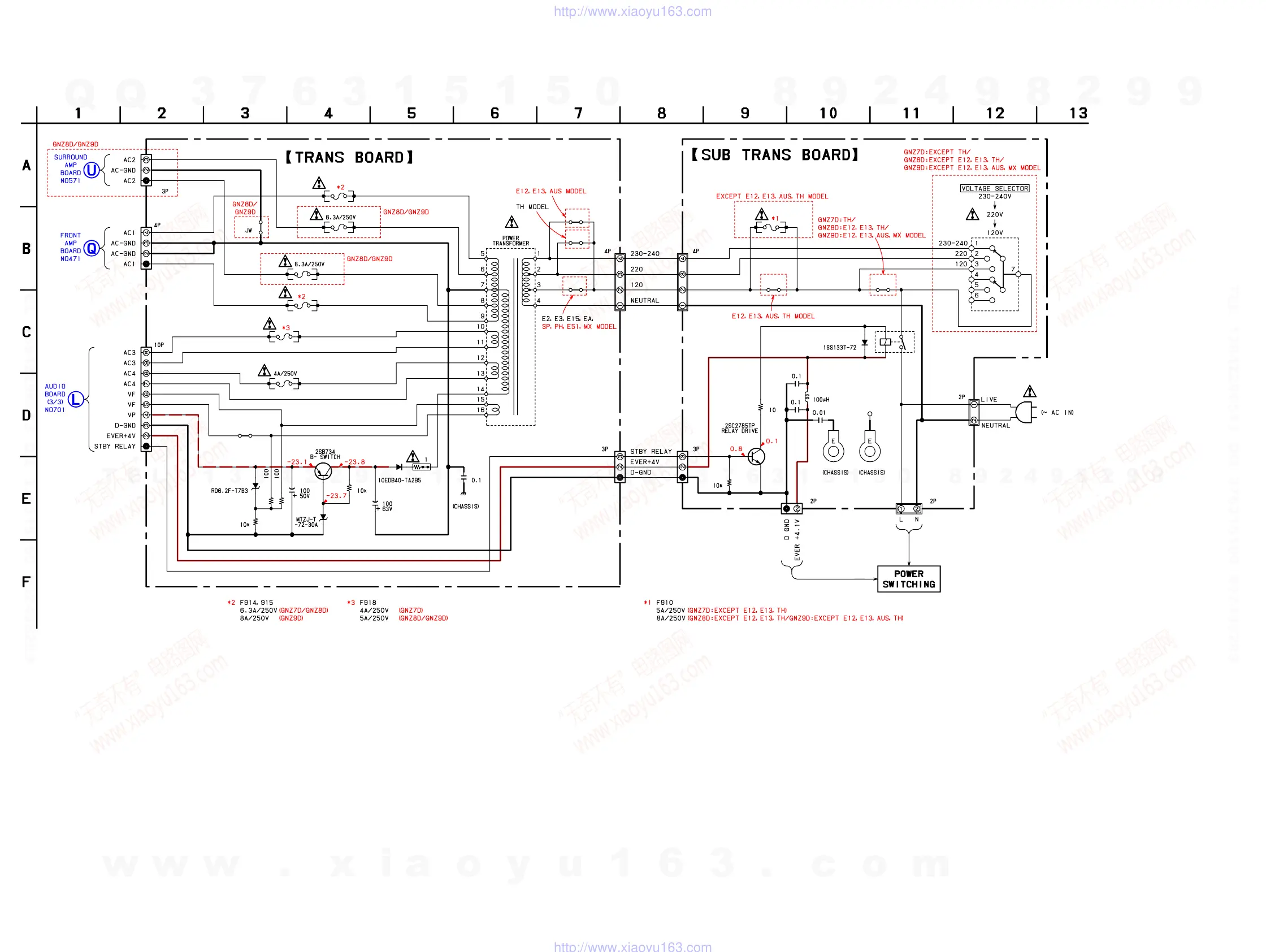
7-33. SCHEMATIC DIAGRAM — POWER SECTION —
F918
C918
C913
F914
F915
R914
R915
R916
JW972
C915
R919
CN901
D901
FH911 FH910
F910
C905
R901
L901
C903
C902
CN914
R911
CN915
FH926 FH925
FH928 FH927
FH920 FH919
FH918 FH917
NO912 NO903
FH922 FH921
FH924 FH923
JW924
Q902
CN913
JW921
NO911
JW922
JW923
NO902
EP901 EP904
T911
EP902
JW901
S901
Q901
CN902
D913
D912
D911
NO901
R904
RY901
JW910
F916
F917
F919
(Page 63)
(Page 56)
(Page 52)
w
w
w
.
x
i
a
o
y
u
1
6
3
.
c
o
m
Q
Q
3
7
6
3
1
5
1
5
0
9
9
2
8
9
4
2
9
8
T
E
L
1
3
9
4
2
2
9
6
5
1
3
9
9
2
8
9
4
2
9
8
0
5
1
5
1
3
6
7
3
Q
Q
TEL 13942296513 QQ 376315150 892498299
TEL 13942296513 QQ 376315150 892498299
http://www.xiaoyu163.com
http://www.xiaoyu163.com

Table of Contents

Related product manuals