EasyManua.ls Logo

Sony HCD-GRX50 - Block Diagrams - Tape Deck Section; Tape Deck System Block Diagram

Sony HCD-GRX50
71 pages
Print Icon
To Next Page IconTo Next Page
To Next Page IconTo Next Page
To Previous Page IconTo Previous Page
To Previous Page IconTo Previous Page
Loading...
HCD-GRX50/R770/RXD7
– 21 –
– 22 –
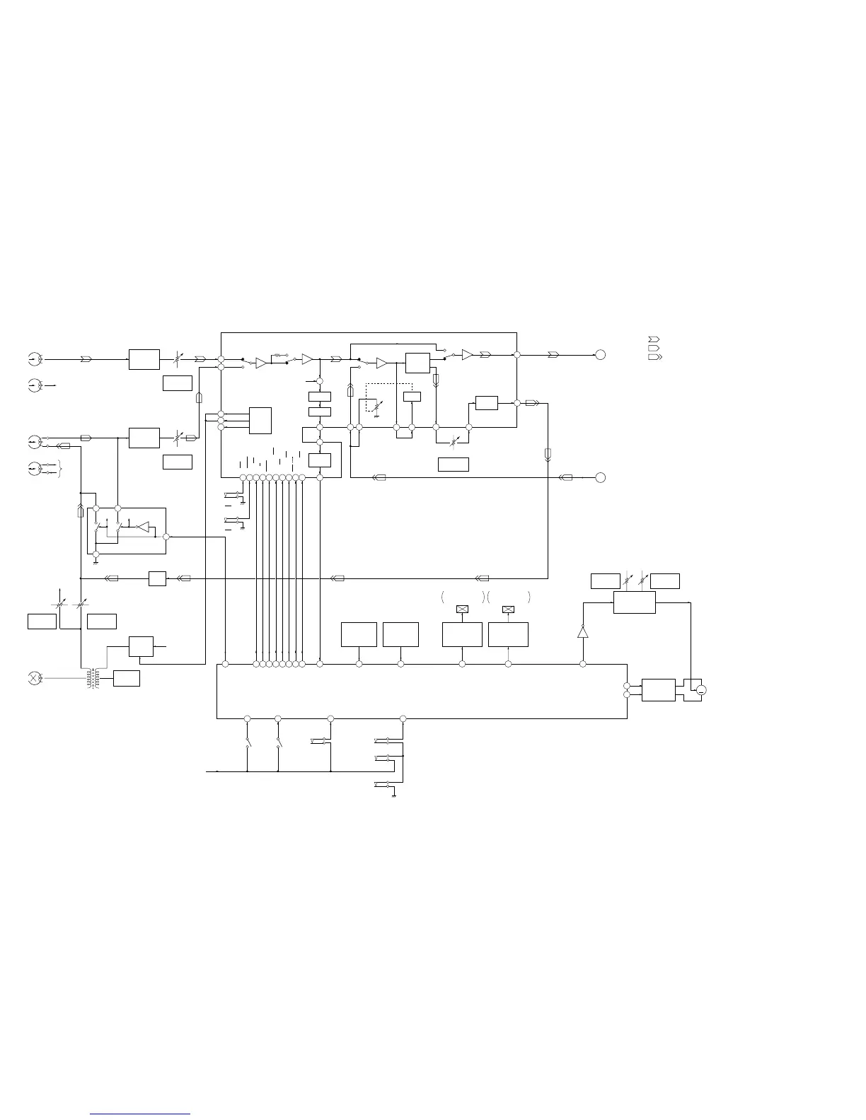
7-2. BLOCK DIAGRAM – TAPE DECK Section –
PB EQ AMP
(DECK A)
IC611
PB LEVEL (L)
(DECK A)
REC-L
PB-L
CAPSTAN MOTOR
CONTROL SWITCH
Q1001
CAPSTAN
MOTOR DRIVE
Q336 – 343
1
B
(Page 23)
(Page 24)
L-CH
R-CH R-CH
HP101
(PLAYBACK)
PB EQ AMP
(DECK B)
IC601
L-CH
R-CH R-CH
05
R-CH
R-CH
HRPE101 (1/2)
(RECORD/PLAYBACK)
ALC
REC
EQ AMP
AMS
CIRCUIT
DOLBY NR
AMP
CIRCUIT
BIAS
CONTROL
CIRCUIT
DOLBY PASS
R-CH
L.P.F.
BUFFER
Q335
M
M1
(CAPSTAN)
HRPE101 (2/2)
(ERASE)
BIAS OSC
T621
B+
(A+7V)
R-CH
3
46
28
43
36
40
35 34
39
26
77
19
15
16
18
20
22 23
24
2517
85
84
83
82
81 80
79
78
31
33
32
+
48
4
2
RV311
PB LEVEL (L)
(DECK B)
RV301
TAPE SPEED
(NORMAL)
RV1002
TAPE SPEED
(HIGH)
RV1001
REC LEVEL (L)
(DECK B)
RV301
REC BIAS (R)
(DECK B)
RV441
REC BIAS (L)
(DECK B)
BIAS OSC
Q621, 622
REC BIAS
SWITCH
Q623
ROTATION
DETECT SENSOR
(DECK A)
IC1001
RV341
BIAS
TRAP
C331, L331
REC/PB SWITCHING
IC602
SYSTEM CONTROLLER
IC501 (2/4)
DECK PROCESS
DECK A/B SELECT, PB/REC EQ AMP,
DOLBY NR AMP, ALC, AMS
IC301
AIN (L)
BIN (L)
MAOUT
PB OUT (L)
EQ OUT
(L)
MSIN
MSOUT
BIAS ON/OFF
70
120
BIAS (N)
BIAS (C)
BIAS (M)
S1004
A 120/70
B NORM/CROM
ALC ON/OFF
PB A/B
NORM/HIGH
NR ON/OFF
RM ON/OFF
REC/PB/PASS
LM ON/OFF
(DECK A 120/70)
88
S1003
(DECK A HALF)
S1001
(DECK A PLAY)
S1002
(DECK B PLAY)
S1008
(DECK B 120/70)
27
REC OUT (L)
ROUT (L)
RIN (L)
ALC (L)
EQ IN (L)
ALC
IN (L)
44
38
100
AMS-IN
91
A-SHUT
ROTATION
DETECT SENSOR
(DECK B)
IC1002
90
B-SHUT
TRIGGER
PLUNGER DRIVE
(DECK A)
Q333, 334
73
A-TRG
TC-MUTE
R/P-PASS
NR-ON/OFF
REC-MUTE
BIAS
EQ-H/N
PB-A/B
ALC-ON/OFF
TC-RELAY
A-PLAY-SW
B-PLAY-SW
A-HALF
89
S1006
(DECK B HALF)
S1009
(DECK B REC)
S1005
(DECK A REC)
B-HALF
TRIGGER PLUNGER
DECK A
TRIGGER
PLUNGER DRIVE
(DECK B)
Q331, 332
72
B-TRG
76
74
75
CAP-M-H/L
CAPM-CNT2
CAPM-CNT1
TRIGGER PLUNGER
DECK B
87
86
C
• SIGNAL PATH
: PLAYBACK (DECK A)
: PLAYBACK (DECK B)
: RECORD
D+5V

Related product manuals