EasyManua.ls Logo

Sony HCD-GRX50 - IC Diagrams; IC103 CXA2568 M-T6 and Motor Board IC Diagrams

Sony HCD-GRX50
71 pages
Print Icon
To Next Page IconTo Next Page
To Next Page IconTo Next Page
To Previous Page IconTo Previous Page
To Previous Page IconTo Previous Page
Loading...
– 65 –
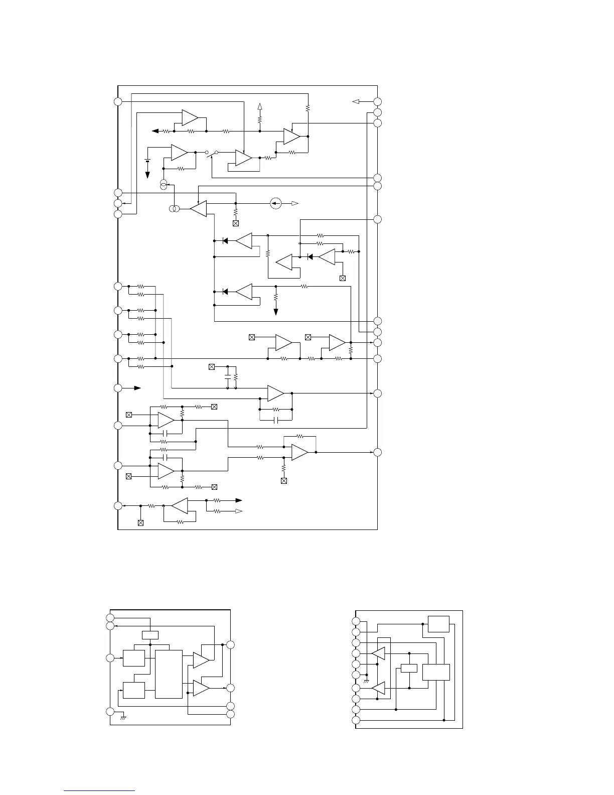
IC103 CXA2568M-T6
APC PD AMP
APC LD AMP
RF SUMMING AMP
RF EQ AMP
FOCUS ERROR AMP
TRACKING
ERROR AMP
VC BUFFER
VCC
50µA
VEE
VEE
VC
VC
VC
VC
VC
VC
VC
VC
VC
VC
VCC
VEE
VCC
VEE
VEE
VC
VCC
LC/PD
LD ON
HOLD SW
AGC CONT
RFTC
RF I
RF O
RFE
TE
FE
RF BOT
HOLD
AGC VTH
LD
PD
A
B
C
D
VEE
F
E
VC
1
2
3
4
5
6
7
8
9
10
11
12
13
14
15
16
17
18
19
20
21
22
23
24
+
+
+
+
+
+
+
VCC
+
+
+
+
+
+
+
+
+
– MOTOR (TURN) Board –
IC701 M54641L
REG
CONTROL
INPUT
AMP.
INPUT
AMP.
1
2
3
4
5
6
7
8
POWER AMP.
POWER AMP.
VCC
OUT1
IN2
REFERENCE
GND
IN1
OUT2
VCC
– MOTOR (SLIDE) Board –
IC801 BA6286N
POWER
SAVE
CONTROL
LOGIC
TSD
1
2
3
4
5
6
7
8
9
10
GND
RIN
VREF
OUT2
RNF
GND
OUT1
VM
VCC
FIN

Related product manuals