EasyManua.ls Logo

Sony HCD-GRX70 - 2 General; Location of Controls

Sony HCD-GRX70
72 pages
Print Icon
To Next Page IconTo Next Page
To Next Page IconTo Next Page
To Previous Page IconTo Previous Page
To Previous Page IconTo Previous Page
Loading...
– 6 –
SECTION 2
GENERAL
This section is extracted from
instruction manual.
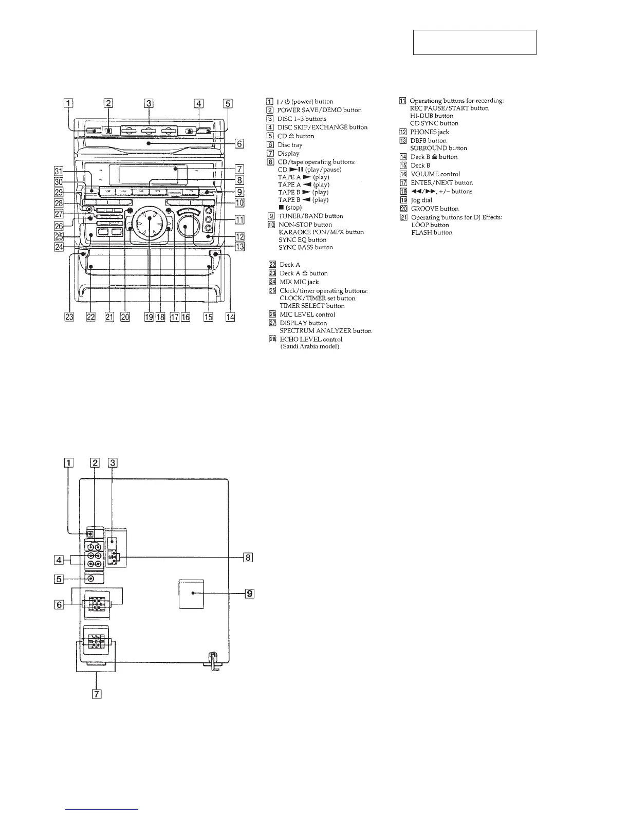
LOCATION OF CONTOROLS
– Front Panel –
– Rear Panel –
1 CD DIGITAL OUT terminal
2 VIDEO (AUDIO) IN jack
3 FM ANTENNA terminal
4 MD IN/OUT jack
5 SUPER WOOFER jack
6 SURROUND SPEAKER terminal (GRX70/GRX70J)
7 SPEAKER terminal
8 AM ANTENNA terminal
9 VOLTAGE SELECTOR switch
(GRX70: 120 V AC Area in E, 240 V AC Area in E, Saudi
Arabia, Singapore, Taiwan, Argentine models)
EDIT, DIRECTION, TUNER MEMORY
button
PLAY MODE, DOLBY NR button
REPEAT, STEREO/MONO button
EFFECT button
FILE SELECT button
GEQ CONTROL button
P FILE MEMORY button
FUNCTION button

Related product manuals