EasyManua.ls Logo

Sony HCD-GTR33 - Page 41

Sony HCD-GTR33
73 pages
Print Icon
To Next Page IconTo Next Page
To Next Page IconTo Next Page
To Previous Page IconTo Previous Page
To Previous Page IconTo Previous Page
Loading...
HCD-GTR33/GTR55/GTR77
41
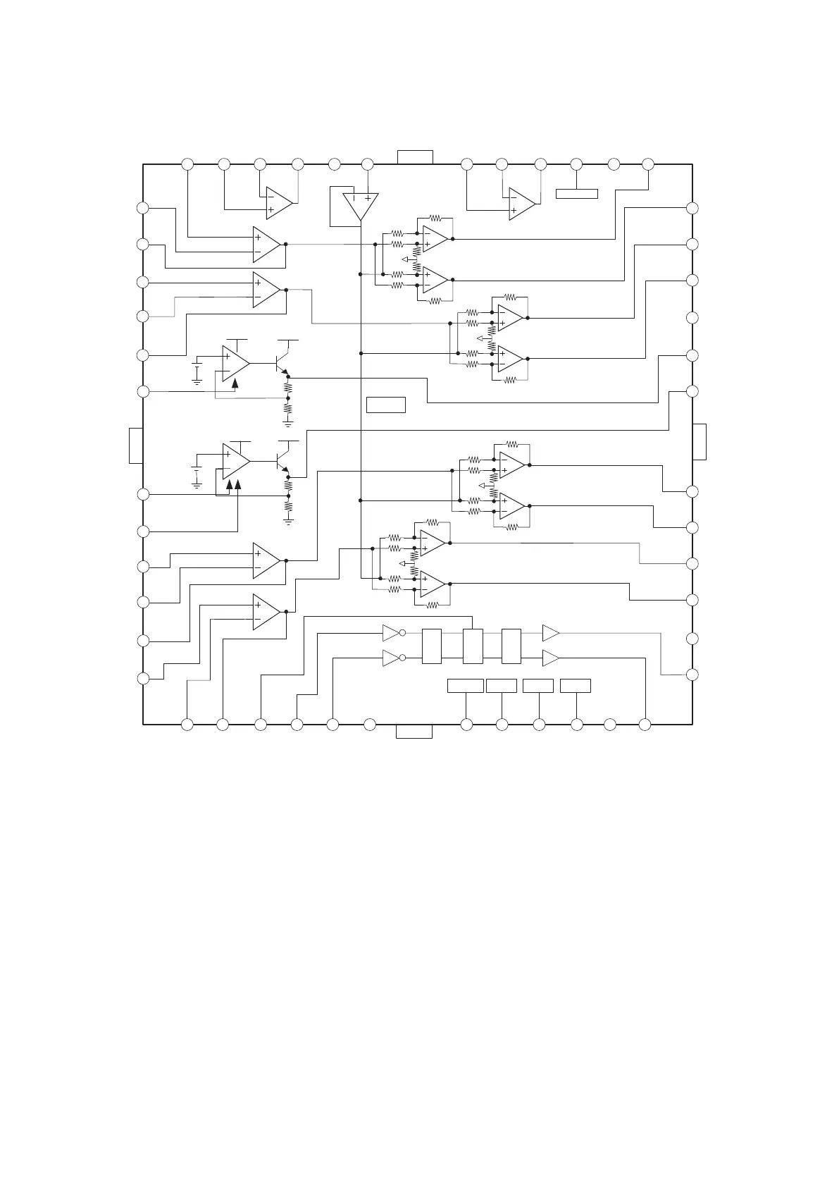
IC201 FAN8036L (DMB19 Board (2/3))
OUT1
IN 1-
FI N
(GND)
FI N
(GND)
IN2 +
IN 2-
OUT2
R ES1
REGCTL
IN 3+
IN3 -
OUT3
IN 4+
FI N
(GND)
IN 4-
OUT4
CTL
FW D
RE V
M U TE 123
MU T E 4
TSD_M
P V CC2
DO5-
DO5+
P G ND2
DO4-
DO4+
DO3-
DO3+
REGO2
REGO1
P GND1
DO2-
DO2+
DO1-
FI N
(GND)
DO1+
PV CC1
REGVCC
OPOUT2
OPIN 2-
OPIN 2+
VREF
SVCC
OPOUT1
OPIN 1-
OPIN 1+
IN 1+
SGN D
REGV CC
RES2
REGV CC
REGVCC
RE GVCC
PS
1
2
3
4
5
6
7
8
9
10
11
12
13 14 15 16 17 18 19 20 21 22 23 24
25
26
27
28
29
30
31
32
33
34
35
36
373839404142434445464748
MUTE123 MUTE4 PS TSD_M
S
W
M
S
C
+
-
TSD
REGVCC

Table of Contents

Related product manuals