EasyManua.ls Logo

Sony HCD-H331 - Front Panel Section Exploded View

Sony HCD-H331
46 pages
Print Icon
To Next Page IconTo Next Page
To Next Page IconTo Next Page
To Previous Page IconTo Previous Page
To Previous Page IconTo Previous Page
Loading...
– 49 –
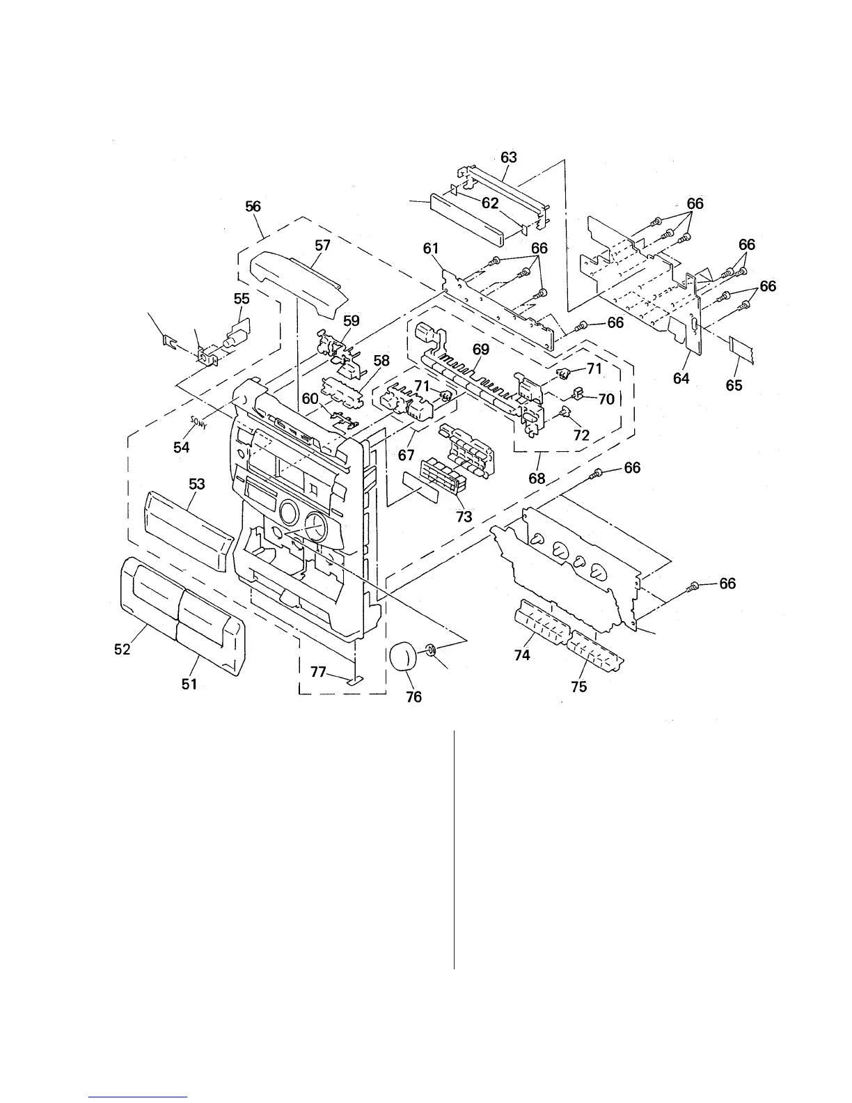
8-2. FRONT PANEL SECTION
supplied with
S550
TCM-YSW47C24
supplied with
J501
FL501
78
51 X-4946-731-1 LID (B) ASSY, CASSETTE
52 X-4946-730-1 LID (A) ASSY, CASSETTE
53 4-978-716-01 WINDOW, FL
54 4-962-708-11 EMBLEM (4-A), SONY
* 55 1-659-147-11 H.P BOARD
56 X-4946-715-1 PANEL ASSY, FRONT
57 4-978-715-01 WINDOW, 3-CD
58 X-4946-703-1 BUTTON (3-CD) ASSY
59 4-978-723-01 BUTTON, POWER
60 4-978-739-01 INDICATOR, CLIP
* 61 1-659-146-11 CD PANEL BOARD
* 62 4-932-810-11 CUSHION (FL)
* 63 4-978-168-01 HOLDER, FL TUBE
* 64 A-4389-137-A PANEL BOARD, COMPLETE
65 1-773-020-11 WIRE (FLAT TYPE) (15 CORE)
66 4-951-620-41 SCREW (2.6), +BVTP
67 X-4946-698-1 BUTTON (CD-PLAY) ASSY
68 X-4946-706-1 BUTTON (T/B) ASSY
69 4-978-726-21 BUTTON, TUNER/BAND
70 4-978-737-01 INDICATOR, EFFECT
71 4-978-734-01 INDICATOR, EFECT
72 4-978-738-01 INDICATOR, WARP
73 4-978-742-01 HOLDER, MULTI LED
74 4-978-826-01 BUTTON, MD-A
75 4-978-827-01 BUTTON, MD-B
76 4-978-733-01 KNOB, VOL
77 4-930-336-61 FOOT (FELT)
* 78 4-978-830-01 BRACKET, HD
FL501 1-517-489-11 INDICATOR TUBE, FLUORESCENT
Ref. No. Part No. Description Remark Ref. No. Part No. Description Remark
––––––– ––––––– –––––––––– ––––––– ––––––– ––––––– –––––––––– ––––––

Related product manuals