EasyManua.ls Logo

Sony HCD-H331 - TC Mechanism Section 3 Exploded View

Sony HCD-H331
46 pages
Print Icon
To Next Page IconTo Next Page
To Next Page IconTo Next Page
To Previous Page IconTo Previous Page
To Previous Page IconTo Previous Page
Loading...
– 52 –
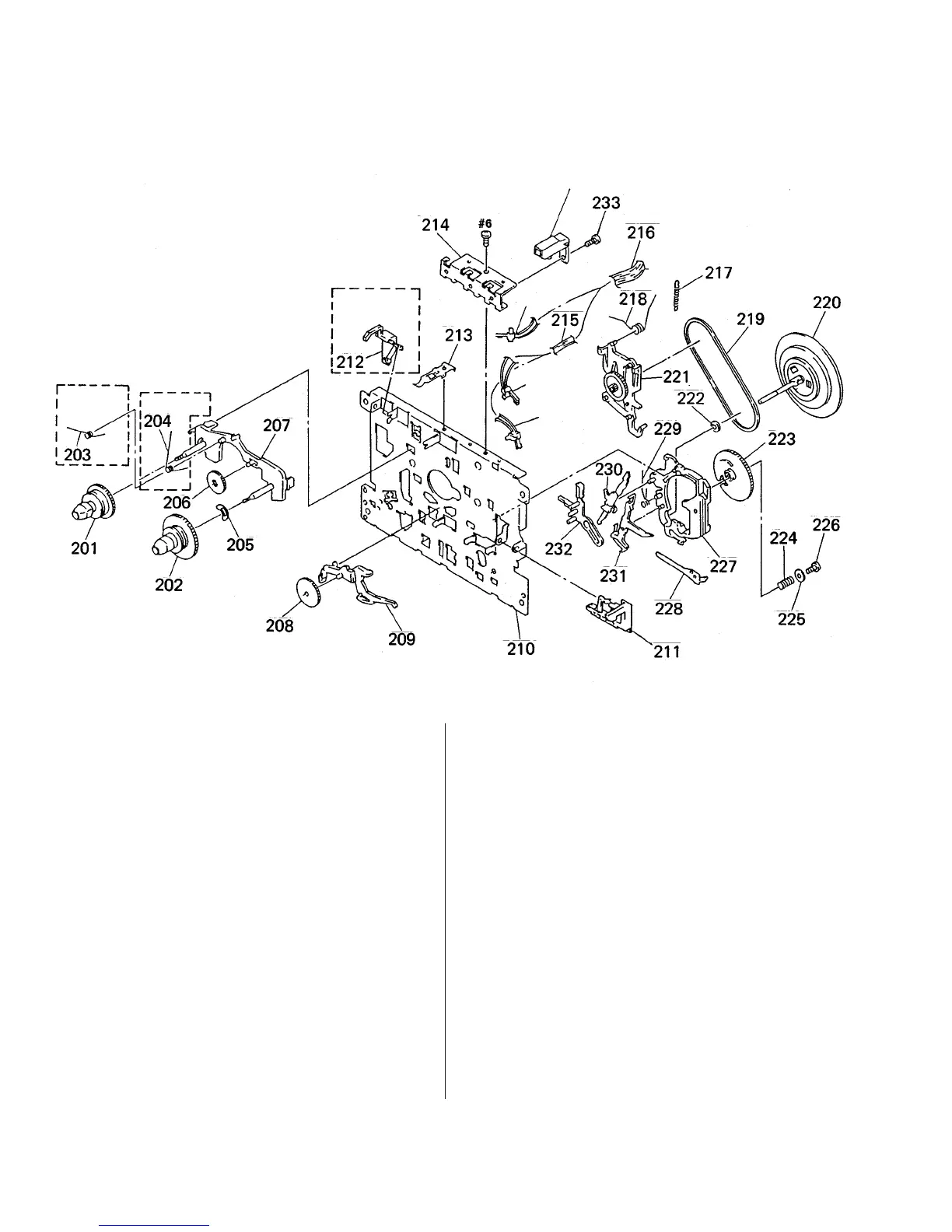
201 X-3363-611-1 REEL, S
202 3-362-962-01 REEL ASSY, T
203 3-372-120-01 SPRING (DECK A)
204 3-918-735-01 SPRING (DECK B)
205 3-932-553-01 PLATE SPRING BT
206 3-362-965-01 IDLER, FF
207 3-362-961-01 SPINDLE (BASE)
208 3-362-960-01 PULLEY, IDLER
209 3-362-959-01 ARM, IDLER
* 210 3-362-941-01 CHASSIS
211 3-362-968-01 LEVER, EJECT
212 3-362-966-01 INTER LOCK (DECK B)
213 3-918-744-01 SPRING, CASSETTE
214 1-762-610-11 SWITCH, PLATE
215 1-762-613-11 SWITCH, WIRE LEAF (DECK A)
216 1-762-612-11 SWITCH, WIRE LEAF (DECK B)
217 3-362-971-01 SPRING
218 3-362-970-01 SPRING
219 3-918-734-01 BELT
220 3-369-921-01 FW ASSY
Ref. No. Part No. Description Remark Ref. No. Part No. Description Remark
––––––– ––––––– –––––––––– ––––––– ––––––– ––––––– –––––––––– ––––––
221 3-362-969-01 IDLER ASSY, PF
222 3-918-736-01 WASHER
223 X-3363-315-1 GEAR, CAM
224 3-369-962-01 SPRING, COMPRESSION
225 3-369-961-01 WASHER
226 3-366-352-01 SCREW
227 3-362-973-01 AS (BASE)
228 3-362-978-01 SPRING, PLATE
229 3-362-977-01 SPRING
230 3-362-976-01 LEVER, CONTROL
231 3-362-975-01 LEVER, SENSOR
232 3-387-697-01 SENSOR
233 3-918-741-01 SCREW
S1 1-571-556-11 SWITCH, LEAF (MOTOR) (DECK A)
S2 1-571-745-11 SWITCH, LEAF (PLAY) (DECK A)
S3 1-762-611-11 SWITCH, LEAF (TYPE 2) (DECK A)
S4 1-571-556-11 SWITCH, LEAF (MOTOR) (DECK B)
S5 1-571-745-11 SWITCH, LEAF (PLAY) (DECK B)
S6 1-762-611-11 SWITCH, LEAF (TYPE 2) (DECK B)
S7 1-571-556-11 SWITCH, LEAF (REC) (DECK B)
8-5. TC MECHANISM SECTION 3 (TCM-YSW47C24)
DECK A
DECK B
DECK B
S3 (DECK A)
S6 (DECK B)
S7
(DECK B)
S2 (DECK A)
S5 (DECK B)
S1 (DECK A)
S4 (DECK B)

Related product manuals