EasyManua.ls Logo

Sony HCD-M100 - Schematic Diagram - Main (6;6) Section

Sony HCD-M100
82 pages
Print Icon
To Next Page IconTo Next Page
To Next Page IconTo Next Page
To Previous Page IconTo Previous Page
To Previous Page IconTo Previous Page
Loading...
HCD-M100/M300AV
40
40
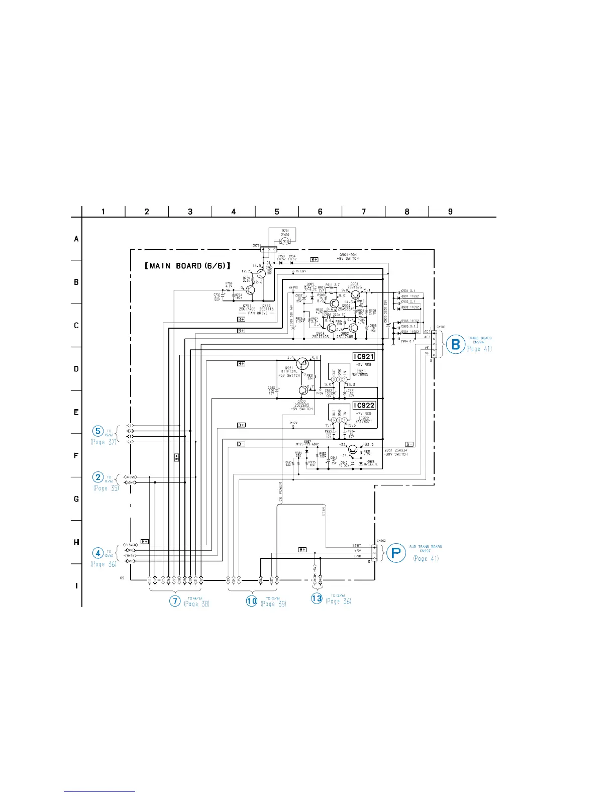
6-15. SCHEMATIC DIAGRAM MAIN (6/6) SECTION See page 32 for Printed Wiring Board.

Related product manuals