EasyManua.ls Logo

Sony HCD-M100 - Printed Wiring Board - Front Amp Section

Sony HCD-M100
82 pages
Print Icon
To Next Page IconTo Next Page
To Next Page IconTo Next Page
To Previous Page IconTo Previous Page
To Previous Page IconTo Previous Page
Loading...
HCD-M100/M300AV
44
44
11
1-677-246-
(11)
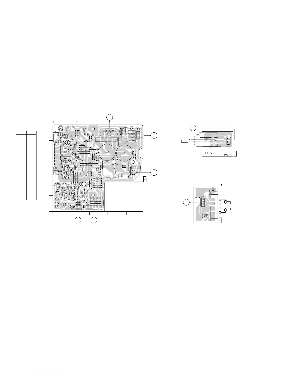
FRONT SP TERM BOARD
FRONT
SPEAKER
R
L
2
L701
1
4
L702
6-20. PRINTED WIRING BOARD FRONT AMP SECTION See page 27 for Circuit Boards Location.
PHONES BOARD
11
HP803
PHONES
(11)
1
4
1
1-677-241-
FRONT AMP BOARD
TO
TRANS BOARD
CN992
C
(Page41)
TO
REAR AMP
BOARD
CN701B
O
(Page47)
TO
MAIN
BOARD
CN801B
A
(Page34)
11
(11)
E
E
1
4
1
1
14 110
3
4
CN802
1
E
E
E
E
E
EE
E
E
E
E
E
8
15
1
A
B
C
D
E
234
5
2
1
M300AV
Ref. No. Location
D731 A-5
D732 C-5
D733 E-2
D751 C-4
D752 C-4
D801 A-1
D802 A-2
D803 D-2
D951 B-3
IC801 A-1
Q701 E-1
Q702 E-1
Q703 E-1
Q711 D-1
Q712 D-1
Q721 D-1
Q731 D-2
Q732 D-2
Q733 D-2
Q741 D-2
Q742 D-1
Q743 D-2
Q801 A-2
Q802 A-2
Semiconductor
Location

Related product manuals