EasyManua.ls Logo

Sony HCD-RX55 - Cassette Mechanism Deck Section Exploded View

Sony HCD-RX55
54 pages
Print Icon
To Next Page IconTo Next Page
To Next Page IconTo Next Page
To Previous Page IconTo Previous Page
To Previous Page IconTo Previous Page
Loading...
— 69 —
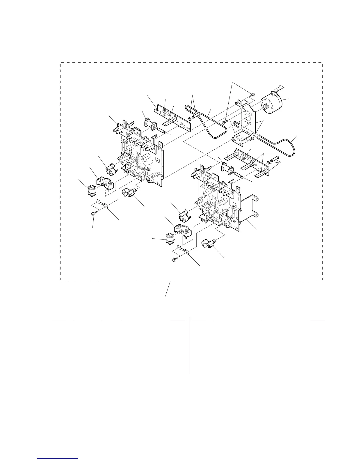
6-3. CASSETTE MECHANISM DECK SECTION
Ref. No. Part No. Description Remarks Ref. No. Part No. Description Remarks
151 1-759-633-11 DECK, MECHANICAL
152 9-880-883-01 HOLDER HEAD ASSY
153 9-880-884-01 FRAME HEAD
154 9-880-885-01 SPRING AZIMUTH
155 9-880-886-01 ARM PINCH L ASSY
156 9-880-887-01 ARM PINCH R ASSY
157 9-880-889-01 COIL ASSY
158 9-880-890-01 PLUNGER
159 9-880-891-01 MODE SW
160 9-880-892-01 SWITCH LEAF
161 9-880-893-01 BELT
162 9-880-894-01 HOLDER HEAD ASSY
163 9-880-895-01 BELT
164 9-880-896-01 MOTOR ASSY

Related product manuals